E
EPC Data

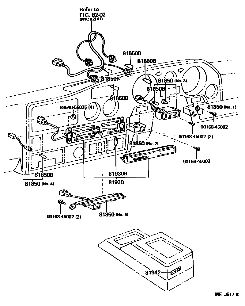
INDICATOR

Parts diagram
81850LAMP ASSY, INDICATOR
main81850-90A10i198708-199001
NO.3
main81850-90A11i198708-199001
W(DIFFERENTIAL LOCK),NO.3
main81850-90A12i198708-199001
NO.3
main81850-90A13i198708-199001
W(DIFFERENTIAL LOCK),NO.3
main81850-90A23i198708-199001
NO.1
main81850-90A25i198708-199001
NO.2
main81850-90A26i198708-199001
W(SEDIMENTER),NO.2
main81850-90A28i198708-199001
NO.1
main81850-90A29i198708-199001
NO.2
main81850-90A30i198708-199001
W(SEDIMENTER),NO.2
main81850-90A31i198808-199001
NO.5
main81850-90A32i198708-199001
NO.5
main81850-90A34i198708-199001
NO.4
main81850-90A38i198808-199001
NO.1
main81850-90A39i198808-199001
NO.3
main81850-90A40i198808-199001
W(DIFFERENTIAL LOCK),NO.3
81850BBULB, INDICATOR LAMP
main90981-11022i198708-199001
24V 1.4W
main90981-16020i198708-199001
24V 1.8W
main99132-12034i198808-199001
12V 3.4W
main99134-12030×2i198708-199001
24V 3W; 24V 3W,W(SEDIMENTER)
81930LAMP ASSY, HEATER CONTROL INDICATOR, NO.1
main81930-90A09i198708-199001
main81930-90A10i198708-199001
81930BBULB, HEATER CONTROL INDICATOR LAMP
main90981-11010i198708-199001
12V 2W
81942SHEET, HEATER CONTROL NAME
main86995-90A02i198708-199001
8202WIRING & CLAMP
9016845002
9354055025

8 parts on this diagram · 1 diagram in section

INDICATOR — Toyota Parts Diagram with OEM Numbers & Prices | EPC Data