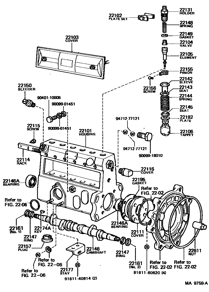
INJECTION PUMP BODY

2202INJECTION PUMP ASSEMBLY
2206FUEL FEED PUMP
22101HOUSING SUB-ASSY, INJECTION PUMP
22102PLATE SET, VALVE HOLDER LOCK
22103COVER SUB-ASSY, INJECTION PUMP
22104VALVE SUB-ASSY, INJECTION PUMP DELIVERY
22105ELEMENT SUB-ASSY, INJECTION PUMP
COLD SPEC
COLD SPEC
22106TAPPET SUB-ASSY, INJECTION PUMP
22111COVER, INJECTION PUMP CAMSHAFT BEARING
22114RACK, CONTROL
22115SCREW, RACK GUIDE
22116COVER, CONTROL RACK
22131HOLDER, DELIVERY VALVE
22142SLEEVE, PLUNGER CONTROL
22143SEAT, SPRING UPPER
22144SPRING, PUMP PLUNGER
22145SEAT, SPRING, LOWER
22146CAMSHAFT, INJECTION PUMP
22146ABEARING(FOR INJECTION CAMSHAFT)
NO.1
NO.2
22147RING, CAMSHAFT ADJUST
NO.1
NO.2
22148SPRING, DELIVERY VALVE
22149GASKET, DELIVERY VALVE
22150BLEEDER SUB-ASSY, AIR
22155PINION, PLUNGER CONTROL
22156SCREW, PLUNGER CONTROL PINION CLAMP
22157PLUG, INJECTION PUMP FELT PLATE
22161PLATE, CAMSHAFT SHIM
T=0.10; T=0.10,NO.1,T=0.10
T=0.12,T=0.12,NO.1
T=0.14,T=0.14,NO.1
T=0.16,T=0.16,NO.1
T=0.18,T=0.18,NO.1
T=0.50; T=0.50,NO.1,T=0.50
T=0.10,NO.2,T=0.10
T=0.15,T=0.15,NO.2
T=0.30,T=0.30,NO.2
T=0.50,NO.2,T=0.50
T=1.00,T=1.00,NO.2
T=1.50,T=1.50,NO.2
22174AKEY(FOR SPLINE SHAFT)
22177STAY, INJECTION PUMP BODY
22182PLATE, TAPPET ADJUSTING SHIM
T=0.10
T=0.20
T=0.30
T=0.40
T=0.50
T=0.15
T=0.60
T=0.70
T=0.80
T=0.90
T=1.00
T=1.10
T=1.20
T=1.30
T=1.40
22195GASKET, BEARING COVER
9009901451
main90099-01451
9009918010
main90099-18010
9040110006
main90401-10006
9161140814
main91611-40814
9161160620
main91611-60620
9471277121
main94712-77121
38 parts on this diagram · 2 diagrams in section