E
EPC Data

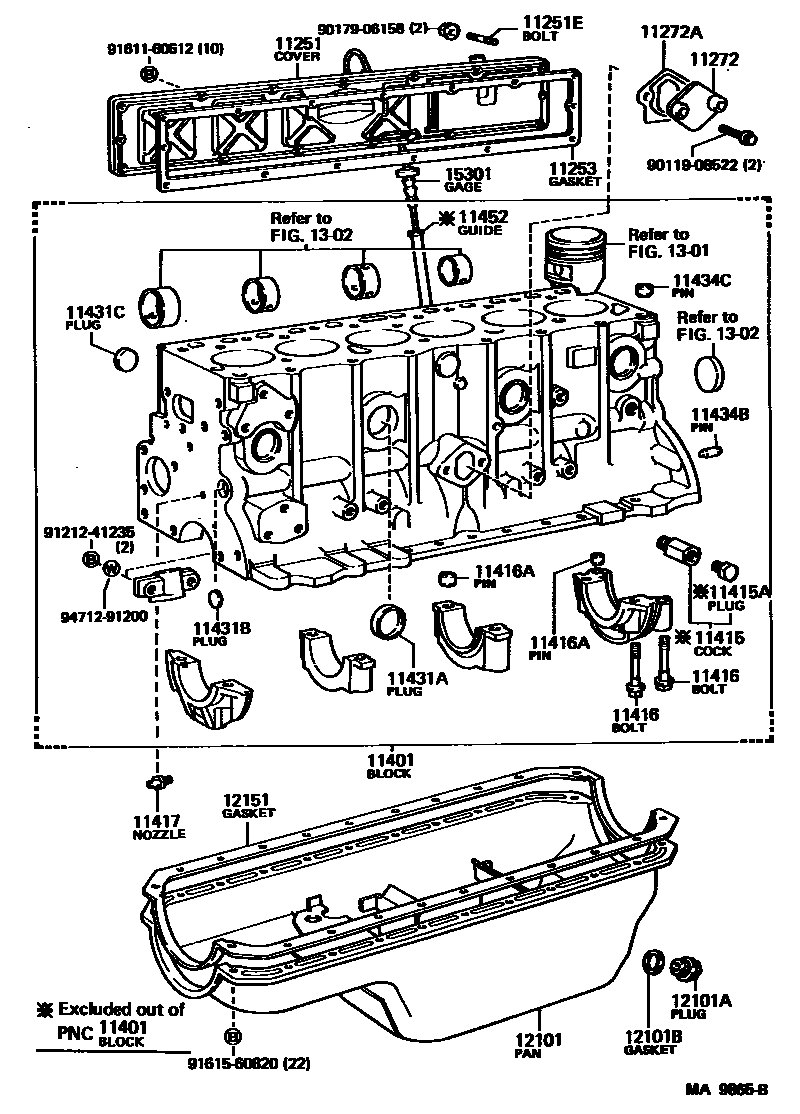
CYLINDER BLOCK

Parts diagram
11251COVER, VALVE PUSH ROD
main11251-61020i198808-199001
main11251-68010×2i198708-199001
11251EBOLT, STUD(FOR VALVE PUSH ROD COVER)
main90116-06022×2i198808-199001
11253GASKET, VALVE PUSH ROD COVER
main11253-61010i198808-198908
main11253-68010×2i198908-199001
main11253-68020×2i198908-199001
11272COVER, CYLINDER BLOCK SIDE, NO.2
main11495-61010i198808-199001
11272AGASKET, CYLINDER BLOCK SIDE COVER, NO.2
main90923-05011i198808-199001
11401BLOCK SUB-ASSY, CYLINDER
main11401-69196i198708-199001
main11401-69255i198708-199001
main11401-69306i198911-199001
11415COCK SUB-ASSY, WATER DRAIN(FOR CYLINDER BLOCK)
main96431-53828i198708-199001
main96431-53850i198708-199001
11415APLUG, WATER DRAIN COCK(FOR CYLINDER BLOCK)
main96432-23814i198708-199001
11416BOLT(FOR CRANKSHAFT BEARING CAP SET)
main90105-14033×6i198808-199001
NO.1,2,3,*18-2PX65-2
main90105-14039×14i198708-199001
main90910-02057×4i198808-199001
NO.4,*12-1.75PX68-26
11416APIN, RING(FOR CRANKSHAFT BEARING CAP SET)
main90253-16014×2i198808-199001
NO.4
main90253-18003×6i198808-199001
NO.1,2,3
11417NOZZLE, OIL
main90915-01014i198808-199001
11431APLUG, TIGHT, NO.1(FOR CYLINDER BLOCK)
main96411-43500×4i198708-199001
main96411-45000×5i198808-199001
11431BPLUG, TIGHT, NO.2(FOR CYLINDER BLOCK)
main90331-35002×2i198708-199001
OD=35,ID=12
main90331-35003×2i198708-199001
OD=35,ID=14
main90344-54003×2i198808-199001
main96411-42000i198708-199001
OD=20
11431CPLUG, TIGHT, NO.3(FOR CYLINDER BLOCK)
main96411-42500×4i198808-199001
main96411-45000×2i198708-199001
11434BPIN, STRAIGHT(FOR CLUTCH HOUSING SET)
main90250-08054×2i198708-199001
L=23,OD=8
main90250-10192×2i198808-199001
L=22,OD=10
11434CPIN, STRAIGHT (FOR CYLINDER HEAD SET)
main90250-06037i198708-199001
L=12,OD=6
main90250-08074i198708-199001
L=15,OD=8
main90253-17003×2i198808-199001
L=7,OD=16.5
11452GUIDE, OIL LEVEL GAGE
main11409-68020i198708-199001
main11452-61010i198808-199001
12101PAN SUB-ASSY, OIL
main12101-61030i198808-199001
main12101-68012i198708-199001
main12101-68030i198708-199001
12101APLUG(FOR OIL PAN DRAIN)
main90341-12012i198808-199001
main90341-18089i198708-199001
12101BGASKET(FOR OIL PAN DRAIN PLUG)
main90430-12019i198808-199001
main90430-18244i198708-199001
12151GASKET, OIL PAN
main12151-61011i198808-199001
1301CRANKSHAFT & PISTON
1302CAMSHAFT & VALVE
15301GAGE SUB-ASSY, OIL LEVEL
main15301-60031i198808-199001
main15301-68020i198708-199001
9011908522
9017906158
9121241235
9161160612
9161560820
9471291200

30 parts on this diagram · 3 diagrams in section

CYLINDER BLOCK — Toyota Parts Diagram with OEM Numbers & Prices | EPC Data