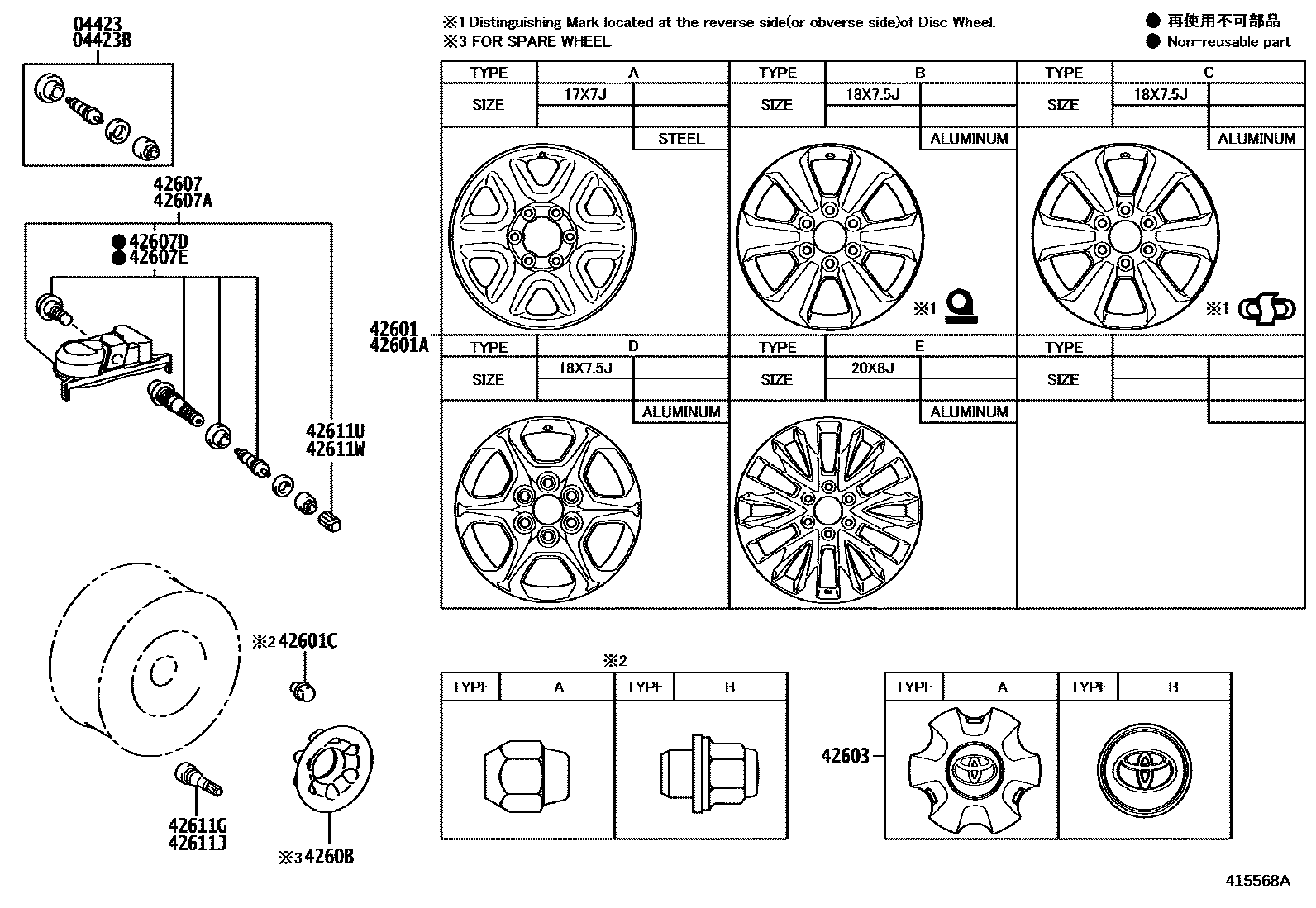
DISC WHEEL & WHEEL CAP

04423FITTING KIT, TIRE PRESSURE MONITOR OR BALANCER VALVE
main04423-33060×4iFJA300..RHD..(S,V);VJA300..RHD..(S,Z);FJA300..RHD..(A,Z)..GEN;FJA300,VJA300..LHD..7S..(A,S,V,Z)..GEN202411
INDIA SPEC&TIRE INFLATION PRESSURE WARNING-WITH(434MHZ)
04423BFITTING KIT, TIRE PRESSURE MONITOR OR BALANCER VALVE(SPARE)
TIRE INFLATION PRESSURE WARNING-WITH(434MHZ)
42601WHEEL, DISC
17X7J, #,TYPE A:REFER ILLUST.
18X7.5J,#,TYPE C:REFER ILLUST.
18X7.5J,#,TYPE B:REFER ILLUST.
18X7.5J,#,TYPE B:REFER ILLUST.
18X7.5J,#,TYPE D:REFER ILLUST.
18X7.5J, #,TYPE C:REFER ILLUST.
18X7.5J, #,TYPE B:REFER ILLUST.
18X7.5J, #,TYPE B:REFER ILLUST.
20X8J, #,TAJIKISTAN, TURKMENISTAN SPEC&TIRE & DISC WHEEL-265/55R20, 8J, ALUMINUM&TIRE INFLATION PRESSURE WARNING-WITHOUT,TYPE E:REFER ILLUST.
42601AWHEEL, DISC (FOR SPARE)
17X7J, #,TIRE & DISC WHEEL-245/75R17, 7J, STEEL,TYPE A:REFER ILLUST.
18X7.5J,#,TYPE C:REFER ILLUST.
18X7.5J,#,TYPE B:REFER ILLUST.
18X7.5J,#,TYPE B:REFER ILLUST.
18X7.5J,#,TIRE & DISC WHEEL-265/65R18, 7.5J, ALUMINUM(FOR GR SPORT),TYPE D:REFER ILLUST.
18X7.5J, #,TYPE C:REFER ILLUST.
18X7.5J, #,TYPE B:REFER ILLUST.
18X7.5J, #,TYPE B:REFER ILLUST.
20X8J, #,TAJIKISTAN, TURKMENISTAN SPEC&TIRE & DISC WHEEL-265/55R20, 8J, ALUMINUM&TIRE INFLATION PRESSURE WARNING-WITHOUT,TYPE E:REFER ILLUST.
42601CNUT, HUB (FOR AXLE)
TYPE B:REFER ILLUST.
TYPE B:REFER ILLUST.
TIRE & DISC WHEEL-245/75R17, 7J, STEEL,TYPE A:REFER ILLUST.
42603ORNAMENT SUB-ASSY, WHEEL HUB
main42603-60690×4iGRJ300..A,V;VJA300..5S..S;VJA300..A,G,V,Z;FJA300..7S..GEN;FJA300..5S..S..GEN;FJA300..ARL,EUR,GCC;VJA300..S..(GCC,GEN)202104-202411
*ALU,TYPE B:REFER ILLUST.
*STE,TIRE & DISC WHEEL-245/75R17, 7J, STEEL,TYPE A:REFER ILLUST.
42607VALVE SUB-ASSY, TIRE PRESSURE MONITOR
main42607-12020×4iVJA300..RHD..(S,Z);FJA300..RHD..A..GEN;FJA300..RHD..(S,V,Z);FJA300,VJA300..LHD..7S..(A,S,V,Z)..GEN202411
NEW ZEALAND SPEC&TIRE & DISC WHEEL-265/55R20, 8J, ALUMINUM&TIRE INFLATION PRESSUREWARNING-WITH(434MHZ)
42607AVALVE SUB-ASSY, TIRE PRESSURE MONITOR (FOR SPARE)
main42607-12020iVJA300..RHD..(S,Z);FJA300..RHD..A..GEN;FJA300..RHD..(S,V,Z);FJA300,VJA300..LHD..7S..(A,S,V,Z)..GEN202411
NEW ZEALAND SPEC&TIRE & DISC WHEEL-265/55R20, 8J, ALUMINUM&TIRE INFLATION PRESSUREWARNING-WITH(434MHZ)
42607DVALVE, TIRE PRESSURE MONITOR
main90942-05044×4iVJA300..RHD..(S,Z);FJA300..RHD..A..GEN;FJA300..RHD..(S,V,Z);FJA300,VJA300..LHD..7S..(A,S,V,Z)..GEN202411
NEW ZEALAND SPEC&TIRE & DISC WHEEL-265/55R20, 8J, ALUMINUM&TIRE INFLATION PRESSUREWARNING-WITH(434MHZ)
42607EVALVE, TIRE PRESSURE MONITOR (FOR SPARE)
TIRE INFLATION PRESSURE WARNING-WITH(434MHZ)
4260BCOVER SUB-ASSY, WHEEL HUB
main4260B-60520iGRJ300..A,V;VJA300..5S..S;VJA300..A,G,V,Z;FJA300..7S..GEN;FJA300..5S..S..GEN;FJA300..ARL,EUR,GCC;VJA300..S..(GCC,GEN)202411
42611GVALVE (FOR TUBELESS TIRE)
VIETNAM SPEC&TIRE & DISC WHEEL-265/55R20, 8J, ALUMINUM&TIRE INFLATION PRESSURE WARNING-WITHOUT
42611JVALVE (FOR TUBELESS TIRE SPARE)
TIRE INFLATION PRESSURE WARNING-WITHOUT
42611UCAP, TIRE VALVE
main90942-05039×4iVJA300..RHD..(S,Z);FJA300..RHD..A..GEN;FJA300..RHD..(S,V,Z);FJA300,VJA300..LHD..7S..(A,S,V,Z)..GEN202411
NEW ZEALAND SPEC&TIRE & DISC WHEEL-265/55R20, 8J, ALUMINUM&TIRE INFLATION PRESSUREWARNING-WITH(434MHZ)
42611WCAP, TIRE VALVE (FOR SPARE)
main90942-05039iVJA300..RHD..(S,Z);FJA300..RHD..A..GEN;FJA300..RHD..(S,V,Z);FJA300,VJA300..LHD..7S..(A,S,V,Z)..GEN202411
NEW ZEALAND SPEC&TIRE & DISC WHEEL-265/55R20, 8J, ALUMINUM&TIRE INFLATION PRESSUREWARNING-WITH(434MHZ)
15 parts on this diagram · 2 diagrams in section