E
EPC Data

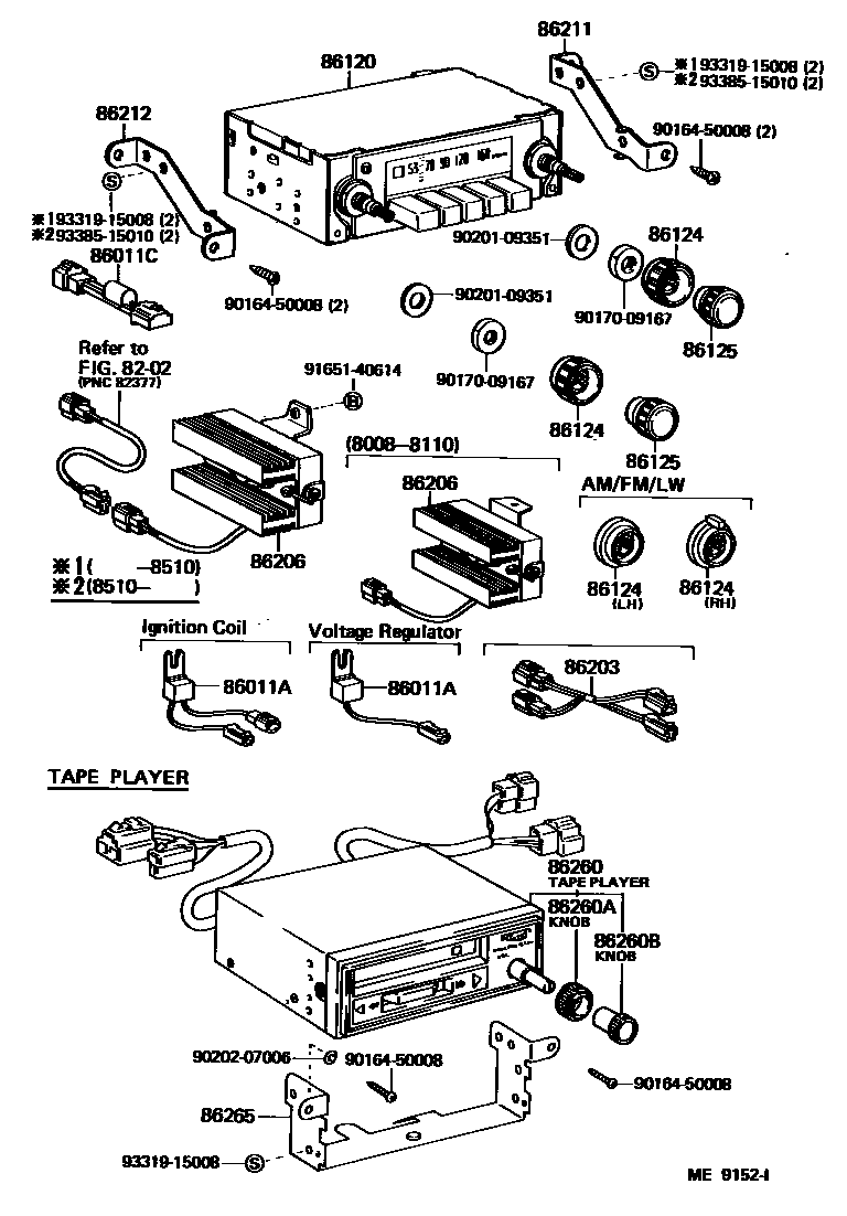
RADIO RECEIVER & AMPLIFIER & CONDENSER

Parts diagram
8202WIRING & CLAMP
86011ACONDENSER, RADIO SETTING
main90980-04038i198008-198607
IGNITION COIL
main90980-04040i198510-198708
GENERATOR REGULATOR
main90980-04064i198607-198708
IGNITION COIL
86011CFILTER, NOISE
main90980-05050i198205-198708
86120RECEIVER ASSY, RADIO
main86120-17080i198510-198708
*33
main86120-20210i198008-198708
AM/FM/LW
main86120-20230i198008-198210
AM
main86120-32050i198510-198708
*36,W/RR SPEAKER
main86120-89118i198411-198702
AM/FM MULTIPLEX
main86120-90A00i198008-198708
AM
main86120-90A02i198008-198103
AM/SW
main86120-90A03i198008-198708
AM/FM MONAURAL
main86120-90A06i198411-198708
AM/FM/LW,W/ARI
main86120-90A09i198210-198411
AM/FM,W/TAPE PLAYER
main86120-90A11i198411-198510
AM/FM,W/TAPE PLAYER
main86120-95A08i198702-198708
AM/SW
86124KNOB, RADIO RECEIVER CONTROL
main86124-20040×2i198008-198708
main86124-20050i198702-198708
AM/FM MULTIPLEX (BALANCE)
main86124-20060i198008-198708
RH
main86124-20090i198008-198708
LH
main86124-90A00×2i198210-198510
AM/FM,W/TAPE PLAYER
86125KNOB, RADIO RECEIVER SWITCH
main86125-20040×2i198008-198708
main86125-20060×2i198008-198708
main86125-90A00×2i198210-198510
AM/FM,W/TAPE PLAYER
86203WIRE, RADIO
main82133-90A00i198411-198510
main82133-90A01i198411-198510
main82133-90A03i198510-198708
W/*36
main82133-90A04i198510-198708
12V 65A(W/O *36)
main82133-90A05i198608-198708
12V 65A W/NON REVERSE STEREO
main86203-90A00i198009-198411
W/NON REVERSE STEREO
main86203-90A01i198210-198411
AM/FM,W/TAPE PLAYER
86206CONVERTER SUB-ASSY, VOLTAGE
main86206-90A00i198008-198110
24V
main86206-90A01i198110-198510
24V
main86206-90A02i198510-198708
24V
86211BRACKET, RADIO, NO.1
main86211-90A00i198008-198708
main86211-90A01i198008-198708
main86211-90A02i198411-198708
W/ARI
main86211-90A03i198210-198510
AM/FM,W/TAPE PLAYER
main86211-90A04i198510-198708
*33; *36,W/RR SPEAKER
main86211-90A05i198510-198708
*36,W/RR SPEAKER
86212BRACKET, RADIO, NO.2
main86212-90A00i198008-198708
main86212-90A01i198008-198708
main86212-90A02i198110-198411
W/ARI
86260TAPE PLAYER ASSY
main86260-22080i198008-198109
NON REVERSE
main86260-22081i198210-198708
NON REVERSE
main86260-90A00i198301-198411
AUTO REVERSE
86260AKNOB, TAPE PLAYER VOLUME
main86128-20070i198510-198708
AUTO REVERSE
86260BKNOB, TAPE PLAYER TONE
main86128-20090i198008-198210
AUTO REVERSE
86265BRACKET, TAPE PLAYER, NO.1
main86265-90A00i198008-198202
main86265-90A01i198008-198202
9016450008
9017009167
9020109351
9020207006
9165140614
9331915008
9338515010

21 parts on this diagram · 2 diagrams in section

RADIO RECEIVER & AMPLIFIER & CONDENSER — Toyota Parts Diagram with OEM Numbers & Prices | EPC Data