INDICATOR

3312
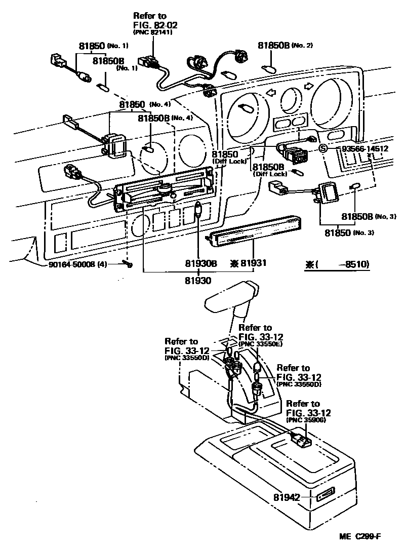
81850LAMP ASSY, INDICATOR
12V,NO.1
24V,NO.1
12V,NO.3,*FSW
12V,NO.3,*FSW,OMAN SPEC
24V,NO.3,*FSW
12V,NO.4,*ACW
24V,NO.4,*ACW
DIFF LOCK
DIFF LOCK
DIFF LOCK
81850BBULB, INDICATOR LAMP
12V 1.4W,NO.1
24V 1.4W,NO.1
12V 1.2W W/O SOCKET,12V 1.4W,NO.4,*ACW
12V 1.2W W/O SOCKET,12V 1.4W,NO.3,*FSW
12V 1.2W W/O SOCKET,12V 1.4W,DIFF LOCK
12V 1.2W W/O SOCKET,12V 1.4W,NO.3,*FSW,OMAN SPEC
24V 1.4W,24V 1.4W,NO.4,*ACW
24V 1.4W,24V 1.4W,NO.3,*FSW
12V 3.4W,12V 3.4W,NO.2
12V 3.4W,12V 3.4W,NO.2,*ACW
12V 3.4W,12V 3.4W,NO.2,*ACW,*48
24V 3W,24V 3W,NO.2
24V 3W,24V 3W,NO.2,*ACW
81930LAMP ASSY, HEATER CONTROL INDICATOR, NO.1
W/BOOST VENTILATOR
W/BOOST VENTILATOR
sub81930-90A09
sub81930-90A10
W/BOOST VENTILATOR
81930BBULB, HEATER CONTROL INDICATOR LAMP
12V 2W,12V
81931LENS, HEATER CONTROL INDICATOR
W/BOOST VENTILATOR
W/BOOST VENTILATOR
81942SHEET, HEATER CONTROL NAME
8202
9016450008
main90164-50008
9356614512
main93566-14512
10 parts on this diagram · 1 diagram in section