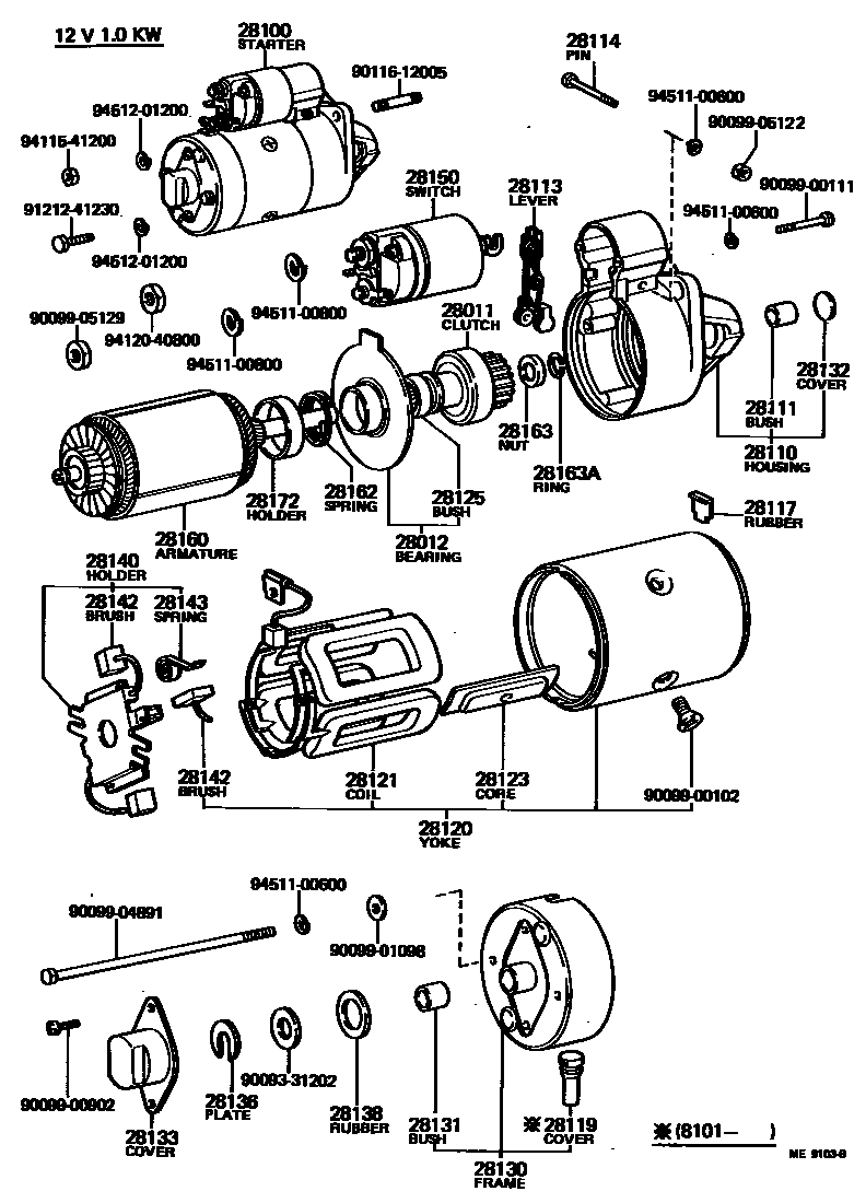
STARTER

28011CLUTCH SUB-ASSY, STARTER
12V 1.0KW
12V 2.5KW,24V 4.5KW
12V 1.0KW
28012BEARING SUB-ASSY, CENTER
28100STARTER ASSY
12V 2.5KW,12V 2.5KW,W/EDIC
12V 2.5KW,12V 2.5KW,W/EDIC
sub28100-47071
24V 4.5KW,24V 4.5KW,W/EDIC
24V 4.5KW,24V 4.5KW,W/EDIC
24V 4.5KW,W/EDIC
24V 4.5KW,W/EDIC
12V 2.5KW,W/O EDIC
24V 4.5KW,W/O EDIC
24V 4.5KW,W/O EDIC
12V 2.5KW,W/EDIC
12V 2.5KW,W/EDIC
12V 2.5KW
12V 1.0KW,12V 1.0KW
28110HOUSING ASSY, STARTER DRIVE
12V 1.0KW
12V 1.0KW
12V 2.5KW,24V 4.5KW
12V 2.5KW,24V 4.5KW
12V 2.5KW,24V 4.5KW
28111BUSH(FOR STARTER HOUSING)
12V 1.0KW
28113LEVER, STARTER PINION DRIVE
12V 1.0KW
28114PIN, STARTER DRIVE LEVER SET
12V 1.0KW
28117RUBBER(FOR STARTER YOKE)
12V 1.0KW
28119COVER, STARTER END FRAME
12V 2.5KW,W/EDIC,NO.2
12V 2.5KW,24V 4.5KW,NO.1
28120YOKE ASSY, STARTER
12V 1.0KW
12V 1.0KW
12V 2.5KW,W/O EDIC
24V 4.5KW
12V 2.5KW
12V 2.5KW,W/EDIC
24V 4.5KW
28121COIL, STARTER FIELD
28123CORE, STARTER POLE
12V 1.0KW
28125BUSH, STARTER CENTER BEARING
12V 1.0KW
28130FRAME ASSY, STARTER COMMUTATOR END
12V 1.0KW
12V 1.0KW
12V 1.0KW
28131BUSH, COMMUTATOR END FRAME
12V 1.0KW,STD
12V 1.0KW,U/S 0.3
12V 1.0KW,U/S 0.5
28132COVER, STARTER BEARING(FOR DRIVE HOUSING)
12V 1.0KW
28133COVER, BEARING(FOR END FRAME)
12V 1.0KW
28136PLATE, STARTER LOCK
12V 1.0KW
28138RUBBER(FOR STARTER BEARING COVER)
28140HOLDER ASSY, STARTER BRUSH
12V 1.0KW
12V 1.0KW
12V 2.5KW,24V 4.5KW
28142BRUSH, STARTER
12V 1.0KW,HOLDER
12V 1.0KW,YOKE
28143SPRING, STARTER BRUSH
12V 1.0KW
28150SWITCH ASSY, MAGNET STARTER
12V 1.0KW
12V 2.5KW
24V 4.5KW
24V 4.5KW
24V 4.5KW
12V 2.5KW
24V 4.5KW
12V 2.5KW
12V 2.5KW
12V 1.0KW
28160ARMATURE ASSY, STARTER
12V 1.0KW
24V 4.5KW
28162SPRING, STARTER BRAKE
12V 1.0KW
28163NUT OR COLLAR, PINION STOP, STARTER
12V 1.0KW
28163ARING, SNAP(FOR STARTER PINION STOP NUT)
12V 1.0KW
28172HOLDER, STARTER SPRING
12V 1.0KW
9009331202
main90093-31202
9009900102
main90099-00102
9009900111
main90099-00111
9009900902
main90099-00902
9009901098
main90099-01098
9009904891
main90099-04891
9009905122
main90099-05122
9009905129
main90099-05129
9011612005
main90116-12005
9121241230
main91212-41230
9411541200
main94115-41200
9412040800
main94120-40800
9451100600
main94511-00600
9451100800
main94511-00800
9451201200
main94512-01200
43 parts on this diagram · 4 diagrams in section