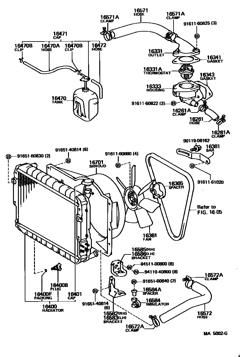
RADIATOR & WATER OUTLET

1605
16261ACLAMP OR CLIP, HOSE(FOR WATER BY-PASS HOSE)
ID=33
16331ATHERMOSTAT
*WAX 82-95,*WAX 82-95
COLD SPEC,*WAX 88-100
*WAX 88-100
16333HOUSING, WATER OUTLET
W/HEATER
*47,W/HEATER
W/O HEATER,W/BOOST VENTILATOR
*47,W/O HEATER
W/O THERMOSTAT
16361FAN
DIRECT,OD=410,6BLADES
OD=430,8BLADES,W/COOLER
TEMPERED,OD=430,7BLADES
HONG KONG SPEC,OD=430,7BLADES
TEMPERED,OD=450,7BLADES
DIRECT,OD=450,7BLADES
16365SPACER, FAN
16381BAR, FAN BELT ADJUSTING
W/POWER STEERING
W/POWER STEERING
12V-80A,W/O COOLER,COLD SPEC
16400BPLUG, RADIATOR DRAIN COCK
16400FPACKING(FOR RADIATOR DRAIN COCK)
16470TANK ASSY, RADIATOR RESERVE
16470AHOSE OR PIPE(FOR RADIATOR RESERVE TANK)
L=600(*H,L=360),12V BATTERY
sub90445-12078
16470BCLAMP OR CLIP(FOR RADIATOR RESERVE TANK HOSE)
16472HOSE, BREATHER
24V BATTERY
12V BATTERY
16571HOSE, RADIATOR, INLET
16572HOSE, RADIATOR, OUTLET
RADIATOR SIDE
WATER PUMP SIDE
RADIATOR SIDE
WATER PUMP SIDE
WATER PUMP SIDE,W/COOLER
RADIATOR SIDE,W/COOLER
16572ACLAMP OR CLIP, HOSE(FOR RADIATOR OUTLET NO.1)
sub96111-10500
RADIATOR SIDE
W/COOLER
ID=51
W/COOLER
RADIATOR SIDE
ID=56
WATER PUMP SIDE
WATER PUMP SIDE
PIPE SIDE
16582BRACKET, RADIATOR, NO.1
16583BRACKET, RADIATOR, NO.2
16584INSULATOR, RADIATOR MOUNTING
16584ASPACER, RADIATOR MOUNTING INSULATOR
16585BRACKET, RADIATOR, NO.3
16586BRACKET, RADIATOR, NO.4
16701SHROUD SUB-ASSY, FAN
sub16711-58011
sub16711-58040
DIRECT
HONG KONG SPEC
TEMPERED
DIRECT,OD=450,7BLADES FAN
OD=430,8BLADES,W/O *ODAC
W/*ODAC
sub16711-61241
9011908162
main90119-08162
9161160822
main91611-60822
9161160825
main91611-60825
9161160860
main91611-60860
9161161020
main91611-61020
9165140814
main91651-40814
9165160830
main91651-60830
9165160840
main91651-60840
9411040800
main94110-40800
9451100800
main94511-00800
41 parts on this diagram · 5 diagrams in section