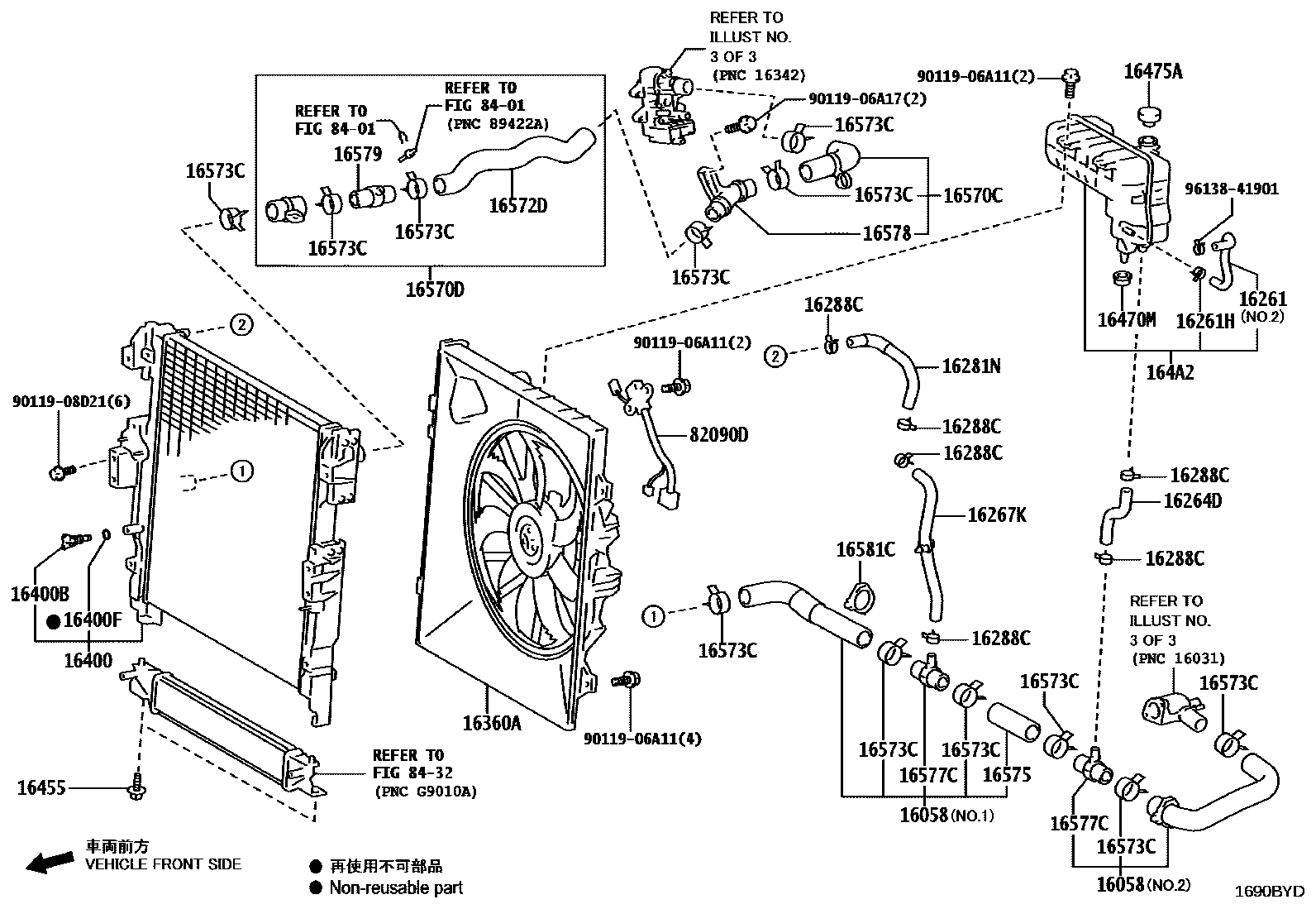
RADIATOR & WATER OUTLET

16058HOSE SUB-ASSY, RADIATOR, NO.2
NO.1:REFER ILLUST.
NO.2:REFER ILLUST.
16261HOSE, WATER BY-PASS
NO.1:REFER ILLUST.
NO.2:REFER ILLUST.
16261HCLIP(FOR WATER BY-PASS HOSE NO.1)
NO.1:REFER ILLUST.
16264HOSE, WATER BY-PASS, NO.2
16264DHOSE, WATER BY-PASS, NO.2
16267HOSE, WATER BY-PASS, NO.3
16267KHOSE, WATER BY-PASS, NO.3
16281HOSE, WATER BY-PASS, NO.4
16281NHOSE, WATER BY-PASS, NO.4
16288PIPE, WATER BY-PASS, NO.4
16288CCLIP(FOR WATER BY-PASS PIPE NO.4)
16360AFAN ASSY, W/MOTOR
16400BPLUG, RADIATOR DRAIN COCK
##
16400FPACKING(FOR RADIATOR DRAIN COCK)
##
16455BOLT, RADIATOR SIDE SUPPORT PLATE
16470MGROMMET
16475ACAP, RESERVE TANK
164A2TANK, RESERVE SEALED W/O CAP
16570CPIPE ASSY, RADIATOR, NO.1
16570DPIPE ASSY, RADIATOR, NO.2
16573CCLAMP OR CLIP, RADIATOR HOSE, NO.3
16575HOSE, RADIATOR, NO.5
16577CPIPE, RADIATOR
16578PIPE, RADIATOR, NO.2
16579PIPE, RADIATOR, NO.3
16581CLAMP, HOSE(FOR WATER HOSE)
16581CCLAMP, HOSE(FOR RADIATOR HOSE NO.2)
82090DWIRE ASSY, EXTENSION
8401SWITCH & RELAY & COMPUTER
8432INVERTER COOLING
9011906A11
main90119-06A11
9011906A17
main90119-06A17
9011908D21
main90119-08D21
9613841901
main96138-41901
36 parts on this diagram · 7 diagrams in section