E
EPC Data

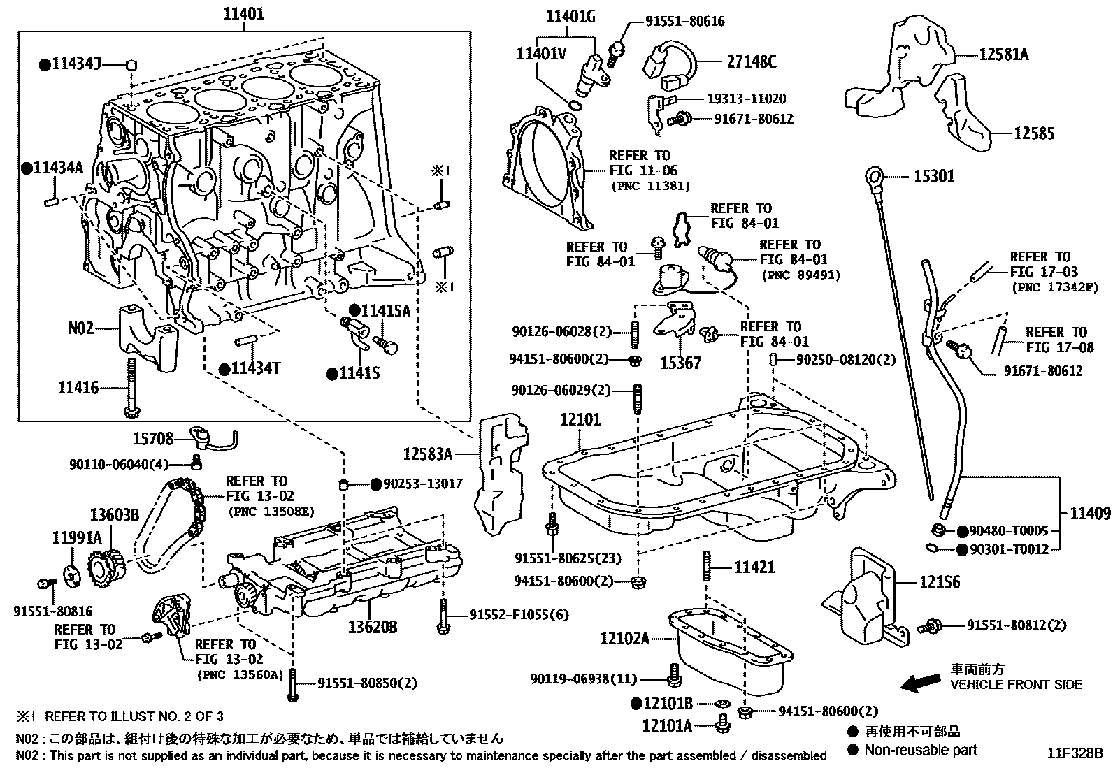
CYLINDER BLOCK

Parts diagram
1106TIMING GEAR COVER & REAR END PLATE
11401BLOCK SUB-ASSY, CYLINDER
main11401-09A61i202108-202312
main11401-75081i201708-202011
*119
main11401-75082i202012-202108
*119
main11401-80823i201708-201908
main11401-80846i201708-201910
main11401-80853i201908-202007
main11401-80859i201910-202312
main11401-80868i202008-202312
main11401-80884i201708-202008
11401GSENSOR, CRANK POSITION
main90919-05057i201708-202312
main90919-05073i201708-202312
11401VO-RING, CRANK POSITION SENSOR
main90301-14016i201708-202312
11409GUIDE SUB-ASSY, OIL LEVEL GAGE
main11409-0E010i201708-201709
main11409-0E011i201710-202312
main11409-30090i201708-202007
11415COCK SUB-ASSY, WATER DRAIN(FOR CYLINDER BLOCK)
main90910-09118i201708-202312
main90910-09128i201708-202312
main90910-09129i201708-202312
11415APLUG, WATER DRAIN COCK(FOR CYLINDER BLOCK)
main90910-09087i201708-202312
11416BOLT(FOR CRANKSHAFT BEARING CAP SET)
main90910-02113×10i201708-202007
main90910-02176×16i201708-202312
main90910-02179×10i201708-202012
main90910-02191×10i201708-202312
main90910-T2002×10i202304-202312
(L)
11421BOLT, STUD(FOR OIL PAN)
main90126-06028×2i201708-202312
11434APIN, STRAIGHT(FOR TIMING GEAR COVER SET)
main90250-08120×2i201708-202007
L=18,OD=8
11434JPIN, RING (FOR CYLINDER HEAD SET)
main90250-04097×4i201708-202312
main90253-15001×2i201708-202312
main90253-15016×2i201708-202007
11434TPIN, RING(FOR TIMING BELT IDLER BRACKET SET)
main90250-10030i201708-202312
11991APLATE, BALANCESHAFT THRUST, NO.1
main11991-11010i201708-202312
12101PAN SUB-ASSY, OIL
main12101-30081i201708-202007
main12101-31170i201708-202312
main12101-75160i201708-202312
main12111-11150i201708-202312
main12101-31160i201708-202312
ECUADOR SPEC
12101APLUG(FOR OIL PAN DRAIN)
main90341-12012i201708-202007
12101BGASKET(FOR OIL PAN DRAIN PLUG)
main90430-12031i201708-202312
12102APAN SUB-ASSY, OIL, NO.2
main12102-11010i201708-202312
main12102-30020i201708-202007
main12102-31010i201708-202312
main12102-75021i201708-202312
12156INSULATOR, OIL PAN
main12156-30020i201708-202007
12581AINSULATOR, CYLINDER BLOCK, NO.1
main12581-11020i201708-202312
12583AINSULATOR, CYLINDER BLOCK, NO.3
main12583-11020i201708-202312
12585INSULATOR, CYLINDER BROCK, NO.5
main12585-11020i201708-202312
1302CAMSHAFT & VALVE
13603BGEAR SUB-ASSY, BALANCESHAFT
main13603-11010i201708-202312
13620BBALANCER ASSY, ENGINE
main13620-11010i201708-201804
main13620-11011i201805-201912
main13620-11012i202001-202012
main13620-11013i202101-202312
15301GAGE SUB-ASSY, OIL LEVEL
main15301-11080i201708-202312
main15301-50140i201708-202312
main15301-66020i201708-202007
main15301-75130i201708-202312
15367BRACKET, OIL LEVEL SENSOR
main15367-11010i201708-202312
15708NOZZLE SUB-ASSY, OIL, NO.1
main15708-11010×4i201708-202312
main15708-30011×4i201708-202007
main15708-31030×3i201708-202312
main15708-75020×4i201708-202312
1703AIR CLEANER
1708VACUUM PIPING
27148CWIRE, CONNECTING
main27148-11010i201708-202312
8401SWITCH & RELAY & COMPUTER
1931311020BRACKET, CRANK POSITION SENSOR HARNESS
9011006040
9011906938
9012606028
9012606029
9025008120
9025313017
90301T0012
90480T0005
9155180616
9155180625
9155180812
9155180816
9155180850
91552F1055
9167180612
9415180600

48 parts on this diagram · 8 diagrams in section

CYLINDER BLOCK — Toyota Parts Diagram with OEM Numbers & Prices | EPC Data