E
EPC Data

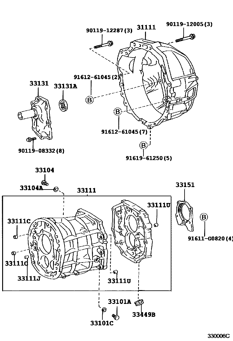
CLUTCH HOUSING & TRANSMISSION CASE (MTM)

Parts diagram
31111HOUSING, CLUTCH
main31111-35090i199604-199906
main31111-35101i199604-199906
33101APLUG(FOR MANUAL TRANSMISSION FILLER)
main90341-18006i199604-199906
33101CGASKET(FOR MANUAL TRANSMISSION FILLER PLUG)
main90430-18008i199604-199906
33104PLUG SUB-ASSY, DRAIN(MTM)
main90341-18006i199906-200008
33104AGASKET, DRAIN PLUG(MTM)
main90430-18008i199604-199906
33111CASE, MANUAL TRANSMISSION
main33101-60040i199604-199906
main33101-60050i200008-200209
33111CPLUG(FOR TRANSMISSION CASE)
main90331-14004i199604-199906
OD=14
main96411-41800×3i199604-199906
OD=18
33111JPIN, STRAIGHT(FOR MANUAL TRANSMISSION CASE)
main90250-12002×2i199604-199906
L=16,OD=12
33111UPIN, RING(FOR MANUAL TRANSMISSION CASE)
main90253-15001×4i199604-199906
L=14,OD=15
33131RETAINER, BEARING, FRONT(MTM)
main33131-35031i199604-199906
33131ASEAL, OIL(FOR TRANSMISSION FRONT BEARING RETAINER)
main90311-32012i199604-199906
33151RETAINER, OUTPUT SHAFT REAR BEARING(MTM)
main33151-35020i199604-199906
33449BMAGNET, TRANSMISSION
main33449-35030i199604-199906
9011908332
9011912005
9011912287
91611G0820
9161261045
9161961250

19 parts on this diagram · 2 diagrams in section

CLUTCH HOUSING & TRANSMISSION CASE (MTM) — Toyota Parts Diagram with OEM Numbers & Prices | EPC Data