E
EPC Data

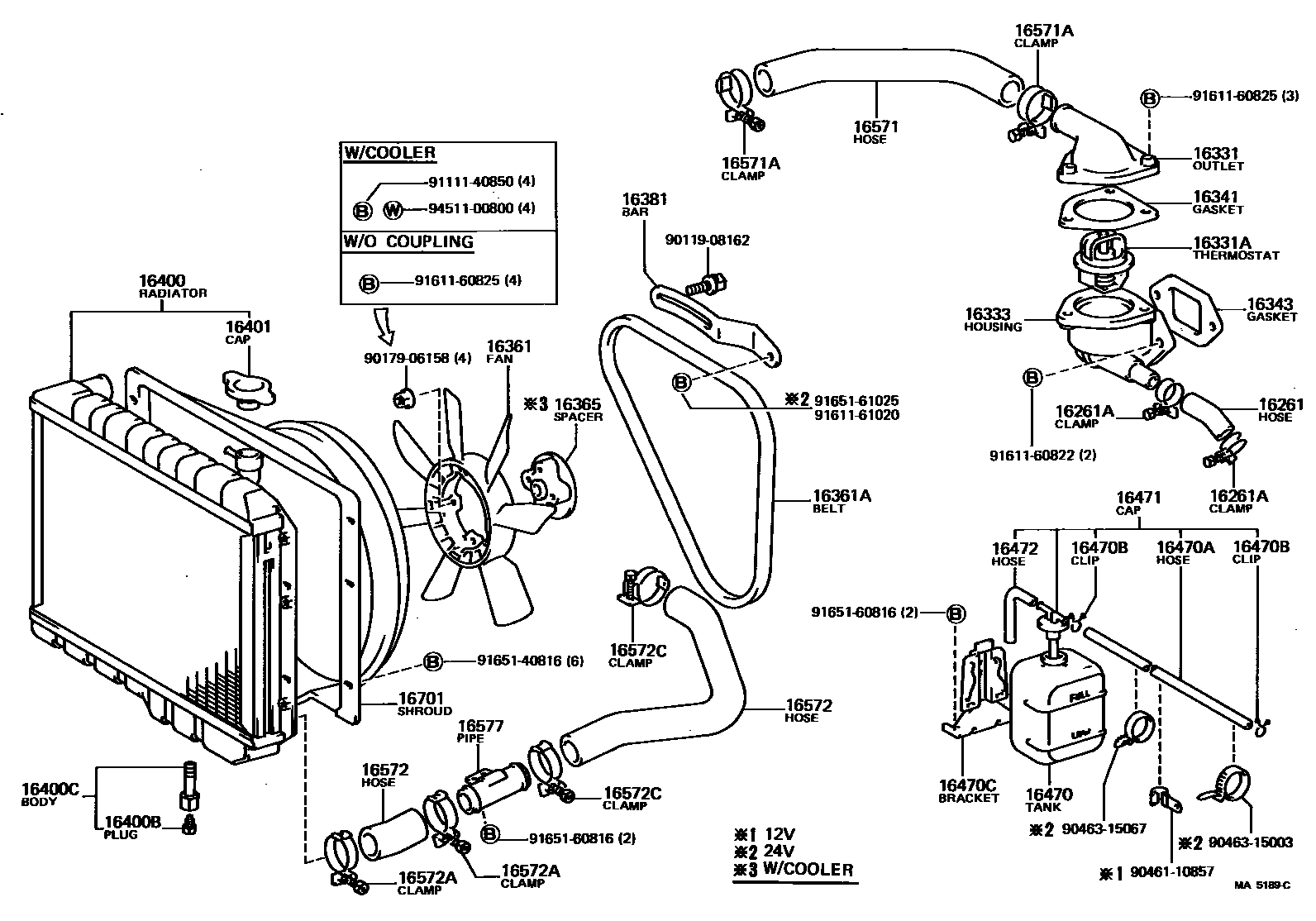
RADIATOR & WATER OUTLET

Parts diagram
16261HOSE, WATER BY-PASS
main16261-56011i198008-198110
main16261-56012i198110-198410
main16261-60011i198008-198604
main99553-40090i198008-198309
main99555-40090i198309-198506
16261ACLAMP OR CLIP, HOSE(FOR WATER BY-PASS HOSE)
main90044-60053×2i198008-198410
main96111-10330×2i198008-198506
main96112-10330×2i198008-198604
16331OUTLET, WATER
main16331-56020i198008-198110
main16331-56030i198110-198410
main16331-68010i198008-198411
main16331-68011i198411-198506
main16333-61100i198008-198604
main16333-61110i198008-198604
W/OIL COOLER
16331ATHERMOSTAT
main90916-03026i198008-198506
*WAX 82-95,*WAX 82-95
main90916-03039i198008-198010
*WAX 82-95,*WAX 82-95
main90916-03052i198008-198411
*WAX 88-100,*WAX 88-100
main90916-03058i198010-198204
*WAX 82-95,*WAX 82-95
main90916-03059i198110-198410
*WAX 88-100,*WAX 88-100
main90916-03066i198204-198410
*WAX 82-95,*WAX 82-95
main90916-03071i198411-198604
*WAX 88-100
16333HOUSING, WATER OUTLET
main16331-61032i198401-198410
VICTORIA SPEC
main16331-61041i198008-198604
main16333-56040i198008-198110
main16333-56060i198110-198410
main16333-68010i198008-198506
main16333-68020i198008-198411
W/O THERMOSTAT
16341GASKET, WATER OUTLET
main16341-56020i198008-198410
main16341-61020i198008-198604
main16341-68010i198008-198506
16343GASKET, WATER OUTLET HOUSING
main16343-56020i198008-198410
main16343-60010i198008-198411
main16343-61010i198411-198604
main16343-68010i198008-198506
16361FAN
main16361-38010i198404-198410
TEMPATO,OD=380,7BLADES
main16361-56010i198008-198410
OD=380,6BLADES
main16361-60090i198008-198604
DIRECT,OD=410,6BLADES
main16361-60101i198008-198604
DIRECT,OD=430,8BLADES
main16361-61011i198008-198410
TEMPERED,OD=430,7BLADES
main16361-61020i198008-198410
TEMPERED,OD=450,7BLADES
main16361-68030i198008-198210
main16361-68031i198210-198410
main16361-68040i198008-198506
16361ABELT, V(FOR FAN & ALTERNATOR)
main99343-01065i198204-198506
main99343-01075i198008-198204
main99343-01195i198008-198410
main99343-11060i198008-198604
DIRECT FAN
main99343-11070i198008-198202
HONG KONG SPEC
main99343-11265i198008-198309
*NSW
16365SPACER, FAN
main16365-57021i198110-198410
W/PS
main16365-60020i198008-198410
W/COOLER OR W/PS & COOLER
16381BAR, FAN BELT ADJUSTING
main16381-56030i198008-198410
main16381-56050i198110-198410
W/PS
main16381-60081i198008-198604
main16381-61011i198008-198309
*NSW
main16381-68010i198008-198506
16400RADIATOR ASSY
main16400-56100i198008-198110
MARK 56100
main16400-56101i198210-198410
MARK 56101
main16400-56110i198008-198110
MARK 56110; MARK 56110, HEAVY DUTY
main16400-56111i198210-198410
MARK 56111; MARK 56111, HEAVY DUTY
main16400-61020i198008-198604
main16400-61030i198401-198410
TEMPERED
main16400-68030i198008-198506
16400BPLUG, RADIATOR DRAIN COCK
main96431-23814i198008-198505
L=29
main96432-23814i198505-198604
L=24
16400CBODY, RADIATOR DRAIN COCK
main90910-09066i198008-198103
main96431-03873i198103-198410
16401CAP SUB-ASSY, RADIATOR
main16401-41021i198008-198604
16470TANK ASSY, RADIATOR RESERVE
main16480-24010i198210-198410
12V BATTERY
main16480-41140i198210-198410
24V BATTERY
16470AHOSE OR PIPE(FOR RADIATOR RESERVE TANK)
main90445-12023i198008-198110
L=600(*H,L=380),24V BATTERY
main90445-12043i198210-198410
L=600(*H,L=360),12V BATTERY
main90445-12063i198210-198410
24V BATTERY
main90445-12078i198008-198110
L=600,12V BATTERY
16470BCLAMP OR CLIP(FOR RADIATOR RESERVE TANK HOSE)
main90467-11085×2i198008-198506
16470CBRACKET(FOR RADIATOR RESERVE TANK)
main16402-56010i198008-198110
24V BATTERY
main16402-56011i198210-198410
24V BATTERY
main16402-56040i198210-198410
12V BATTERY
16471CAP SUB-ASSY, RESERVE TANK
main16405-56011i198008-198110
24V BATTERY
main16405-56012i198210-198410
24V BATTERY
main16405-56021i198008-198110
12V BATTERY
main16405-56022i198210-198410
12V BATTERY
main16405-60011i198008-198410
main16405-60031i198008-198506
16472HOSE, BREATHER
main85338-22020i198008-198410
16571HOSE, RADIATOR, INLET
main16571-56010i198008-198110
main16571-56011i198110-198410
main16571-61042i198008-198604
main16571-68020i198008-198506
16571ACLAMP OR CLIP, HOSE(FOR RADIATOR INLET)
main90460-50016×2i198008-198410
ID=50
main90467-42001×2i198008-198604
16572HOSE, RADIATOR, OUTLET
main16571-61050i198008-198604
RADIATOR SIDE
main16571-61071i198008-198604
RADIATOR SIDE, W/COOLER
main16572-56060i198008-198110
WATER PUMP SIDE
main16572-56061i198110-198301
WATER PUMP SIDE
main16572-56062i198301-198410
WATER PUMP SIDE
main16572-68020i198008-198506
main16573-56020i198008-198110
RADIATOR SIDE
main16573-56021i198110-198207
RADIATOR SIDE
main16573-56022i198207-198410
RADIATOR SIDE
main90916-01056i198008-198604
WATER PUMP SIDE
main90916-01163i198309-198410
WATER PUMP SIDE, W/COOLER
16572ACLAMP OR CLIP, HOSE(FOR RADIATOR OUTLET NO.1)
main90460-50016i198008-198506
ID=50
main96111-10510×2i198010-198604
RADIATOR SIDE; W/COOLER
main96111-10530×2i198008-198010
RADIATOR SIDE; W/COOLER
main96111-10560i198008-198506
ID=56
main96111-10580i198008-198604
PIPE SIDE
16572CCLAMP OR CLIP, HOSE(FOR RADIATOR OUTLET NO.2)
main90460-50016i198008-198410
PIPE SIDE,ID=50
main96111-10560i198008-198410
WATER PUMP SIDE,ID=56
main96111-10580×2i198008-198604
16577PIPE, RADIATOR, NO.7
main16577-56020i198008-198110
main16577-56021i198110-198410
main16577-61030i198008-198604
W/O HEATER
main16577-61040i198008-198604
W/HEATER
main16577-61110i198008-198604
W/COOLER
main16577-61120i198309-198410
W/HEATER & COOLER
16701SHROUD SUB-ASSY, FAN
main16701-56022i198008-198110
main16701-56240i198207-198410
W/PS,TEMPATO FAN
main16711-47040i198008-198506
main16711-61021i198008-198604
OD=410, 6BLADES FAN
main16711-61031i198008-198604
OD=430, 8BLADES FAN
main16711-61080i198008-198410
TEMPERED,OD=450,7BLADES FAN
main16711-61091i198008-198410
TEMPERED,OD=430 7BLADES FAN
9011908162
9017906158
9046110857
9046315003
9046315067
9111140850
9161160822
9161160825
9161161020
9165140816
9165160816
9165161025
9451100800

41 parts on this diagram · 7 diagrams in section

RADIATOR & WATER OUTLET — Toyota Parts Diagram with OEM Numbers & Prices | EPC Data