E
EPC Data

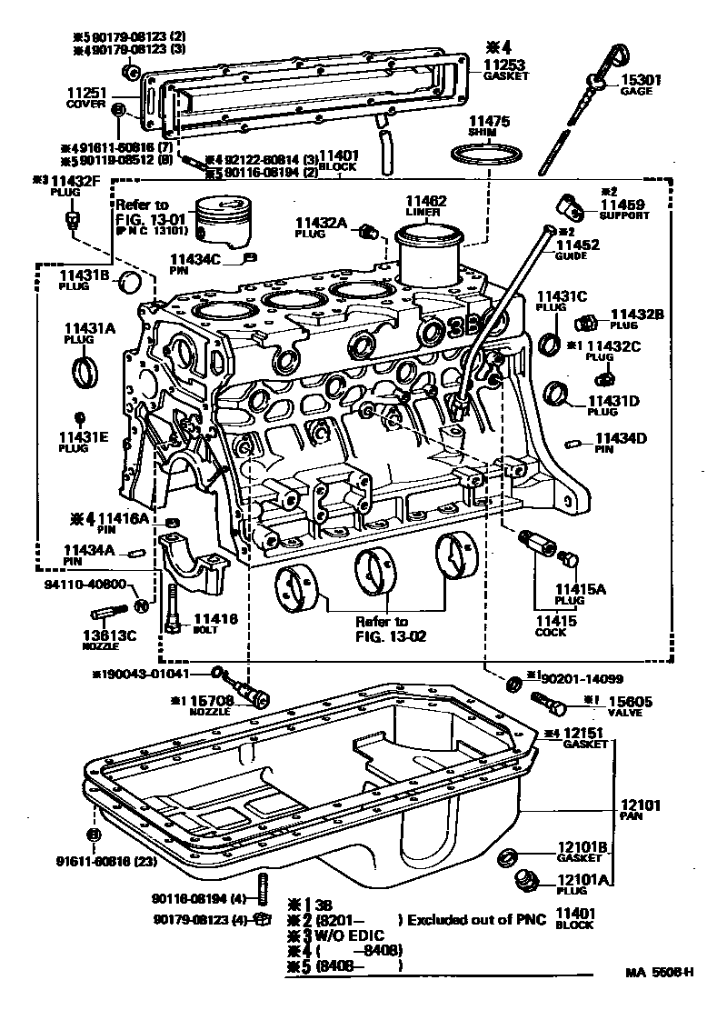
CYLINDER BLOCK

Parts diagram
11251COVER, VALVE PUSH ROD
main11203-56030i198008-198408
main11203-56040i198408-198410
main11203-61011i198008-198604
main11251-68010i198008-198506
11253GASKET, VALVE PUSH ROD COVER
main11253-56010i198008-198408
main11253-60010i198008-198604
main11253-68010i198008-198506
11401BLOCK SUB-ASSY, CYLINDER
main11401-59075i198008-198201
main11401-59115i198201-198209
main11401-59125i198201-198209
main11401-59205i198209-198403
main11401-59206i198403-198408
main11401-59225i198209-198403
main11401-59226i198403-198408
main11401-59265i198408-198410
main11401-69055i198008-198410
main11401-69056i198410-198604
main11401-69065i198008-198309
*NSW
main11401-69065i198008-198410
main11401-69065i198401-198410
VICTORIA SPEC
main11401-69065i198008-198202
HONG KONG SPEC
main11401-69075i198008-198411
main11401-69195i198411-198506
11415COCK SUB-ASSY, WATER DRAIN(FOR CYLINDER BLOCK)
main90910-09070i198407-198504
main96431-03833i198008-198410
main96431-53828i198504-198604
11415APLUG, WATER DRAIN COCK(FOR CYLINDER BLOCK)
main90910-09072i198407-198504
main96431-23814i198008-198410
main96432-23814i198504-198604
11416BOLT(FOR CRANKSHAFT BEARING CAP SET)
main90101-13001i198008-198408
*13-1.5PX78.5-20
main90105-13001i198008-198506
main90105-14033i198410-198604
FR,*18-2PX65-27
main90109-16001i198408-198410
*16-2PX88.5-32
main90910-02054i198008-198410
FR,*14-2.0PX67-29
main90910-02057i198008-198604
RR,*12-1.75PX68-26
11416APIN, RING(FOR CRANKSHAFT BEARING CAP SET)
main90253-16014i198008-198604
NO.4
main90253-17007i198008-198406
NO.1.2.3
main90253-18001i198008-198506
main90253-18002i198008-198408
main90253-18003i198406-198604
NO.1.2.3
11431APLUG, TIGHT, NO.1(FOR CYLINDER BLOCK)
main90331-51032i198008-198410
OD=51
main96411-43500i198008-198506
OD=35
main96411-45000i198008-198604
OD=50
11431BPLUG, TIGHT, NO.2(FOR CYLINDER BLOCK)
main90330-24013i198008-198406
main90331-35002i198008-198506
OD=35,ID=12
main90331-35003i198008-198506
OD=35,ID=14
main90344-54003i198406-198604
main96411-12800i198008-198410
OD=28
main96411-42000i198008-198506
OD=20
11431CPLUG, TIGHT, NO.3(FOR CYLINDER BLOCK)
main90331-50015i198008-198209
OD=50
main96411-13000i198008-198410
OD=30
main96411-42500i198008-198604
OD=25
main96411-45000i198209-198506
OD=50
11431DPLUG, TIGHT, NO.4(FOR CYLINDER BLOCK)
main96411-13500i198008-198410
OD=35
11431EPLUG, TIGHT, NO.5(FOR CYLINDER BLOCK)
main90330-21012i198008-198506
OD=21
main96411-11400i198008-198410
OD=14
11432APLUG, W/HEAD TAPER SCREW, NO.1
main90043-45027i198008-198410
main90345-51003i198008-198506
11432BPLUG, W/HEAD TAPER SCREW, NO.2
main90345-51003i198008-198506
main90345-53001i198008-198410
11432CPLUG, W/HEAD TAPER SCREW, NO.3
main90345-52001i198008-198410
11432FPLUG, W/HEAD TAPER SCREW, NO.4
main90043-45010i198008-198410
W/O EDIC
11434APIN, STRAIGHT(FOR TIMING GEAR COVER SET)
main90250-08054i198008-198506
L=23,OD=8,L=23,OD=8
main90250-08120i198008-198506
L=18,OD=8,L=18,OD=8
11434CPIN, STRAIGHT (FOR CYLINDER HEAD SET)
main90250-06037i198008-198506
L=12,OD=6,FR,L=12,OD=6
main90250-08074i198008-198506
L=15,OD=8,RR,L=15,OD=8
main90253-15005i198008-198410
L=7,OD=14.5
main90253-17003i198008-198604
L=7,OD=16.5
11434DPIN, STRAIGHT(FOR ENGINE REAR OIL SEAL)
main90250-08054i198008-198506
L=23,OD=8,L=23,OD=8
main90250-08120i198008-198410
L=18,OD=8
11452GUIDE, OIL LEVEL GAGE
main11409-68010i198008-198506
main11452-56040i198008-198408
main11452-56050i198408-198410
main11452-60013i198008-198410
main11452-61010i198410-198604
11459SUPPORT, OIL LEVEL GAGE GUIDE
main11459-56040i198008-198410
main11459-68010i198008-198506
main11459-68011i198311-198411
11462LINER, CYLINDER
main11461-56020i198008-198408
main11461-56030i198408-198410
main11461-58010i198008-198408
main11461-58020i198408-198410
main11461-68010i198008-198411
11475SHIM, CYLINDER LINER
main11475-56020i198008-198408
T=0.05
main11475-56030i198408-198410
T=0.05
main11475-58010i198008-198410
T=0.05
main11475-68010i198008-198411
T=0.05
main11476-56020i198008-198408
T=0.10
main11476-56030i198408-198410
T=0.10
main11476-58010i198008-198410
T=0.10
main11476-68010i198008-198411
T=0.10
12101PAN SUB-ASSY, OIL
main12101-56060i198408-198410
main12101-59145i198008-198408
main12101-61010i198008-198205
main12101-61011i198205-198604
main12101-68011i198411-198506
main12101-69045i198008-198411
12101APLUG(FOR OIL PAN DRAIN)
main90341-18089i198205-198604
OD=18
main90341-18089i198008-198205
main90341-25054i198008-198205
OD=25
12101BGASKET(FOR OIL PAN DRAIN PLUG)
main90430-18013i198601-198604
ID=18
main90430-18244i198008-198205
main90430-18244i198205-198601
ID=18
main90430-25013i198008-198205
ID=25
12151GASKET, OIL PAN
main12151-56030i198008-198408
main12151-60021i198008-198410
main12151-61010i198410-198604
main12151-68010i198008-198506
1301
1302
13613CNOZZLE, OIL
main90915-01015i198008-198410
15301GAGE SUB-ASSY, OIL LEVEL
main15301-56020i198008-198408
main15301-56040i198408-198410
main15301-60031i198008-198604
main15301-68010i198008-198506
15605VALVE SUB-ASSY, OIL CHECK
main15605-58010i198008-198410
15708NOZZLE SUB-ASSY, OIL, NO.1
main15708-58010i198008-198408
main15708-58020i198408-198410
9004301041
9011608194
9011908512
9017908123
9020114099
9161160816
9212260814
9411040800

41 parts on this diagram · 4 diagrams in section

CYLINDER BLOCK — Toyota Parts Diagram with OEM Numbers & Prices | EPC Data