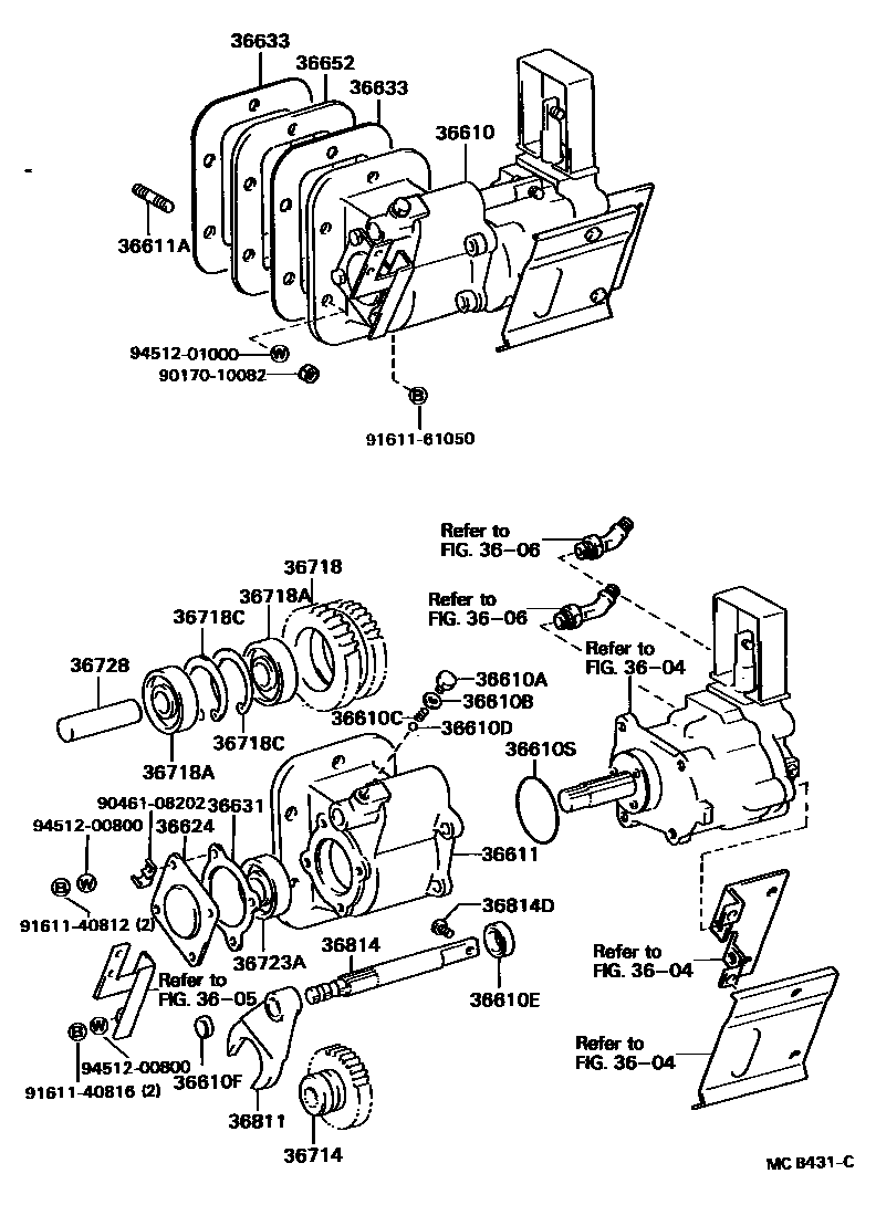
POWER TAKE-OFF CASE & GEAR

3604
3605
3606
36610POWER TAKE-OFF ASSY
36610ABOLT, LOCK BALL (FOR POWER TAKE-OFF)
36610BGASKET, SEAT (FOR POWER TAKE-OFF)
T=0.5,T=1.5
T=1,T=1.0
36610CSPRING, GEAR SHIFT FORK LOCK BALL (FOR POWER TAKE-OFF)
36610DBALL, GEAR SHIFT FORK LOCK (FOR POWER TAKE-OFF)
36610ESEAL, OIL (FOR POWER TAKE-OFF)
36610FPLUG, EXPANSION (FOR POWER TAKE-OFF)
36610SRING, O (FOR POWER TAKE-OFF)
36611ABOLT, STUD (FOR POWER TAKE-OFF CASE)
36624CAP, POWER TAKE-OFF BEARING
36631GASKET, POWER TAKE-OFF BEARING RETAINER
36652SPACER, POWER TAKE-OFF CASE
36714GEAR, POWER TAKE-OFF OUTPUT
36718GEAR, POWER TAKE-OFF IDLER
36718CRING, HOLE SNAP(FOR POWER TAKE-OFF IDLER GEAR)
36723SHAFT, POWER TAKE-OFF OUTPUT, NO.1
36723ABEARING (FOR OUTPUT SHAFT FRONT)
36728SHAFT, POWER TAKE-OFF IDLER
36811FORK, POWR TAKE-OFF SHIFT, NO.1
36814SHAFT, POWR TAKE-OFF FORK, NO.1
36814DBOLT, SERRATION (FOR POWER TAKE-OFF SHAFT)
9017010082
main90170-10082
9046108202
main90461-08202
9161140812
main91611-40812
9161140816
main91611-40816
9161161050
main91611-61050
9451200800
main94512-00800
9451201000
main94512-01000
34 parts on this diagram · 2 diagrams in section