E
EPC Data

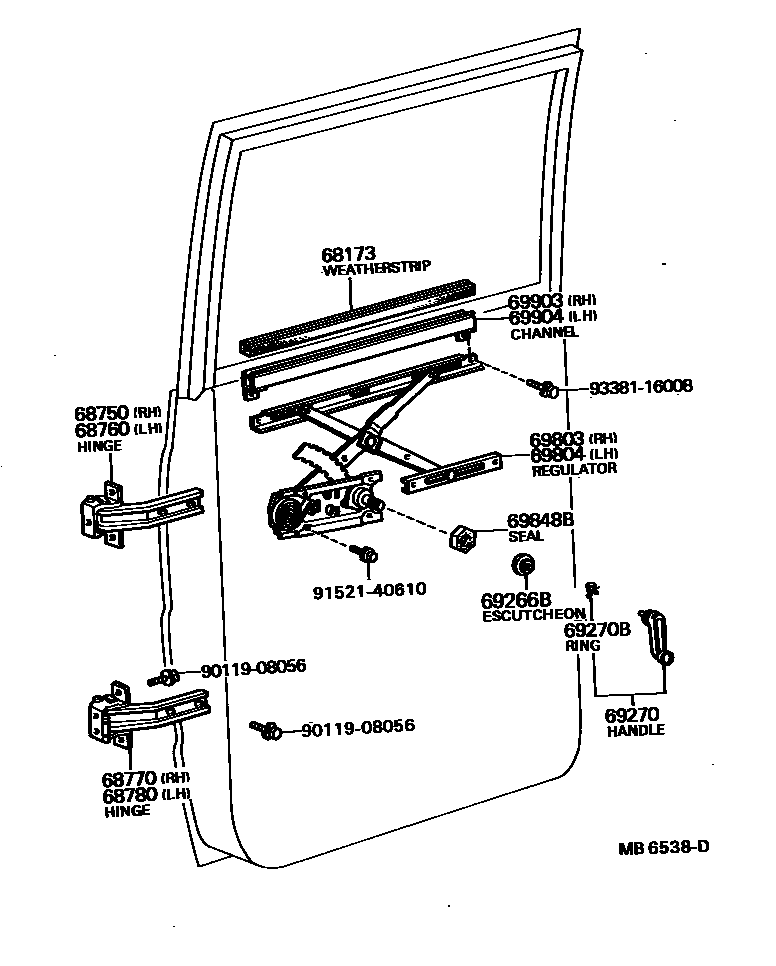
REAR DOOR WINDOW REGULATOR & HINGE

Parts diagram
68173WEATHERSTRIP, REAR DOOR GLASS CHANNEL
main69981-95700×2i197708-197711
main69981-95701×2i197711-198408
68750HINGE ASSY, REAR DOOR, UPPER RH
main68750-95400i198107-198408
main68750-95A00i197708-198107
68760HINGE ASSY, REAR DOOR, UPPER LH
main68750-95400i198107-198408
main68750-95A00i197708-198107
68770HINGE ASSY, REAR DOOR, LOWER RH
main68770-95010i197812-198107
main68770-95400i198107-198408
main68770-95A00i197708-197812
68780HINGE ASSY, REAR DOOR, LOWER LH
main68780-95010i197812-198107
main68780-95400i198107-198408
main68780-95A00i197708-197812
69266BESCUTCHEON, DOOR REGULATOR HANDLE(FOR REAR DOOR)
main69272-30010×2i197708-198408
69270HANDLE ASSY, REAR DOOR WINDOW REGULATOR
main69260-95404×2i197708-198204
main69260-95405×2i198204-198408
69270BRING, SHAFT SNAP(FOR REAR DOOR WINDOW REGULATOR HANDLE)
main90520-01274i197708-198408
69803REGULATOR SUB-ASSY, REAR DOOR WINDOW, RH
main69830-95A00i197708-198408
69804REGULATOR SUB-ASSY, REAR DOOR WINDOW, LH
main69840-95A00i197708-198408
69848BSEAL, WINDOW REGULATOR HOLE(FOR REAR DOOR)
main69848-95700×2i197708-198408
69903CHANNEL SUB-ASSY, REAR DOOR GLASS, RH
main69901-95700i197708-197712
main69901-95701i197712-198408
69904CHANNEL SUB-ASSY, REAR DOOR GLASS, LH
main69901-95700i197708-197712
main69901-95701i197712-198408
9011908056
9152140610
9338116008

16 parts on this diagram · 1 diagram in section

REAR DOOR WINDOW REGULATOR & HINGE — Toyota Parts Diagram with OEM Numbers & Prices | EPC Data