E
EPC Data

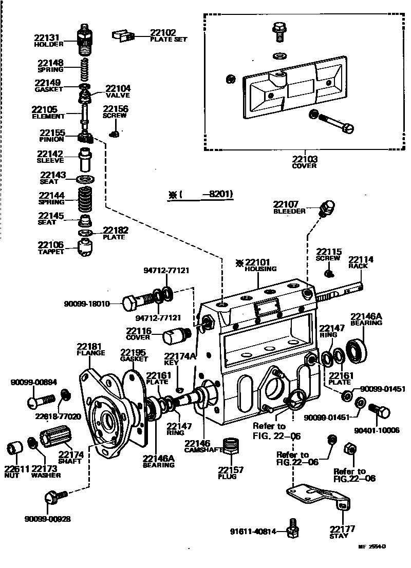
INJECTION PUMP BODY

Parts diagram
2206FUEL FEED PUMP
22101HOUSING SUB-ASSY, INJECTION PUMP
main22190-47061i197708-198104
main22190-48032i197708-197904
main22190-56041i197708-198008
main22190-56042i198008-198201
main22190-68010i198204-198408
main22190-78030i198304-198408
22102PLATE SET, VALVE HOLDER LOCK
main22102-77021×3i197708-198411
22103COVER SUB-ASSY, INJECTION PUMP
main22103-47060i197708-197908
main22103-48030i197708-198411
main22103-77130i198204-198408
main22103-78030i198304-198408
22104VALVE SUB-ASSY, INJECTION PUMP DELIVERY
main22104-77020×6i197708-198411
main22104-78030×4i198304-198408
22105ELEMENT SUB-ASSY, INJECTION PUMP
main22105-48023×6i197708-197908
main22105-48110×4i197908-198104
main22105-56010×4i197708-197804
main22105-56040×4i197804-198411
main22105-58010×4i198104-198408
main22105-68010×6i198204-198408
main22105-78030×4i198304-198408
22106TAPPET SUB-ASSY, INJECTION PUMP
main22106-46010×6i197708-198411
22107BLEEDER SUB-ASSY, AIR
main22150-67010i197708-198411
22114RACK, CONTROL
main22114-36010i198304-198408
main22114-48030i197708-198411
main22114-77130i198204-198408
22115SCREW, RACK GUIDE
main22115-77020i197708-198411
22116COVER, CONTROL RACK
main22116-46010i197708-198411
main22116-78030i198304-198408
22131HOLDER, DELIVERY VALVE
main22131-77020×6i197708-198411
main22131-78030×4i198304-198408
22142SLEEVE, PLUNGER CONTROL
main22142-77020×6i197708-198411
22143SEAT, SPRING UPPER
main22143-77020×6i197708-198411
main22143-78030×4i198304-198408
22144SPRING, PUMP PLUNGER
main22144-46010×6i197708-198411
main22144-78030×4i198304-198408
22145SEAT, SPRING, LOWER
main22145-46010×6i197708-198411
main22145-78030×4i198304-198408
22146CAMSHAFT, INJECTION PUMP
main22146-56010i197708-198411
main22146-68010i198204-198408
main22146-77020i197708-198104
main22146-78030i198304-198408
22146ABEARING(FOR INJECTION CAMSHAFT)
main90099-10087×2i197708-198411
main90099-10151i198304-198408
NO.1
22147RING, CAMSHAFT ADJUST
main22147-77020×2i197708-198411
main22147-78030i198304-198408
NO.1
22148SPRING, DELIVERY VALVE
main22148-46010×6i197708-198411
main22148-68010×6i198204-198408
main22148-78030×4i198304-198408
22149GASKET, DELIVERY VALVE
main22149-76010×6i197708-198411
main22149-78030×4i198304-198408
22155PINION, PLUNGER CONTROL
main22155-76010×6i197708-198411
22156SCREW, PLUNGER CONTROL PINION CLAMP
main22156-76010×6i197708-198411
22157PLUG, INJECTION PUMP FELT PLATE
main22157-48023×6i197708-198411
22161PLATE, CAMSHAFT SHIM
main22161-76010×2i197708-198411
T=0.10,T=0.10
main22162-76010×3i198304-198408
T=0.12,NO.2,T=0.12
main22163-76010×2i197708-198411
T=0.14,T=0.14
main22164-76010×2i197708-198411
T=0.16,T=0.16
main22165-76010×2i197708-198411
T=0.18,T=0.18
main22166-76010×2i197708-198411
T=0.50,T=0.50
main22166-78030×3i198304-198408
T=1.00,NO.2,T=1.00
main22166-78031×3i198304-198408
T=1.50,NO.2,T=1.50
main22166-78032×3i198304-198408
T=0.10,NO.1,T=0.10
main22166-78033×3i198304-198408
T=0.15,NO.1,T=0.15
main22166-78034×3i198304-198408
T=0.30,NO.1,T=0.30
main22166-78035×3i198304-198408
T=0.50,NO.1,T=0.50
main22166-78036×3i198304-198408
T=1.00,NO.1,T=1.00
main22166-78037×3i198304-198408
T=1.50,NO.1,T=1.50
22173WASHER, SPRING
main22173-46010i197708-198411
main90099-01500i198304-198408
22174SHAFT, SPLINE
main22174-47010i197708-198411
22174AKEY(FOR SPLINE SHAFT)
main90099-13002i197708-198411
main90099-13020i198204-198408
22177STAY, INJECTION PUMP BODY
main22177-47010i197708-198104
main22177-48030i197708-197904
main22177-56041i197708-198201
main22177-56042i198201-198411
main22177-68010i198204-198408
22181FLANGE, INJECTION PUMP
main22181-48031i197708-198104
main22181-56040i197708-198411
22182PLATE, TAPPET ADJUSTING SHIM
main22182-46010×6i197708-198411
T=0.10,T=0.1
main22183-46010×6i197708-198411
T=0.20,T=0.2
main22184-46010×6i197708-198411
T=0.30,T=0.3
main22185-46010×6i197708-198411
T=0.40,T=0.4
main22186-46010×6i197708-198411
T=0.50,T=0.5
main22186-48010×6i197708-198411
T=0.15,T=0.15
main22186-78030×4i198304-198408
T=0.13,T=0.13
main22187-46010×6i197708-198411
T=0.60,T=0.6
main22188-46010×6i197708-198411
T=0.70,T=0.7
main22189-46010×6i197708-198411
T=0.80,T=0.8
main22189-48031×6i197708-198411
T=0.90,T=0.9
main22189-48032×6i197708-198411
T=1.00,T=1.0
main22189-48033×6i197708-198411
T=1.10,T=1.1
main22189-48034×6i197708-198411
T=1.20,T=1.2
main22189-48035×6i197708-198411
T=1.30,T=1.3
main22189-48036×6i197708-198411
T=1.40,T=1.4
22195GASKET, BEARING COVER
main22195-48030i197708-198411
main22195-68010i198204-198408
main22195-78030i198304-198408
22611NUT, TIMER ROUND
main22611-46010i197708-198411
main22611-68010i198204-198408
main22611-78030i198304-198408
2261877020GASKET, TIMER SCREW
9009900894
9009900928
9009901451
9009918010
9040110006
9161140814
9471277121

41 parts on this diagram · 5 diagrams in section

INJECTION PUMP BODY — Toyota Parts Diagram with OEM Numbers & Prices | EPC Data