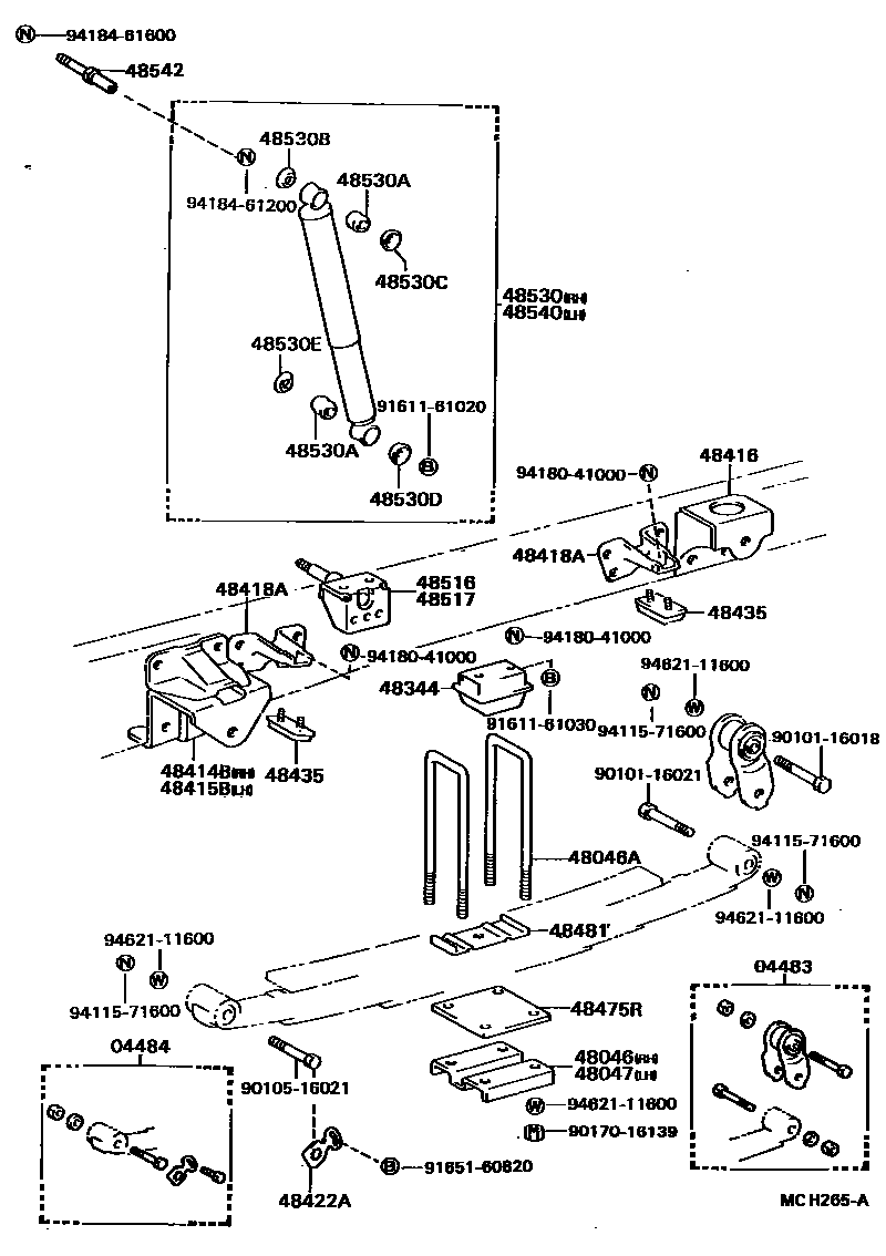
REAR SPRING & SHOCK ABSORBER

04483SHACKLE KIT, REAR SPRING
04484PIN KIT, REAR SPRING
48046SEAT SUB-ASSY, SPRING U BOLT, RH
48046ABOLT, U(FOR REAR SPRING)
L=245
L=300
L=305
L=255
L=350
48047SEAT SUB-ASSY, SPRING U BOLT, LH
48344STOPPER, BUMPER, REAR
48414BBRACKET, SPRING, NO.3 RH
48415BBRACKET, SPRING, NO.3 LH
48416BRACKET, SPRING, NO.4
48418ABRACKET, HELPER SPRING, FRONT
48422ASUPPORT, REAR SPRING PIN
48435ATTACHMENT, HELPER SPRING BRACKET, NO.1
48475RPLATE, DISTANCE(FOR REAR)
48481SEAT, REAR SPRING, UPPER
48516BRACKET, REAR SHOCK ABSORBER, UPPER RH
48517BRACKET, REAR SHOCK ABSORBER, UPPER LH
48530ABSORBER ASSY, SHOCK, REAR RH
48530ABUSH(FOR REAR SHOCK ABSORBER)
48530BWASHER, REAR SHOCK ABSORBER CUSHION, NO.1
48530CWASHER, REAR SHOCK ABSORBER CUSHION, NO.2
48530DWASHER, REAR SHOCK ABSORBER CUSHION, NO.3
48530EWASHER, REAR SHOCK ABSORBER CUSHION, NO.4
48540ABSORBER ASSY, SHOCK, REAR LH
48542PIN, SHOCK ABSORBER UPPER PIVOT, REAR
9010116018
main90101-16018
9010116021
main90101-16021
9010506021
main90105-06021
9017016139
main90170-16139
9161161020
main91611-61020
9161161030
main91611-61030
9165160820
main91651-60820
9411571600
main94115-71600
9418041000
main94180-41000
9418461200
main94184-61200
9418461600
main94184-61600
9462111600
main94621-11600
36 parts on this diagram · 5 diagrams in section