E
EPC Data

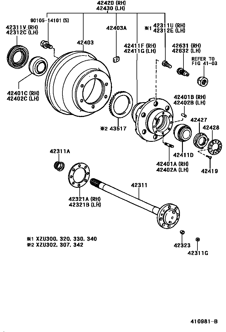
REAR AXLE SHAFT & HUB

Parts diagram
4103DISC WHEEL & WHEEL CAP
42311SHAFT, REAR AXLE
main42311-37060×2i200010-200206
main42311-37070×2i200010-200206
main42311-37090×2i200010-200206
main42311-37100×2i199907-200212
main42311-37110×2i199907-200212
main42311-37120×2i199907-200212
42311ASEAL, OIL(FOR REAR AXLE SHAFT)
main90033-11032×2i199907-200212
main90310-38033×2i200010-200206
main90310-40001×2i199907-200212
42311GNUT(FOR REAR AXLE SHAFT)
main90179-10067×16i199907-200212
42311UBOLT, HUB(FOR REAR AXLE RH)
main90942-02045×6i199907-200212
main90942-02071×5i199907-200212
42311VSEAL, OIL(FOR REAR AXLE SHAFT RH)
main90033-11031i199907-200212
main90311-78001i199907-200212
42312CSEAL, OIL(FOR REAR AXLE SHAFT LH)
main90033-11031i199907-200212
main90311-78001i199907-200212
42312EBOLT, HUB(FOR REAR AXLE LH)
main90942-02046×6i199907-200212
main90942-02072×5i199907-200212
42321AGASKET, REAR AXLE SHAFT, RH
main42321-37020i199907-200212
42321BGASKET, REAR AXLE SHAFT, LH
main42321-37020i199907-200212
42323WASHER, CONE (FOR REAR AXLE SHAFT)
main42323-36010×16i199907-200212
42401ABOLT, STUD (FOR REAR AXLE HUB RH)
main90031-01163×10i199907-200212
main90116-10191×6i200010-200206
42401BPIN, STRAIGHT (FOR REAR AXLE HUB RH)
main90250-10055×2i199907-200212
42401CBEARING (FOR REAR AXLE HUB INNER RH)
main90033-66030i199907-200212
main90366-60012i199907-200212
42402ABOLT, STUD (FOR REAR AXLE HUB LH)
main90031-01163×10i199907-200212
main90116-10191×6i200010-200206
42402BPIN, STRAIGHT (FOR REAR AXLE HUB LH)
main90250-10055×2i199907-200212
42402CBEARING (FOR REAR AXLE HUB INNER LH)
main90033-66030i199907-200212
main90366-60012i199907-200212
42403DRUM SUB-ASSY, REAR BRAKE
main42431-37070×2i200010-200206
main42431-37080×2i199907-200212
main42431-37100×2i199907-200005
main42431-37101×2i200005-200212
42403APIECE, BALANCE (FOR REAR BRAKE DRUM)
main90937-01117i199907-200212
10G
main90937-01118i199907-200212
20G
main90937-01119i199907-200212
30G
main90937-01120i199907-200212
40G
main90937-01121i199907-200212
50G
main90937-01122i199907-200212
60G
42411DBEARING, TAPERED ROLLER (FOR REAR AXLE OUTER BEARING)
main90033-66031×2i199907-200212
main90366-55054×2i199907-200212
42411FHUB, REAR AXLE, RH
main42407-37010i200010-200202
main42407-37011i200202-200206
main42407-37020i200010-200202
main42407-37021i200202-200206
main42407-37040i200010-200206
main42411-37020i199907-200212
main42411-37040i199907-200212
42411GHUB, REAR AXLE, LH
main42408-37010i200010-200202
main42408-37011i200202-200206
main42408-37020i200010-200202
main42408-37021i200202-200206
main42408-37040i200010-200206
main42411-37020i199907-200212
main42411-37040i199907-200212
42419SCREW, REAR AXLE BEARING LOCK NUT
main90119-06199×6i199907-200212
main93311-16012×4i199907-200212
42420HUB (OR SHAFT) & BRAKE DRUM REAR AXLE, RH
main42420-37240i199907-200005
main42420-39055i200010-200202
main42420-39056i200202-200206
main42420-39065i200010-200202
main42420-39066i200202-200206
main42420-39085i200010-200202
main42420-39086i200202-200206
main42420-39095i200010-200206
main42420-39105i199907-200202
main42420-39106i200202-200212
main42420-39125i200005-200212
42427NUT, REAR AXLE BEARING LOCK
main42427-37020×2i199907-200212
main42427-37030×2i199907-200212
42428PLATE, REAR AXLE LOCK NUT
main42428-36020×2i199907-200212
main42428-37010×2i199907-200212
NO.1
main42428-37020×2i199907-200110
NO.2
main42428-37030×2i200110-200212
NO.2
42430HUB (OR SHAFT) & BRAKE DRUM REAR AXLE, LH
main42430-37240i199907-200005
main42430-39055i200010-200202
main42430-39056i200202-200206
main42430-39065i200010-200202
main42430-39066i200202-200206
main42430-39085i200010-200202
main42430-39086i200202-200206
main42430-39095i200010-200206
main42430-39105i199907-200202
main42430-39106i200202-200212
main42430-39125i200005-200212
42631BOLT, DOUBLE WHEEL STOP, RH
main42631-55031×6i199907-200212
42632BOLT, DOUBLE WHEEL STOP, LH
main42632-55031×5i199907-200212
43517ROTOR, SKID CONTROL, REAR
main43517-37010×2i200010-200206
9010514101

31 parts on this diagram · 2 diagrams in section

REAR AXLE SHAFT & HUB — Toyota Parts Diagram with OEM Numbers & Prices | EPC Data