E
EPC Data

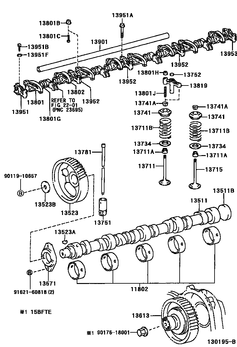
CAMSHAFT & VALVE

Parts diagram
11802BEARING SET, CAMSHAFT
main11802-56030i199505-199905
STD
main11802-56031i199905-200008
STD
main11802-71010i199505
STD
13511CAMSHAFT
main13501-75030i199703
main13511-56060i199505-199908
main13511-56070i199505-200008
main13511-58020i199505
main13511-58030i199908
main13511-73902i199505
13511BPLUG, EXPANSION(FOR CAMSHAFT)
main90331-58001i199505-200008
13523GEAR OR SPROCKET, CAMSHAFT TIMING
main13522-33010i199505
main13523-58010i200008
main13523-58020i199908
main13523-75010i199703
13523AKEY, WOODRUFF(FOR TIMING GEAR)
main90280-05005i199505
main95161-30519i199505-200008
13523BWASHER, PLATE(FOR TIMING GEAR)
main90201-10227i200008
main90201-14293i199505
13571PLATE, CAMSHAFT THRUST
main13571-56030i199505-200008
main13571-71010i199505
13613GEAR, INJECTION PUMP DRIVE
main22407-58010i200008
main22407-58030i199908
13711VALVE, INTAKE
main13711-58021×4i200008
main13711-58030×8i199505
main13711-71010×4i199505
main13711-75060×8i199703
13711ASEAL OR RING, O(FOR VALVE STEM OIL)
main90913-02076×8i199505-200008
main90913-02090×8i199703
FOR INTAKE VALVE
main90913-02094×8i199609
main90913-02096×16i199903
main90913-02098×8i199505-199609
main90913-02103×8i199703
FOR EXHAUST VALVE
main90913-02108×16i199505-199903
13711BSPRING, COMPRESSION(FOR INNER)
main90501-31017×16i199703
main90501-33012×8i199505-200008
main90501-35027×16i199505
main90501-46001×8i199505
13715VALVE, EXHAUST
main13715-58041×4i200008
main13715-58051×4i199505-199908
main13715-58070×8i199505
main13715-71010×4i199505
main13715-75050×8i200005
main13715-76030×8i199908-200005
13734SEAT, VALVE SPRING
main13734-56010×8i199505-200008
main13734-62020×16i199505
main90201-18015×16i199703
13741RETAINER, VALVE SPRING
main13740-43010×4i199505
EXHAUST
main13741-17010×16i199505
main13741-46020×16i199703
main13741-56040×8i200008
main13741-63010×4i199505
INTAKE
13741ALOCK, VALVE SPRING RETAINER
main90913-03014×16i199505
main90913-03021×32i199703
main90913-03024×16i200008
main90913-03027×32i199505
13751LIFTER, VALVE
main13750-58010×8i199505-199709
main13750-58011×8i200008
main13750-71010×8i199505-199606
main13750-71020×8i199606
main13751-74020×16i199703
13752PAD, VALVE LIFTER
main13752-58010×8i199505
13781ROD, VALVE PUSH
main13781-56020×8i200008
main13781-58010×8i199505
main13781-73010×8i199505
13801ARM SUB-ASSY, VALVE ROCKER, NO.1
main13811-58010×4i199505
main13811-58020×4i199505-199908
main13811-58030×4i200008
main13811-71010×4i199505
13801BNUT, HEXAGON(FOR VALVE ADJUSTING)
main90179-08248×8i199505-200008
13801CSCREW, VALVE ADJUSTING
main90913-05025×8i199505-200008
13801GWASHER, PLATE(FOR VALVE ROCKER ARM)
main90201-19009×8i199505-200008
main90206-19002×8i199505
13801HNUT
main90179-08248×8i199505
13801JSCREW, VALVE ADJUSTING
main90913-05024×8i199505
13802ARM SUB-ASSY, VALVE ROCKER, NO.2
main13811-58030×4i199505-200008
main13812-58010×4i199505
main13812-58020×4i199505-199908
main13812-71010×4i199505
13819BRIDGE, VALVE
main13819-58010×8i199505
13901SHAFT SUB-ASSY, VALVE ROCKER, NO.1
main13901-56030i199505-200008
main13901-71010i199505
13951SUPPORT, VALVE ROCKER, NO.1
main13951-56030i199505-199908
main13951-56040i199505-200008
main13951-58010i199505
13951ABOLT(FOR ROCKER SUPPORT SET)
main90105-08165×10i199505
main90105-08177×5i200008
*8-1.25PX63-30
13951BSCREW OR BOLT(FOR VALVE ROCKER SHAFT LOCK)
main13958-56010×2i200008
13951FWASHER, PLATE(FOR VALVE ROCKER SUPPORT)
main90201-06350×2i199505-200008
13952SUPPORT, VALVE ROCKER, NO.2
main13952-56030×3i199505-199908
main13952-56040×3i199505-200008
main13952-58010×3i199505
13953SUPPORT, VALVE ROCKER, NO.3
main13953-56030i199505-199908
main13953-56040i199505-200008
main13953-58010i199505
2201INJECTION NOZZLE
9011910657
9017618001
9162160818

37 parts on this diagram · 4 diagrams in section

CAMSHAFT & VALVE — Toyota Parts Diagram with OEM Numbers & Prices | EPC Data