E
EPC Data

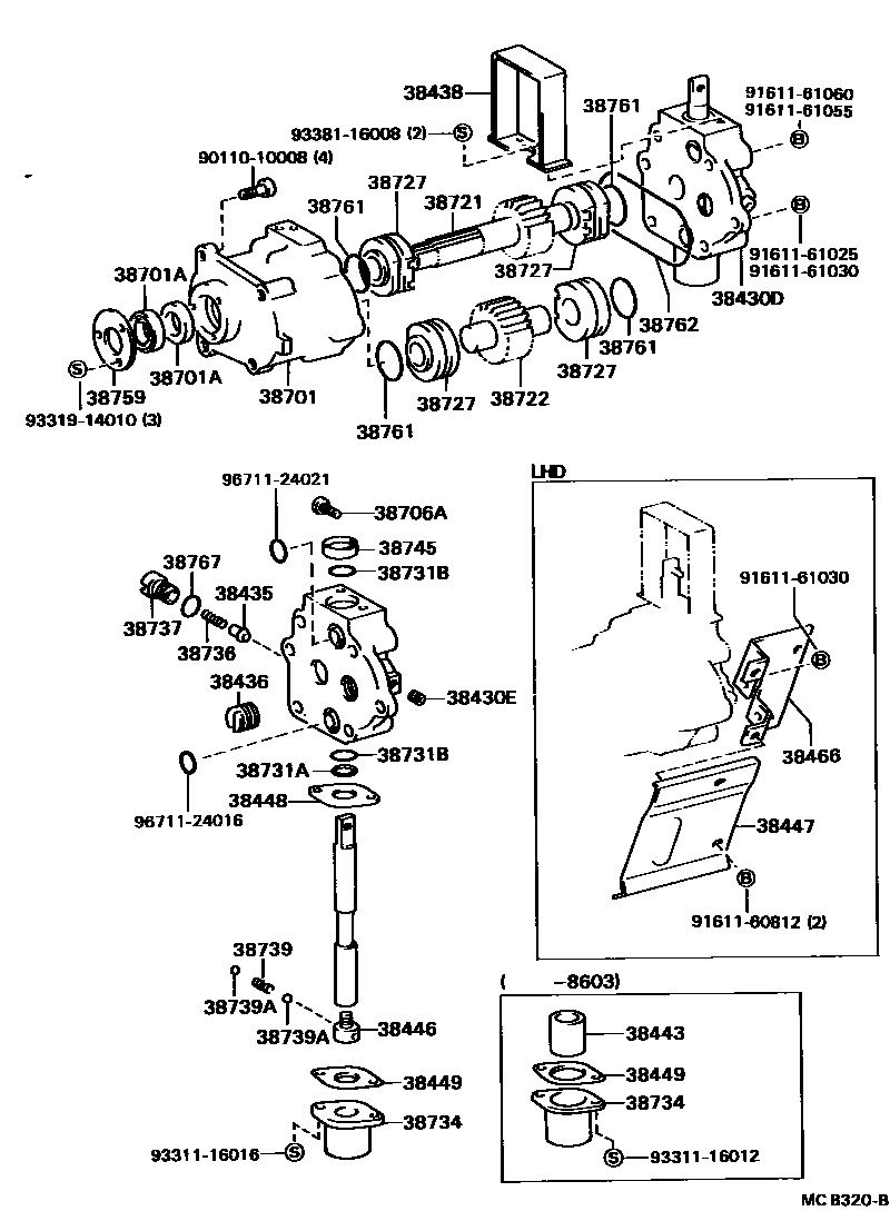
POWER TAKE-OFF OIL PUMP

Parts diagram
38430DVALVE ASSY, POWER CONTROL
main38430-96300i198409-198508
main38430-96301i198508-198708
38430EPLUG (FOR POWER CONTROL VALVE)
main90344-51006i198409-198708
38435VALVE, POWER CONTROL CHECK, NO.1
main38435-96300i198409-198708
38436VALVE, POWER CONTROL CHECK, NO.2
main38436-96300i198409-198509
main38436-96301i198509-198708
38438COVER, VALVE CONTROL PLUNGER
main38438-96300i198409-198508
main38438-96301i198508-198608
main38438-96302i198608-198708
38443SLEEVE, POWER CONTROL VALVE PLUNGER
main38443-96300i198409-198603
38446STOPPER, POWER CONTROL DETENTION SPRING
main38446-96300i198409-198708
38447INSULATOR, POWER CONTROL VALVE
38448HOLDER, POWER CONTROL PLUNGER COVER
main38448-96300i198409-198708
38449GASKET, POWER CONTROL PLUNGER COVER
main38449-96300i198409-198708
38466STAY, POWER OIL HOSE INSULATOR
38701BODY SUB-ASSY, OIL PUMP
main38411-96300i198409-198708
38701ASEAL, OIL (FOR OIL PUMP BODY)
main90311-22004i198409-198708
main90311-22008i198409-198708
38706ABOLT, SERRATION (FOR OIL PUMP VALVE)
main90114-08005i198409-198508
main90114-08025i198508-198708
38721GEAR, OIL PUMP DRIVE
main38421-96300i198409-198708
38722GEAR, OIL PUMP COUNTER
main38422-96300i198409-198708
38727BUSH, INNER (FOR OIL PUMP)
main38424-96300i198409-198708
38731ARING, O (FOR PLUNGER NO.1)
main90562-18005i198409-198708
38731BRING, O (FOR PLUNGER NO.2)
main96711-24018i198409-198708
38734COVER, PLUNGER
main38441-96300i198409-198603
main38441-96301i198603-198708
38736SPRING, CHECK VALVE
main90501-04017i198409-198708
38737PLUG, CHECK VALVE
main38437-96300i198409-198708
38739SPRING, PLUNGER NEUTRAL INDICATING BALL
main90501-08069i198409-198708
38739ABALL, PLUNGER NEUTRAL INDICATING
main90360-05004i198409-198708
38745SEAL, OIL (FOR PUMP CONTROL VALVE PLUNGER)
main90304-17001i198409-198708
38759COVER, SEAL (FOR OIL PUMP BODY)
main38415-96300i198409-198708
38761RING, O (FOR OIL PUMP INNER BUSH)
main90301-33002i198409-198508
main90301-33008i198508-198708
38762RING, O (FOR OIL PUMP INNER BUSH)
main96711-31080i198409-198708
38767RING, O (FOR CHECK VALVE SPRING)
main90301-10005i198409-198708
9011010008
9161160812
9161161025
9161161030
9161161055
9161161060
9331116012
9331116016
9331914010
9338116008
9671124016
9671124021

41 parts on this diagram · 1 diagram in section

POWER TAKE-OFF OIL PUMP — Toyota Parts Diagram with OEM Numbers & Prices | EPC Data