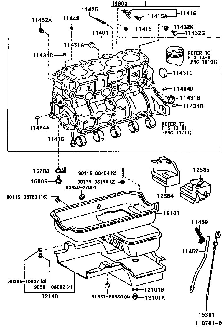
CYLINDER BLOCK

11415COCK SUB-ASSY, WATER DRAIN(FOR CYLINDER BLOCK)
11415APLUG, WATER DRAIN COCK(FOR CYLINDER BLOCK)
11416BOLT(FOR CRANKSHAFT BEARING CAP SET)
11425BOLT, STUD(FOR OIL FILTER)
11431APLUG, TIGHT, NO.1(FOR CYLINDER BLOCK)
11431BPLUG, TIGHT, NO.2(FOR CYLINDER BLOCK)
11431CPLUG, TIGHT, NO.3(FOR CYLINDER BLOCK)
11432APLUG, W/HEAD TAPER SCREW, NO.1
11432GPLUG, W/HEAD STRAIGHT SCREW, NO.5
11432KGASKET, W/HEAD STRAIGHT SCREW PLUG
11434APIN, STRAIGHT(FOR TIMING GEAR COVER SET)
L=18,OD=8
L=8,OD=11
11434CPIN, STRAIGHT (FOR CYLINDER HEAD SET)
L=7,OD=14.5
11434DPIN, STRAIGHT(FOR ENGINE REAR OIL SEAL)
L=8,OD=11
11434GPIN, STRAIGHT(FOR END PLATE)
11448ORIFICE, CYLINDER BLOCK OIL
12101APLUG(FOR OIL PAN DRAIN)
12101BGASKET(FOR OIL PAN DRAIN PLUG)
12140COVER, OIL PAN
12584INSULATOR, CYLINDER BROCK, NO.4
12585INSULATOR, CYLINDER BROCK, NO.5
1301
15301GAGE SUB-ASSY, OIL LEVEL
15605VALVE SUB-ASSY, OIL CHECK
15708NOZZLE SUB-ASSY, OIL, NO.1
9011608404
main90116-08404
9011908783
main90119-08783
9017908150
main90179-08150
9038510007
main90385-10007
9043027001
main90430-27001
9056108002
main90561-08002
9163160830
main91631-60830
35 parts on this diagram · 3 diagrams in section