E
EPC Data

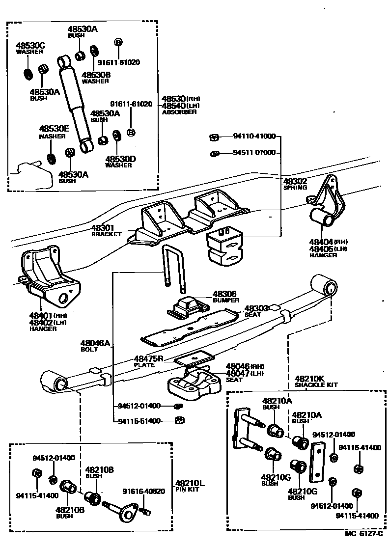
REAR SPRING & SHOCK ABSORBER

Parts diagram
48046SEAT SUB-ASSY, SPRING U BOLT, RH
main48046-25050i197903-198507
main48046-36090i197903-198507
48046ABOLT, U(FOR REAR SPRING)
main90118-14171i198409-198507
L=153
main90118-14172i197903-198507
L=162,L=162
main90118-14180i197903-198004
L=167,L=167,W/DISTANCE PLATE
main90118-16154i197903-198507
L=225,L=225
48047SEAT SUB-ASSY, SPRING U BOLT, LH
main48047-25050i197903-198507
main48047-36090i197903-198507
48210SPRING ASSY, REAR RH
main48210-25160i197903-198507
main48210-25180i197903-198004
main48210-25181i198004-198507
main48210-25190i197903-198507
main48210-25270i198409-198507
48210ABUSH(FOR REAR SPRING SHACKLE UPPER)
main90385-18005i197903-198507
48210BBUSH(FOR REAR SPRING PIN)
main90385-18005i197903-198507
48210GBUSH(FOR REAR SPRING SHACKLE LOWER)
main90385-18005i197903-198507
48210KSHACKLE KIT, REAR SPRING
main04483-25010i197903-198012
main04483-25011i198012-198507
48210LPIN KIT, REAR SPRING
main04482-25010i197903-198012
main04482-25011i198012-198507
48301BRACKET SUB-ASSY, HOLLOW SPRING
main48301-25020i197903-198507
RH
main48309-25010i197903-198507
LH
48302SPRING SUB-ASSY, HOLLOW
main48302-25040i198409-198507
main48302-29015i197903-198507
48303SEAT SUB-ASSY, HOLLOW SPRING
main48303-25040i198409-198507
main48317-25020i197903-198507
48306BUMPER SUB-ASSY, REAR SPRING
main48306-25050i197903-198507
48401BRACKET SUB-ASSY, REAR SPRING, FRONT RH
main48414-25050i198409-198507
main48414-25060i197903-198507
main48414-36060i197903-198507
48402BRACKET SUB-ASSY, REAR SPRING, FRONT LH
main48414-25060i197903-198507
main48414-36060i197903-198507
main48415-25020i198409-198507
48404BRACKET SUB-ASSY, REAR SPRING, REAR RH
main48416-25040i197903-198507
main48416-25061i198409-198507
main48416-36080i197903-198507
48405BRACKET SUB-ASSY, REAR SPRING, REAR LH
main48416-36080i197903-198507
main48417-25040i197903-198507
main48417-25050i198409-198507
48475RPLATE, DISTANCE(FOR REAR)
main48475-25010i197903-198507
main48475-36051i197903-198507
48530ABSORBER ASSY, SHOCK, REAR RH
main48531-29585i197903-198308
main48531-29605i197903-198507
main48531-39285i197903-198208
main48531-39455i198208-198507
MARK 48531-36080
48530ABUSH(FOR REAR SHOCK ABSORBER)
main90385-16007i197903-198507
48530BWASHER, REAR SHOCK ABSORBER CUSHION, NO.1
main90948-03007i197903-197905
main90948-03012i197905-198507
48530CWASHER, REAR SHOCK ABSORBER CUSHION, NO.2
main90948-03004i197903-198507
48530DWASHER, REAR SHOCK ABSORBER CUSHION, NO.3
main90948-03003i197903-198507
main90948-03007i197903-197905
main90948-03012i197905-198507
48530EWASHER, REAR SHOCK ABSORBER CUSHION, NO.4
main90948-03004i197903-198507
48540ABSORBER ASSY, SHOCK, REAR LH
main48531-29585i197903-198308
main48531-29605i197903-198507
main48531-39285i197903-198208
main48531-39455i198208-198507
MARK 48531-36080
9161161020
9161640820
9411041000
9411541400
9411551400
9451101000
9451201400

32 parts on this diagram · 6 diagrams in section

REAR SPRING & SHOCK ABSORBER — Toyota Parts Diagram with OEM Numbers & Prices | EPC Data