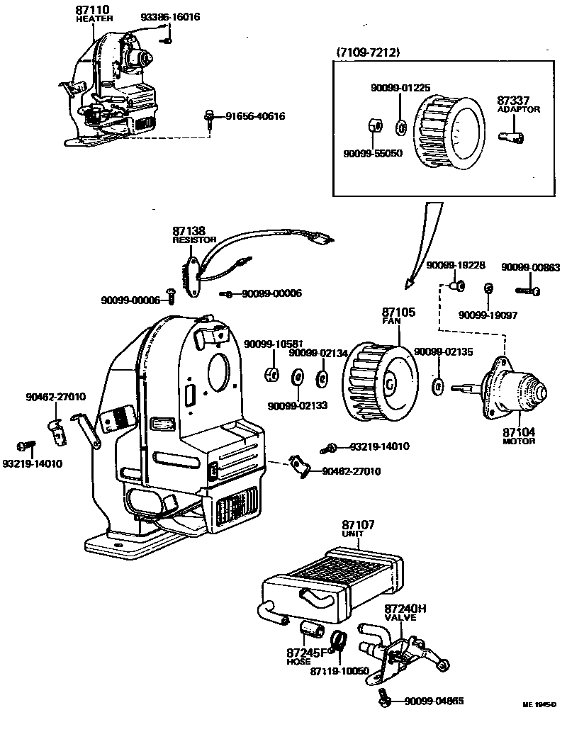
HEATING & AIR CONDITIONING - HEATER UNIT & BLOWER

87104MOTOR SUB-ASSY, HEATER BLOWER
87105FAN SUB-ASSY, HEATER BLOWER
87107UNIT SUB-ASSY, HEATER RADIATOR
87110HEATER ASSY
87138RESISTOR, HEATER BLOWER
87240HVALVE ASSY, WATER UNIT
87245FHOSE, HEATER WATER, INLET F
L=40
*H,L=40
L=45
87337ADAPTER, HEATER BLOWER MOTOR
8711910050
main87119-10050
9009900006
main90099-00006
9009900863
main90099-00863
9009901225
main90099-01225
9009902133
main90099-02133
9009902134
main90099-02134
9009902135
main90099-02135
9009904865
main90099-04865
9009910581
main90099-10581
9009919097
main90099-19097
9009919228
main90099-19228
9009955050
main90099-55050
9046227010
main90462-27010
9165640616
main91656-40616
9321914010
main93219-14010
9338616016
main93386-16016
24 parts on this diagram · 2 diagrams in section