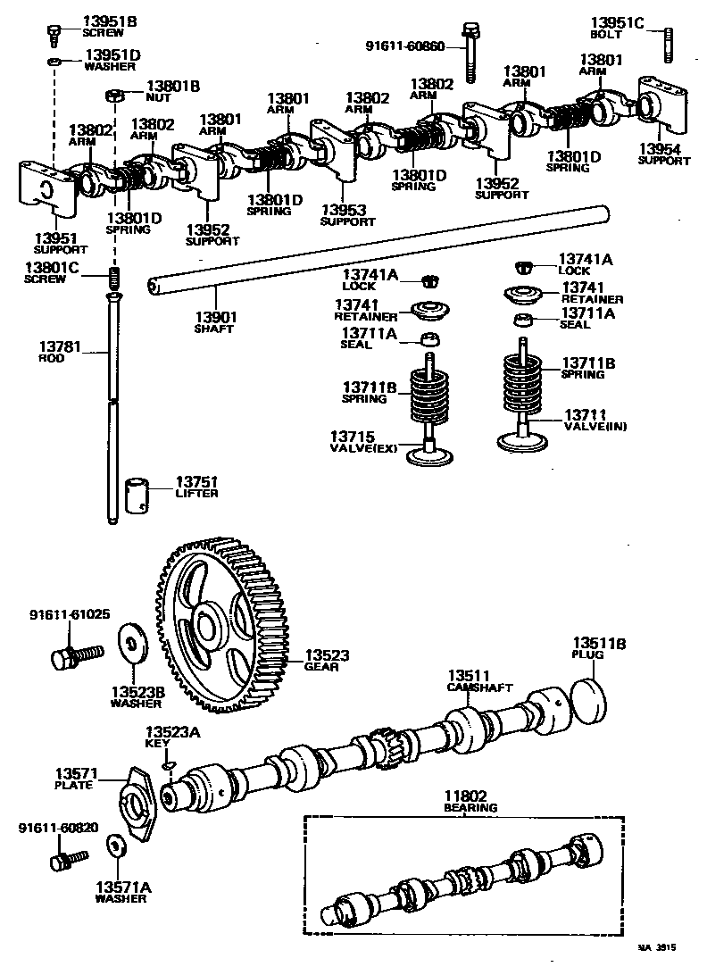
CAMSHAFT & VALVE

11802BEARING SET, CAMSHAFT
STD
STD
CHINA SPEC. STD
STD
U/S 0.125
U/S 0.125
CHINA SPEC. U/S 0.125
U/S 0.125
U/S 0.25
U/S 0.25
CHINA SPEC. U/S 0.25
U/S 0.25
U/S 0.50
13511BPLUG, EXPANSION(FOR CAMSHAFT)
OD=51
13523GEAR OR SPROCKET, CAMSHAFT TIMING
N=36
N=50
N=50
N=50
13523AKEY, WOODRUFF(FOR TIMING GEAR)
13523BWASHER, PLATE(FOR TIMING GEAR)
13571PLATE, CAMSHAFT THRUST
13571AWASHER, PLATE(FOR CAMSHAFT THRUST PLATE)
13711VALVE, INTAKE
13711ASEAL OR RING, O(FOR VALVE STEM OIL)
EXHAUST
INTAKE
13711BSPRING, COMPRESSION(FOR INNER)
WD=2.6,CW=8.0
WD=2.6,CW=7.5
WD=4.4,CW=6.3
WD=4.5,CW=6.25
WD=4.5,CW=6.5
WD=4.7,CW=6
13741RETAINER, VALVE SPRING
13751LIFTER, VALVE
STD
STD
STD
STD
STD
STD
STD
STD
STD
O/S 0.05
O/S 0.05
O/S 0.05
O/S 0.05
O/S 0.05
O/S 0.05
O/S 0.05
O/S 0.05
O/S 0.05
13801DSPRING, COMPRESSION(FOR ROCKER ARM)
WD=1.6,CW=9
WD=1.6,CW=7.5
13901SHAFT SUB-ASSY, VALVE ROCKER, NO.1
13951SUPPORT, VALVE ROCKER, NO.1
13951BSCREW OR BOLT(FOR VALVE ROCKER SHAFT LOCK)
13951CBOLT, STUD(FOR ROCKER SUPPORT)
L=109.5,S=16&18
L=32,S=9&19
L=76,S=12&18
L=115,S=13&48
13951DWASHER, SEAL(FOR HEAD COVER SET)
13952SUPPORT, VALVE ROCKER, NO.2
13953SUPPORT, VALVE ROCKER, NO.3
13954SUPPORT, VALVE ROCKER, NO.4
9161160820
main91611-60820
9161160860
main91611-60860
9161161025
main91611-61025
32 parts on this diagram · 5 diagrams in section