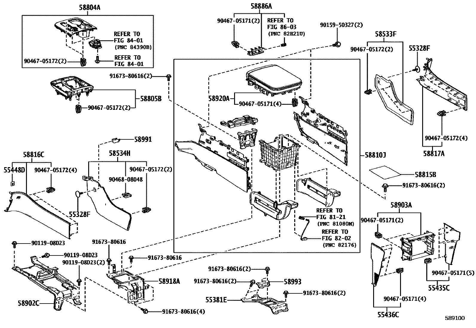
CONSOLE BOX & BRACKET

55328FPIN, INSTRUMENT PANEL, NO.1
55381EBRACKET, INSTRUMENT PANEL SHIFT MOUNTING, NO.1
55435CPANEL, INSTRUMENT PANEL FINISH, END RH
55436CPANEL, INSTRUMENT PANEL FINISH, END LH
55448DCUSHION, INSTRUMENT PANEL FINISH PANEL, NO.1
58533FCOVER, FLOOR CARPET, CENTER RH
BLACK,TRIM0#,2#
BLACK,TRIM0#,2#
58534HCOVER, FLOOR CARPET, CENTER LH
BLACK,TRIM0#,2#
BLACK,TRIM0#,2#
58804APANEL SUB-ASSY, CONSOLE, UPPER
BLACK,TRIM2#
BLACK,TRIM2#
BLACK,TRIM2#
BLACK,TRIM2#
58805BPANEL SUB-ASSY, CONSOLE, LOWER
GRAY,TRIM2#
GRAY,TRIM2#
58810JBOX ASSY, CONSOLE
BLACK,TRIM2#
BLACK,TRIM2#
BLACK,TRIM2#
BLACK,TRIM2#
58815BCARPET, CONSOLE BOX
58816CINSERT, CONSOLE BOX, FRONT NO.1
BLACK,TRIM0#,2#
BLACK,TRIM0#,2#
BLACK,TRIM0#,2#
BLACK,TRIM0#,2#
58817AINSERT, CONSOLE BOX, FRONT NO.2
BLACK,TRIM0#,2#
BLACK,TRIM0#,2#
BLACK,TRIM0#,2#
BLACK,TRIM0#,2#
58886ACOVER, EQUIPMENT SET PANEL
58902CBRACKET SUB-ASSY, CONSOLE BOX MOUNTING
58903APANEL SUB-ASSY, CONSOLE REAR END
BLACK,TRIM0#,2#
58918ABRACKET, BOX SUPPORT
58920AARMREST ASSY, REAR CONSOLE
BLACK,TRIM2#
58991BRACKET, CONSOLE BOX MOUNTING, UPPER
58993BRACKET, CONSOLE BOX MOUNTING, REAR
8121
8202
8401
8603
9011908D23
main90119-08D23
9015950327
main90159-50327
9046705171
main90467-05171
9046705172
main90467-05172
9046808048
main90468-08048
9167380616
main91673-80616
30 parts on this diagram · 7 diagrams in section