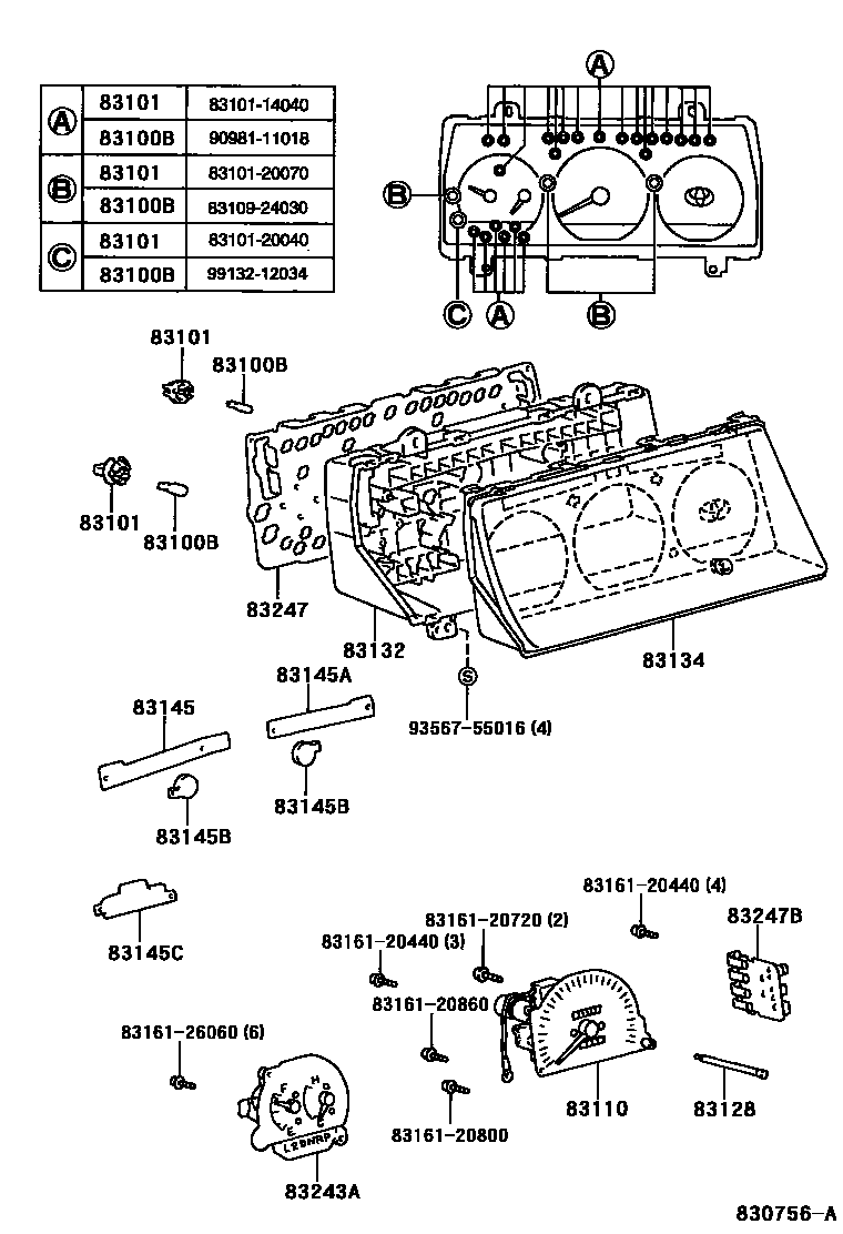
METER

83100METER ASSY, COMBINATION
W(SPEED METER---KM)
W(SPEED METER---MILE/KM)
W(SPEED METER---MILE/KM)
W(SPEED METER---MILE/KM)
83100BBULB, COMBINATION METER, NO.1
12V3.4W W(GREEN CAP),TYPE B:REFER TO ILLUSTRATION
12V 1.4W,W(SOCKET)
12V3.4W,W(GREEN CAP)
12V 3.4W,W(SOCKET),TYPE C:REFER TO ILLUSTRATION
12V 1.2W W/O SOCKET
12V 3.4W,TYPE C:REFER TO ILLUSTRATION
83101SOCKET SUB-ASSY, COMBINATION METER BULB
main83101-14040×17iLXH1#,2#..(03S,09S)..MTM..TD; LXH12,22..ATM; LXH12..05S; RCH12..(03S,06S,09S)..EUR;LXH12,22,RCH18,2#..LHD..(DSL,EFI); RCH12..05S; RCH12..ARL199708-199804
TYPE A:REFER TO ILLUSTRATION
TYPE C:REFER TO ILLUSTRATION
TYPE B:REFER TO ILLUSTRATION
83110SPEEDOMETER ASSY
main83220-26220iLXH22..LHD..DSL;LXH22..RHD..4DV;LXH12..LHD..DX..DSL;LXH12..LHD..5DV..DSL;LXH12..4DV..STD..DSL199907-200108
KM/H
MPH & KM/H
W(TACHOMETER)
W(TACHOMETER)
KM/H
KM/H
MILE/H+KM/H
MILE/H+KM/H & W(TACHOMETER)
KM/H
W(TACHOMETER)
W(TACHOMETER)
83128KNOB, TRIP COUNTER
83132CASE, COMBINATION METER
W(TACHOMETER)
83134COVER, COMBINATION METER, NO.1
main83821-26030iLXH12,RCH1#,22..(02S,08S)..MTM; RCH13..LHD..MTM..(DX,STD);LXH1#,2#,RCH19,23,29..MTM..(DX,STD)199907-199910
W(TACHOMETER)
W(TACHOMETER)
W(TACHOMETER)
W(OIL CHANGE RESET SWITCH)
W(TACHOMETER)
83145LENS, METER, NO.1
83145ALENS, METER, NO.2
83145BLENS, METER, NO.3
83145CLENS, METER, NO.4
83243AGAUGE SUB-ASSY, FUEL RECEIVER
83247PLATE, METER CIRCUIT
W(TACHOMETER)
W(DOOR WARNING & TACHOMETER)
W(TACHOMETER)
83247BPLATE, METER CIRCUIT, NO.2
8316120440CASE, COMBINATION METER MIRROR, NO.1
main83161-20440
8316120720CASE, COMBINATION METER MIRROR, NO.1
main83161-20720
8316120800CASE, COMBINATION METER MIRROR, NO.1
main83161-20800
8316120860CASE, COMBINATION METER MIRROR, NO.1
main83161-20860
8316126060CASE, COMBINATION METER MIRROR, NO.1
main83161-26060
9356755016
main93567-55016
20 parts on this diagram · 11 diagrams in section