E
EPC Data

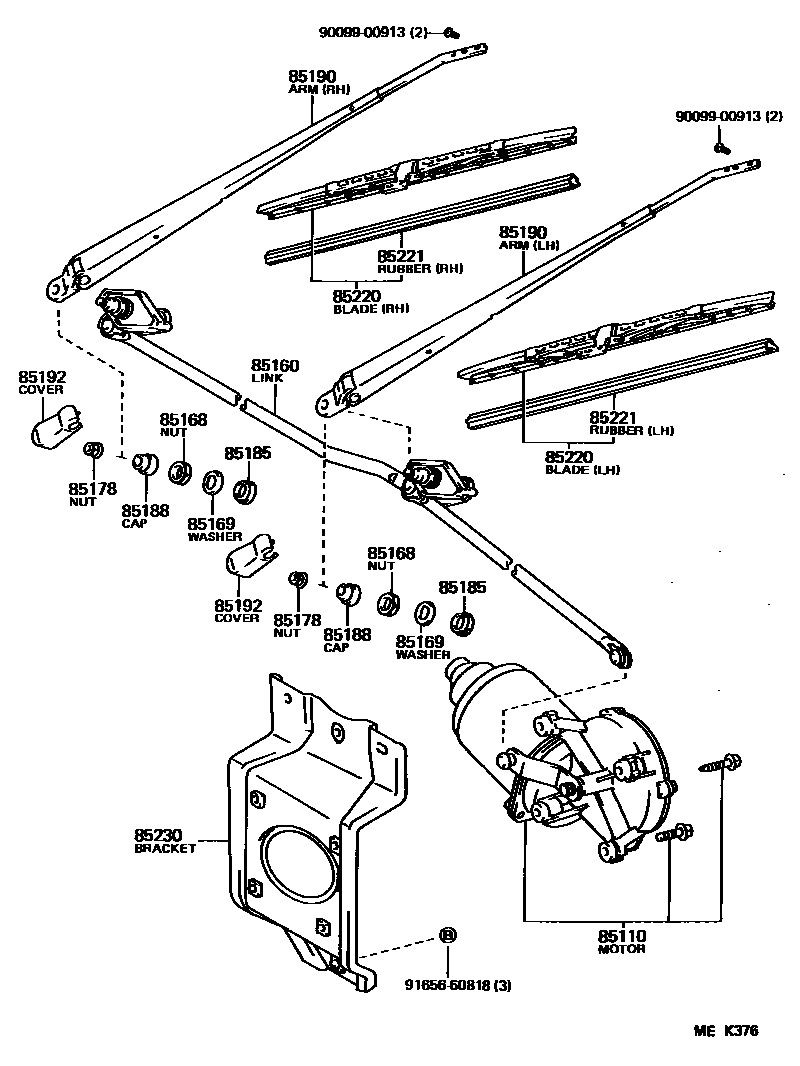
WINDSHIELD WIPER

Parts diagram
85110MOTOR ASSY, WINDSHIELD WIPER
main85110-95J11i198708-198908
main85110-95J12i198708-198908
85160LINK ASSY, WINDSHIELD WIPER
main85160-95J00i198708-198908
main85160-95J01i198708-198908
85168NUT, WINDSHIELD WIPER LINK PIVOT
main85168-95J00×2i198708-198908
85169WASHER, WINDSHIELD WIPER LINK PIVOT, NO.1
main85169-95J00×2i198708-198908
85178NUT (FOR FRONT WIPER ARM SETTING)
main90179-08026×2i198708-198908
85185GASKET
main85185-95J00×2i198708-198908
85188CAP, WINDSHIELD WIPER PIVOT, NO.1
main85135-95J00×2i198708-198908
85190ARM ASSY, WINDSHIELD WIPER
main85190-95J07i198708-198908
RH
main85190-95J08i198708-198908
RH
main85210-95J03i198708-198908
LH
main85210-95J04i198708-198908
LH
85192COVER, WINDSHIELD WIPER ARM
main85195-95J00×2i198708-198908
85220BLADE ASSY, WINDSHIELD WIPER
main85220-12510i198708-198908
RH
main85220-12560i198708-198908
LH
main85220-32280i198708-198908
LH
main85220-32360i198708-198908
RH
85221BLADE, WINDSHIELD WIPER
main85221-12210i198708-198908
RH
main85221-12230i198708-198908
LH
main85221-32060i198708-198908
LH; RH
85230BRACKET ASSY, WINDSHIELD WIPER
main85109-95J00i198708-198908
main85109-95J01i198708-198908
9009900913
9165660818

14 parts on this diagram · 1 diagram in section

WINDSHIELD WIPER — Toyota Parts Diagram with OEM Numbers & Prices | EPC Data