E
EPC Data

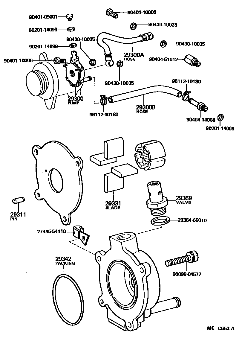
VACUUM PUMP

Parts diagram
29300PUMP ASSY, VACUUM
main29300-54050i198212-198708
29300AHOSE, VACUUM PUMP OIL INLET
main90923-02077i198212-198708
29300BHOSE, VACUUM PUMP OIL OUTLET
main90923-02076i198212-198708
29311PIN, VACUUM PUMP DOWEL, NO.1
main90099-08082i198212-198708
29331BLADE, VACUUM PUMP, A
main29331-56070i198212-198708
29342PACKING, VACUUM PUMP
main96740-02063i198212-198708
29369VALVE SUB-ASSY, CHECK
main29369-56070i198212-198708
2744554110
2936466010WASHER, VACUUM PUMP
9009904577
9020114099
9040109001
9040110006
9040414008
9040451012
9043010035
9611210180

17 parts on this diagram · 1 diagram in section

VACUUM PUMP — Toyota Parts Diagram with OEM Numbers & Prices | EPC Data