STARTER

28011CLUTCH SUB-ASSY, STARTER
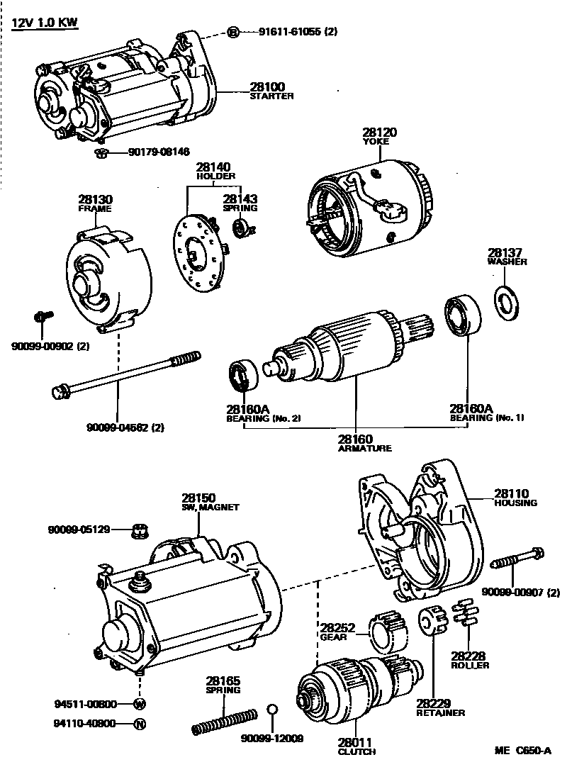
12V 1.0KW
main28011-54010iL,2L..LH5#,6#..EUR;L,2L..LH50,51,61..4HC..ARL;L,2L..LH50,51,60,61..LHD..GEN198212-198708
12V 2.5KW
12V 2.0KW
28100STARTER ASSY
main28100-54052iL,2L..LH5#,6#..EUR;L,2L..LH50,51,61..4HC..ARL;L,2L..LH50,51,60,61..LHD..GEN198212-198708
12V 2.5KW,12V 2.5KW
sub28100-54220
12V 1.0KW,12V 1.0KW
12V 1.0KW,12V 1.0KW
28110HOUSING ASSY, STARTER DRIVE
12V 1.0KW
main28115-54011iL,2L..LH5#,6#..EUR;L,2L..LH50,51,61..4HC..ARL;L,2L..LH50,51,60,61..LHD..GEN198212-198708
12V 2.5KW
12V 2.0KW
28120YOKE ASSY, STARTER
12V 1.0KW
12V 2.0KW
main28120-56081iL,2L..LH5#,6#..EUR;L,2L..LH50,51,61..4HC..ARL;L,2L..LH50,51,60,61..LHD..GEN198212-198708
12V 2.5KW
28130FRAME ASSY, STARTER COMMUTATOR END
main28130-54060iL,2L..LH5#,6#..EUR;L,2L..LH50,51,61..4HC..ARL;L,2L..LH50,51,60,61..LHD..GEN198212-198708
12V 2.5KW
sub28130-54430
sub28199-46080
sub90099-04207
12V 1.0KW
28137WASHER, FELT, STARTER
main90099-02205iL,2L..LH5#,6#..EUR;L,2L..LH50,51,61..4HC..ARL;L,2L..LH50,51,60,61..LHD..GEN198212-198708
12V 2.5KW
12V 1.0KW
28140HOLDER ASSY, STARTER BRUSH
12V 1.0KW
12V 2.0KW
main28140-77090iL,2L..LH5#,6#..EUR;L,2L..LH50,51,61..4HC..ARL;L,2L..LH50,51,60,61..LHD..GEN198212-198708
12V 2.5KW
28143SPRING, STARTER BRUSH
12V 1.0KW
12V 2.0KW
28150SWITCH ASSY, MAGNET STARTER
12V 1.0KW
main28150-54051iL,2L..LH5#,6#..EUR;L,2L..LH50,51,61..4HC..ARL;L,2L..LH50,51,60,61..LHD..GEN198212-198708
12V 2.5KW
sub28150-54221
12V 1.0KW
28160ARMATURE ASSY, STARTER
main28160-47040iL,2L..LH5#,6#..EUR;L,2L..LH50,51,61..4HC..ARL;L,2L..LH50,51,60,61..LHD..GEN198212-198708
12V 2.5KW
sub28160-54140
28160ABEARING, STARTER ARMATURE
12V 1.0KW,NO.2
12V 2.0KW,NO.2
main90099-10107iL,2L..LH5#,6#..EUR;L,2L..LH50,51,61..4HC..ARL;L,2L..LH50,51,60,61..LHD..GEN198212-198708
12V 2.5KW,NO.1
12V 1.0KW,NO.1
main90099-10119iL,2L..LH5#,6#..EUR;L,2L..LH50,51,61..4HC..ARL;L,2L..LH50,51,60,61..LHD..GEN198212-198708
12V 2.5KW,NO.2
12V 2.0KW,NO.1
28165SPRING, STARTER MAGNET SWITCH RETURN
12V 1.0KW
12V 2.0KW
main28165-77090iL,2L..LH5#,6#..EUR;L,2L..LH50,51,61..4HC..ARL;L,2L..LH50,51,60,61..LHD..GEN198212-198708
12V 2.5KW
28228ROLLER, STARTER IDLE GEAR CLUTCH
12V 2.0KW
12V 1.0KW
main28228-56080iL,2L..LH5#,6#..EUR;L,2L..LH50,51,61..4HC..ARL;L,2L..LH50,51,60,61..LHD..GEN198212-198708
12V 2.5KW
28229RETAINER, STARTER IDLE GEAR
12V 2.0KW
12V 1.0KW
main28229-56080iL,2L..LH5#,6#..EUR;L,2L..LH50,51,61..4HC..ARL;L,2L..LH50,51,60,61..LHD..GEN198212-198708
12V 2.5KW
28252GEAR, STARTER IDLE
12V 1.0KW
12V 2.0KW
main28254-77090iL,2L..LH5#,6#..EUR;L,2L..LH50,51,61..4HC..ARL;L,2L..LH50,51,60,61..LHD..GEN198212-198708
12V 2.5KW
9009900902
main90099-00902
9009900907
main90099-00907
9009904562
main90099-04562
9009905129
main90099-05129
9009912009
main90099-12009
9017908146
main90179-08146
9161161055
main91611-61055
9411040800
main94110-40800
9451100800
main94511-00800
24 parts on this diagram · 3 diagrams in section