E
EPC Data

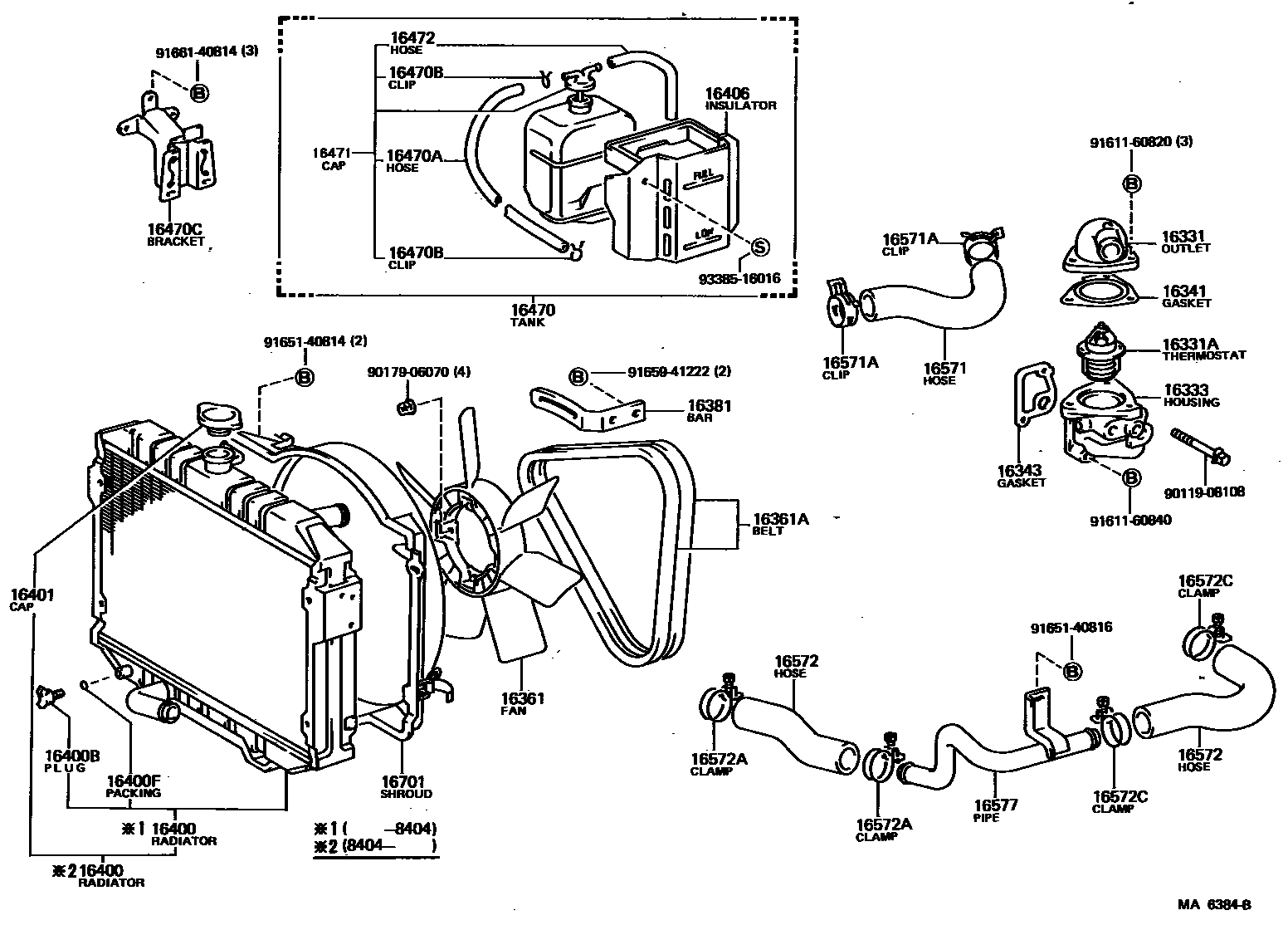
RADIATOR & WATER OUTLET

Parts diagram
16331OUTLET, WATER
main16331-31082i198211-198507
NEW SOUTH WALES & VICTORIA
main16331-31092i198211-198507
main16331-54030i198211-198507
16331ATHERMOSTAT
main90916-03020i198211-198507
*NSW & VICTORIA,*WAX82-95,*(F)
main90916-03038i198211-198507
*NSW & VICTORIA,*WAX82-95,*(K)
main90916-03054i198211-198507
*WAX 82-95,*WAX 82-95
main90916-03062i198211-198507
*WAX 88-100,*WAX 88-100
16333HOUSING, WATER OUTLET
main16333-54050i198211-198507
16341GASKET, WATER OUTLET
main16341-38011i198211-198507
main16341-54010i198211-198304
main16341-54011i198304-198507
16343GASKET, WATER OUTLET HOUSING
main16343-54011i198211-198507
16361FAN
main16361-31021i198211-198507
4 BLADES
main16361-31050i198211-198507
5 BLADES
main16361-34030i198211-198507
main16361-44040i198211-198507
16361ABELT, V(FOR FAN & ALTERNATOR)
main90916-02132i198211-198507
DOUBLE V BELTS
main99332-00890i198211-198507
16381BAR, FAN BELT ADJUSTING
main16381-31012i198211-198507
main16381-54011i198211-198507
16400RADIATOR ASSY
main16400-31290i198211-198507
main16400-54200i198404-198507
main16410-54200i198211-198404
16400BPLUG, RADIATOR DRAIN COCK
main16417-24051i198211-198507
main16417-24200i198211-198507
16400FPACKING(FOR RADIATOR DRAIN COCK)
main16418-24051i198211-198507
main16418-24200i198211-198507
16401CAP SUB-ASSY, RADIATOR
main16401-41021i198211-198507
16406INSULATOR SUB-ASSY, RESERVE TANK
main16406-95A00i198211-198507
16470TANK ASSY, RADIATOR RESERVE
main16470-95A00i198211-198507
main16470-95A09i198211-198507
16470AHOSE OR PIPE(FOR RADIATOR RESERVE TANK)
main90445-12021i198211-198507
main90445-12078i198211-198507
L=600
16470BCLAMP OR CLIP(FOR RADIATOR RESERVE TANK HOSE)
main90467-11085×2i198211-198507
16470CBRACKET(FOR RADIATOR RESERVE TANK)
main16402-95A01i198211-198507
16471CAP SUB-ASSY, RESERVE TANK
main16405-95A05i198211-198507
main16471-34030i198211-198507
16472HOSE, BREATHER
main85338-22020i198211-198507
16571HOSE, RADIATOR, INLET
main16571-54110i198211-198507
main16572-31120i198211-198507
16571ACLAMP OR CLIP, HOSE(FOR RADIATOR INLET)
main90467-37001×2i198211-198507
16572HOSE, RADIATOR, OUTLET
main16571-31041i198211-198507
main16571-31060i198211-198507
W/COOLER
main16572-54030i198211-198507
WATER PUMP SIDE
main16573-54020i198211-198507
RADIATOR SIDE
16572ACLAMP OR CLIP, HOSE(FOR RADIATOR OUTLET NO.1)
main96111-10460×2i198211-198507
16572CCLAMP OR CLIP, HOSE(FOR RADIATOR OUTLET NO.2)
main96111-10460i198211-198507
PIPE SIDE
main96111-10500i198211-198507
WATER PUMP SIDE
16577PIPE, RADIATOR, NO.7
main16577-54050i198211-198507
16701SHROUD SUB-ASSY, FAN
main16711-31111i198211-198507
main16711-31121i198211-198507
W/COOLER
main16711-54050i198211-198507
9011908108
9017906070
9161160820
9161160840
9165140814
9165140816
9165941222
9166140814
9338516016

35 parts on this diagram · 2 diagrams in section

RADIATOR & WATER OUTLET — Toyota Parts Diagram with OEM Numbers & Prices | EPC Data