E
EPC Data

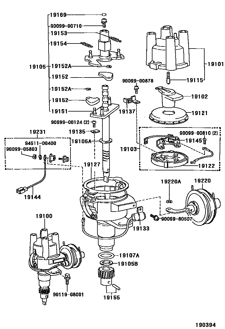
DISTRIBUTOR

Parts diagram
19100DISTRIBUTOR ASSY
main19030-72060i199003-199110
main19030-72061i199110-199410
main19100-73050i198901-199003
19101CAP SUB-ASSY, DISTRIBUTOR
main19101-71010i199003-199410
main19101-71020i198901-199003
19102ROTOR SUB-ASSY, DISTRIBUTOR
main19102-16060i199003-199410
main19102-26151i198901-198903
main19102-73060i198903-199003
19103BREAKER SUB-ASSY, DISTRIBUTOR
main19103-26211i198901-199003
19105GOVERNOR SUB-ASSY
main19105-71011i198901-199003
main19105-72060i199003-199110
19105AWASHER(FOR GOVERNOR SHAFT THRUST)
main90099-01385i198901-199003
T=2.5
main90099-01386i198901-199003
T=2.7
main90099-01387i198901-199003
T=2.9
main90099-01412i198901-199003
T=2.3
main90099-01486×2i199003-199110
T=0.3
main90099-01487×2i199003-199110
T=0.4
main90099-01488×2i199003-199110
T=0.6
main90099-01489×2i199003-199110
T=0.5
19105BWASHER, NO.2(FOR GOVERNOR SHAFT THRUST)
main90099-01429i198901-199110
19107ARING, O, DISTRIBUTOR HOUSING
main90099-14020i198901-199103
main90099-14090i199103-199110
19115PIECE, DISTRIBUTOR CAP, CENTER
main19115-50010i198901-199003
main19115-63010×2i199003-199410
19121COVER, DUST PROOF
main19121-38030i198901-199003
main19121-63010i199003-199410
NO.1
main19121-63040i199003-199410
NO.2
19122PLATE, STATIONARY, DISTRIBUTOR
main19122-26211i198901-199003
19127PACKING, DUST PROOF
main19127-15010i198901-199003
main19127-63010i199003-199410
NO.1
main19127-63020i199003-199410
NO.2
19133CONDENSER, DISTRIBUTOR
main90099-52070i198901-199003
19135PLATE, HOLDER
main90099-02198×2i198901-199003
19137SPRING SUB-ASSY, DAMPER
main19137-33012i198901-199003
19144LEAD, DISTRIBUTOR BREAKER
main19144-34190i198901-199003
main19144-72060i199003-199110
main19144-73060i199110-199410
19145POINT, DISTRIBUTOR
main19145-26060i198901-199003
19151SHAFT, GOVERNOR
main19151-71010i199003-199110
main19151-71020i198901-199003
19152WEIGHT, GOVERNOR
main19152-63010×2i198901-199410
19152ARING, SNAP(FOR GOVERNOR WEIGHT)
main90099-07122×2i198901-199410
19153SPRING, GOVERNOR, A
main19153-71012i198901-199003
main19153-72060i199003-199410
19154SPRING, GOVERNOR, B
main19153-71012i198901-199003
main19153-72060i199003-199410
19155GEAR, SPIRAL, DISTRIBUTOR
main19195-71010i199110-199410
main19195-71011i198901-199003
main19195-72090i199003-199110
19169STOPPER, CAM GREASE
main19169-63011i199003-199410
19220ADVANCER ASSY, VACUUM, DISTRIBUTOR
main19220-72060i199003-199410
main19220-73050i198901-199003
19220ARING, SNAP(FOR DISTRIBUTOR VACUUM ADVANCER)
main90099-07109i198901-199003
19231TERMINAL, DISTRIBUTOR
main19231-24140i198901-199003
9009900124
9009900710
9009900810
9009900878
9009905803
9009980507
9011908001
9451100400

35 parts on this diagram · 3 diagrams in section

DISTRIBUTOR — Toyota Parts Diagram with OEM Numbers & Prices | EPC Data