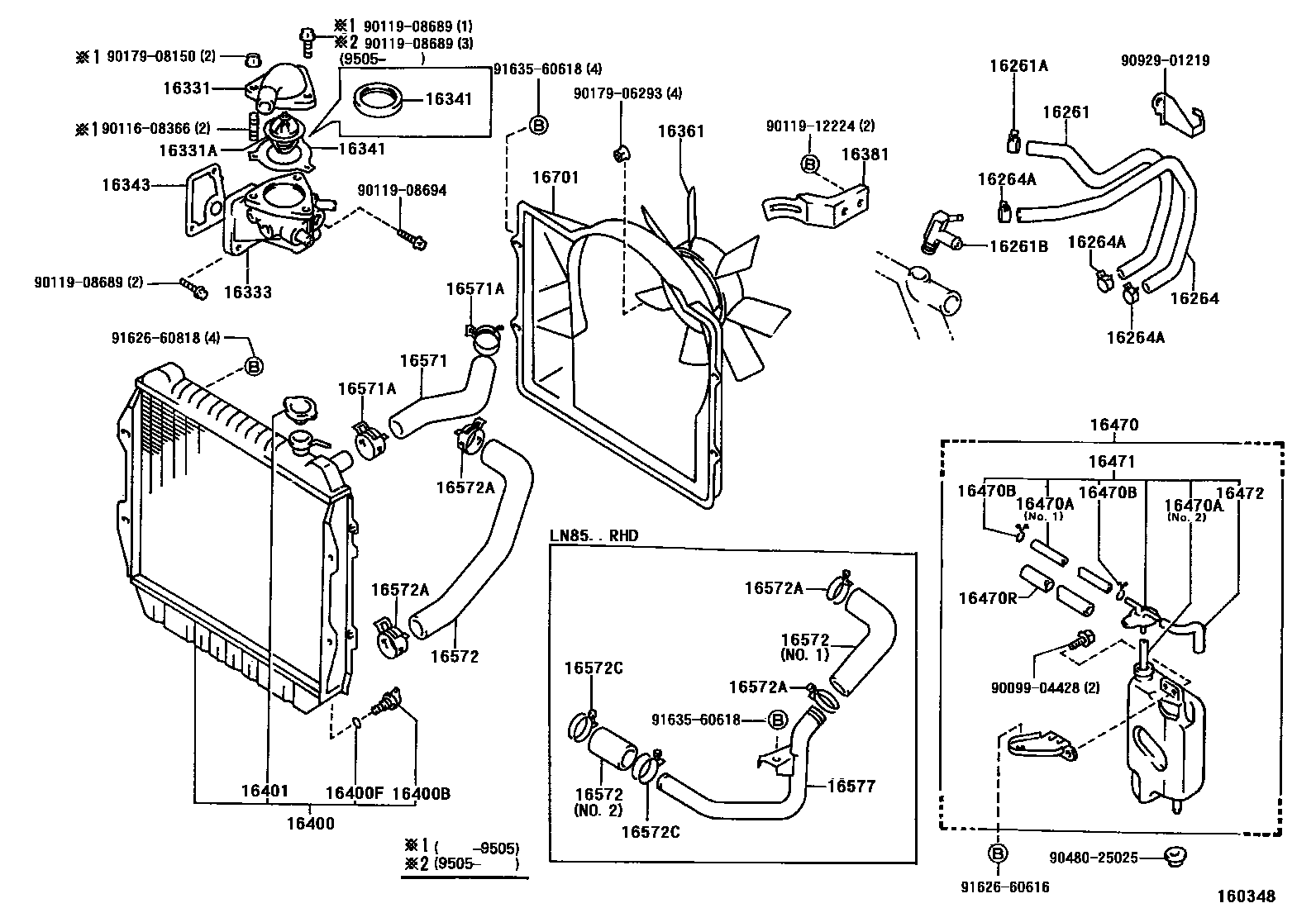
RADIATOR & WATER OUTLET

16261HOSE, WATER BY-PASS
16261ACLAMP OR CLIP, HOSE(FOR WATER BY-PASS HOSE)
16261BUNION(FOR WATER BY-PASS HOSE)
16264HOSE, WATER BY-PASS, NO.2
16264ACLAMP OR CLIP(FOR WATER BY-PASS HOSE NO.2)
16331OUTLET, WATER
16331ATHERMOSTAT
*WAX 88-100,KUZEH
*WAX 82-95
*WAX 82-95
*WAX 88-100
*WAX 88-100
16333HOUSING, WATER OUTLET
16341GASKET, WATER OUTLET
16343GASKET, WATER OUTLET HOUSING
16381BAR, FAN BELT ADJUSTING
ALTERNATOR=40A
16400RADIATOR ASSY
(L)
(J)
16400BPLUG, RADIATOR DRAIN COCK
16400FPACKING(FOR RADIATOR DRAIN COCK)
16401CAP SUB-ASSY, RADIATOR
16470TANK ASSY, RADIATOR RESERVE
16470AHOSE OR PIPE(FOR RADIATOR RESERVE TANK)
L=600(*H,L=220),NO.2
16470BCLAMP OR CLIP(FOR RADIATOR RESERVE TANK HOSE)
16470RHOSE, NO.2(FOR RADIATOR RESERVE TANK)
16471CAP SUB-ASSY, RESERVE TANK
16472HOSE, BREATHER
16571HOSE, RADIATOR, INLET
16571ACLAMP OR CLIP, HOSE(FOR RADIATOR INLET)
16572HOSE, RADIATOR, OUTLET
NO.1
NO.2
16572ACLAMP OR CLIP, HOSE(FOR RADIATOR OUTLET NO.1)
RADIATOR SIDE
ENGINE SIDE
16572CCLAMP OR CLIP, HOSE(FOR RADIATOR OUTLET NO.2)
16577PIPE, RADIATOR, NO.7
16701SHROUD SUB-ASSY, FAN
9009904428
main90099-04428
9011608366
main90116-08366
9011908689
main90119-08689
9011908694
main90119-08694
9011912224
main90119-12224
9017906293
main90179-06293
9017908150
main90179-08150
9048025025
main90480-25025
9092901219
main90929-01219
9162660616
main91626-60616
9162660818
main91626-60818
9163560618
main91635-60618
41 parts on this diagram · 2 diagrams in section