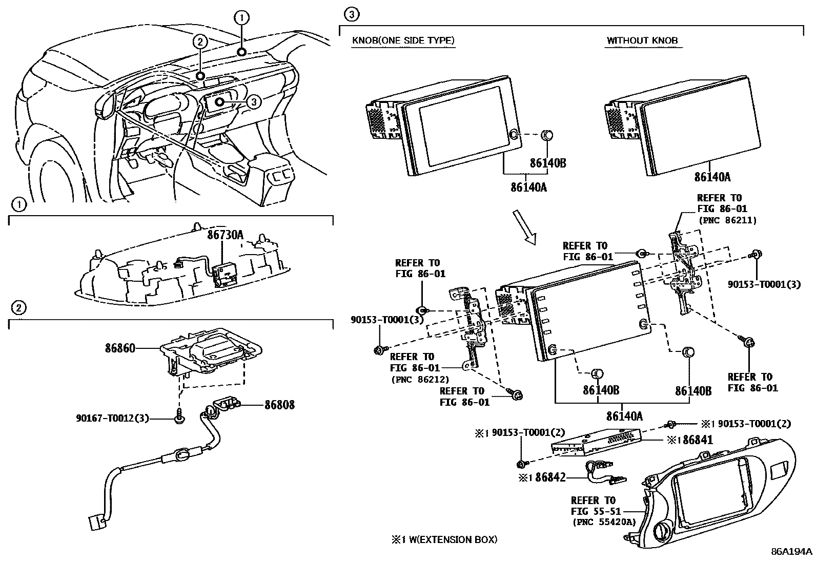
NAVIGATION & FRONT MONITOR DISPLAY

5551INSTRUMENT PANEL & GLOVE COMPARTMENT
8601RADIO RECEIVER & AMPLIFIER & CONDENSER
86140ARECEIVER ASSY, RADIO & DISPLAY
PANASONIC
PANASONIC
PANASONIC; PANASONIC,ISRAEL EURO6 FOR 12 E-PF&AUDIO-WITHOUT & WITH(AUDIO LESS COVER)&BACK MONITOR-WITHOUT&DATA COMMUNICATION MODULE-WITH(E-CALL); PANASONIC,ISRAEL EURO6 FOR 12 E-PF&AUDIO-WITHOUT & WITH(AUDIO LESS COVER)&BACK MONITOR-WITHOUT&DATA COMMUNICATION MODULE-WITHOUT; PANASONIC,TURKEY EURO6 FOR 12 E-PF&AUDIO-WITHOUT & WITH(AUDIO LESS COVER)&BACK MONITOR-WITHOUT&DATA COMMUNICATION MODULE-WITH(E-CALL); PANASONIC,TURKEY EURO6 FOR 12 E-PF&AUDIO-WITHOUT & WITH(AUDIO LESS COVER)&BACK MONITOR-WITHOUT&DATA COMMUNICATION MODULE-WITHOUT; PANASONIC,UKRAINE SPEC (EURO 6 REGULATION)&AUDIO-WITHOUT & WITH(AUDIO LESS COVER)&BACK MONITOR-WITHOUT&DATA COMMUNICATION MODULE-WITHOUT
PANASONIC
PANASONIC; PANASONIC,ISRAEL EURO6 FOR 12 E-PF&AUDIO-WITHOUT & WITH(AUDIO LESS COVER)&BACK MONITOR-WITHOUT; PANASONIC,RUSSIA&CUSTOM UNION SPEC&ACTIVE SAFETY PACKAGE-WITHOUT&AUDIO-WITHOUT & WITH(AUDIO LESS COVER)&BACK MONITOR-WITHOUT&DATA COMMUNICATION MODULE; PANASONIC,RUSSIA&CUSTOM UNION SPEC&ACTIVE SAFETY PACKAGE-WITHOUT&AUDIO-WITHOUT & WITH(AUDIO LESS COVER)&BACK MONITOR-WITHOUT&DATA COMMUNICATION MODULE-WITH(ERA-GLONASS(ROLL OVER)); PANASONIC,TURKEY EURO6 FOR 12 E-PF&AUDIO-WITHOUT & WITH(AUDIO LESS COVER)&BACK MONITOR-WITHOUT; PANASONIC,UKRAINE SPEC (EURO 6 REGULATION)&AUDIO-WITHOUT & WITH(AUDIO LESS COVER)&BACK MONITOR-WITHOUT&DATA COMMUNICATION MODULE-WITHOUT
PANASONIC,AUDIO-AVN(8INCH) & *BT & DAB
PANASONIC,AUDIO-AVN(8INCH) & *BT & DAB&SPEAKER-9SPEAKER & JBL
PANASONIC,AUDIO-AVN(8INCH) & *BT & DAB&SPEAKER-9SPEAKER & JBL
PANASONIC,ISRAEL SPEC (EURO 6 REGULATION)&1 TON PAY LOAD PACKAGE&ACTIVE SAFETY PACKAGE-WITH&AUDIO-AVN(8INCH) & *BT & DAB&DATA COMMUNICATION MODULE- WITH (REMOTE CONTROL PACKAGE); PANASONIC,ISRAEL SPEC (EURO 6 REGULATION)&1 TON PAY LOAD PACKAGE&ACTIVE SAFETY PACKAGE-WITH&STEERING WHEEL-LEATHER&AUDIO-AVN(8INCH) & *BT & DAB&DATA COMMUNICATION MODULE- WITH (REMOTE CONTROL PACKAGE); PANASONIC,ISRAEL SPEC (EURO 6 REGULATION)&ACTIVE SAFETY PACKAGE-WITH&AUDIO-AVN(8INCH) & *BT & DAB&BACK MONITOR-WITH&DATA COMMUNICATION MODULE- WITH (REMOTE CONTROLPACKAGE); PANASONIC,ISRAEL SPEC (EURO 6 REGULATION)&ACTIVE SAFETY PACKAGE-WITH&STEERING WHEEL-LEATHER&AUDIO-AVN(8INCH) & *BT & DAB&DATA COMMUNICATION MODULE- WITH (REMOTE CONTROL PACKAGE); PANASONIC,ISRAEL SPEC (EURO 6 REGULATION)&ANTI-THEFT SYSTEM-WITH(IMMOBILIZER)&AUDIO-AVN(8INCH) & *BT & DAB; PANASONIC,ISRAEL SPEC (EURO 6 REGULATION)&AUDIO-AVN(8INCH) & *BT & DAB&DATA COMMUNICATION MODULE- WITH (REMOTE CONTROL PACKAGE); PANASONIC,ISRAEL SPEC (EURO 6 REGULATION)&GR SPORT WIDE TREAD&ACTIVE SAFETY PACKAGE-WITH&STEERING WHEEL-GR SPORT(LEATHER)&AUDIO-AVN(8INCH) & *BT & DAB&BACK MONITOR-WITH(*PVM)&DATA COMMUNICATION MODULE- WITH (REMOTE CONTROL PACKAGE); PANASONIC,ISRAEL SPEC (EURO 6 REGULATION)&MLM ADVENTURE PACKAGE&ACTIVE SAFETY PACKAGE-WITH&AUDIO-AVN(8INCH) & *BT & DAB&DATA COMMUNICATION MODULE- WITH (REMOTE CONTROL PACKAGE); PANASONIC,ISRAEL SPEC (EURO 6 REGULATION)&MLM ADVENTURE PACKAGE&ACTIVE SAFETY PACKAGE-WITH&STEERING WHEEL-LEATHER&AUDIO-AVN(8INCH) & *BT & DAB&DATA COMMUNICATION MODULE- WITH (REMOTE CONTROL PACKAGE)
PANASONIC,AUDIO-AVN(8INCH) & *BT & DAB
PANASONIC,ISRAEL SPEC (EURO 6 REGULATION)&1 TON PAY LOAD PACKAGE&ACTIVE SAFETY PACKAGE-WITH&AUDIO-AVN(8INCH) & *BT & DAB&SPEAKER-9SPEAKER & JBL&DATA COMMUNICATION MODULE- WITH (REMOTE CONTROL PACKAGE); PANASONIC,ISRAEL SPEC (EURO 6 REGULATION)&1 TON PAY LOAD PACKAGE&ACTIVE SAFETY PACKAGE-WITH&STEERING WHEEL-LEATHER&AUDIO-AVN(8INCH) & *BT & DAB&SPEAKER-9SPEAKER & JBL&DATA COMMUNICATION MODULE- WITH (REMOTE CONTROL PACKAGE); PANASONIC,ISRAEL SPEC (EURO 6 REGULATION)&ACTIVE SAFETY PACKAGE-WITH&STEERING WHEEL-LEATHER&AUDIO-AVN(8INCH) & *BT & DAB&SPEAKER-9SPEAKER & JBL&DATA COMMUNICATION MODULE- WITH (REMOTE CONTROL PACKAGE); PANASONIC,ISRAEL SPEC (EURO 6 REGULATION)&GR SPORT WIDE TREAD&ACTIVE SAFETY PACKAGE-WITH&STEERING WHEEL-GR SPORT(LEATHER)&AUDIO-AVN(8INCH) & *BT & DAB&SPEAKER-9SPEAKER & JBL&BACK MONITOR-WITH(*PVM)&DATA COMMUNICATION MODULE- WITH (REMOTE CONTROLPACKAGE); PANASONIC,ISRAEL SPEC (EURO 6 REGULATION)&MLM ADVENTURE PACKAGE&ACTIVE SAFETY PACKAGE-WITH&AUDIO-AVN(8INCH) & *BT & DAB&SPEAKER-9SPEAKER & JBL&DATA COMMUNICATION MODULE- WITH (REMOTE CONTROL PACKAGE); PANASONIC,ISRAEL SPEC (EURO 6 REGULATION)&MLM ADVENTURE PACKAGE&ACTIVE SAFETY PACKAGE-WITH&STEERING WHEEL-LEATHER&AUDIO-AVN(8INCH) & *BT & DAB&SPEAKER-9SPEAKER & JBL&DATA COMMUNICATION MODULE- WITH (REMOTE CONTROL PACKAGE)
PANASONIC,UKRAINE SPEC (EURO 6 REGULATION)&1 TON PAY LOAD PACKAGE&DATA COMMUNICATION MODULE-WITHOUT; PANASONIC,UKRAINE SPEC (EURO 6 REGULATION)&1 TON PAY LOAD PACKAGE&STEERING WHEEL-LEATHER&DATA COMMUNICATION MODULE-WITHOUT; PANASONIC,UKRAINE SPEC (EURO 6 REGULATION)&GR SPORT WIDE TREAD&STEERING WHEEL-GR SPORT(LEATHER)&BACK MONITOR-WITH(*PVM)&DATA COMMUNICATION MODULE-WITHOUT; PANASONIC,UKRAINE SPEC (EURO 6 REGULATION)&GR SPORT WIDE TREAD&STEERING WHEEL-GR SPORT,LEATHER & WITH(STEERING HEATER)&BACK MONITOR-WITH(*PVM)&DATA COMMUNICATION MODULE-WITHOUT; PANASONIC,UKRAINE SPEC (EURO 6 REGULATION)&STEERING WHEEL-LEATHER&DATA COMMUNICATION MODULE-WITHOUT
main86140-0KP74iGUN125..6FC..S; GUN125..THP..6F; GUN126..S; GUN126..THP..H; GUN135..6FC;GUN125..THP..6F; GUN135..THP..6F; GUN135..THP;GUN125..THP..H;GUN125..THP..6F202308-202407
PANASONIC; PANASONIC,AUDIO-*DA(8INCH) & *BT & DAB&BACK MONITOR-WITH; PANASONIC,ISRAEL EURO6 FOR 12 E-PF; PANASONIC,ISRAEL EURO6 FOR 12 E-PF&ANTI-THEFT SYSTEM-WITH(IMMOBILIZER); PANASONIC,ISRAEL EURO6 FOR 12 E-PF&DATA COMMUNICATION MODULE-WITH(E-CALL); PANASONIC,ISRAEL EURO6 FOR 12 E-PF&DATA COMMUNICATION MODULE-WITHOUT; PANASONIC,RUSSIA&CUSTOM UNION SPEC&ACTIVE SAFETY PACKAGE-WITHOUT&DATA COMMUNICATION MODULE-WITH(ERA-GLONASS(ROLL OVER)); PANASONIC,TURKEY EURO6 FOR 12 E-PF; PANASONIC,TURKEY EURO6 FOR 12 E-PF&DATA COMMUNICATION MODULE-WITH(E-CALL); PANASONIC,TURKEY EURO6 FOR 12 E-PF&DATA COMMUNICATION MODULE-WITHOUT
main86140-0KQ83iGUN125..6FC..S; GUN125..THP..6F; GUN126..S; GUN126..THP..H; GUN135..6FC;GUN125..THP..6F; GUN135..THP..6F; GUN135..THP;GUN125..THP..6F202308-202407
PANASONIC,AUDIO-AVN(8INCH) & *BT & DAB; PANASONIC,AUDIO-AVN(8INCH) & *BT & DAB&BACK MONITOR-WITH; PANASONIC,ISRAEL EURO6 FOR 12 E-PF&ANTI-THEFT SYSTEM-WITH(IMMOBILIZER)&AUDIO-AVN(8INCH) & *BT & DAB; PANASONIC,ISRAEL EURO6 FOR 12 E-PF&AUDIO-AVN(8INCH) & *BT & DAB; PANASONIC,ISRAEL EURO6 FOR 12 E-PF&AUDIO-AVN(8INCH) & *BT & DAB&DATA COMMUNICATIONMODULE-WITH(E-CALL); PANASONIC,ISRAEL EURO6 FOR 12 E-PF&AUDIO-AVN(8INCH) & *BT & DAB&DATA COMMUNICATIONMODULE-WITHOUT; PANASONIC,RUSSIA&CUSTOM UNION SPEC&ACTIVE SAFETY PACKAGE-WITHOUT&AUDIO-AVN(8INCH)& *BT & DAB&DATA COMMUNICATION MODULE-WITH(ERA-GLONASS(ROLL OVER)); PANASONIC,TURKEY EURO6 FOR 12 E-PF&AUDIO-AVN(8INCH) & *BT & DAB; PANASONIC,TURKEY EURO6 FOR 12 E-PF&AUDIO-AVN(8INCH) & *BT & DAB&DATA COMMUNICATIONMODULE-WITH(E-CALL); PANASONIC,TURKEY EURO6 FOR 12 E-PF&AUDIO-AVN(8INCH) & *BT & DAB&DATA COMMUNICATIONMODULE-WITHOUT
PANASONIC,TURKEY EURO6 FOR 12 E-PF&SPEAKER-9SPEAKER & JBL
PANASONIC,AUDIO-AVN(8INCH) & *BT & DAB&SPEAKER-9SPEAKER & JBL
PANASONIC,SPEAKER-9SPEAKER & JBL
PANASONIC,SPEAKER-9SPEAKER & JBL
PANASONIC,SPEAKER-9SPEAKER & JBL
PANASONIC,SPEAKER-9SPEAKER & JBL
main86140-F0150iGUN125..6FC..S; GUN125..THP..6F; GUN126..S; GUN126..THP..H; GUN135..6FC; GUN135..THP..6F202405-202407
HARMAN,ISRAEL SPEC (EURO 6 REGULATION)&1 TON PAY LOAD PACKAGE&ACTIVE SAFETY PACKAGE-WITH&AUDIO-*DA(ENTRY MODEL)&DATA COMMUNICATION MODULE- WITH (REMOTE CONTROL PACKAGE); HARMAN,ISRAEL SPEC (EURO 6 REGULATION)&1 TON PAY LOAD PACKAGE&ACTIVE SAFETY PACKAGE-WITH&STEERING WHEEL-LEATHER&AUDIO-*DA(ENTRY MODEL)&DATA COMMUNICATION MODULE- WITH (REMOTE CONTROL PACKAGE); HARMAN,ISRAEL SPEC (EURO 6 REGULATION)&ACTIVE SAFETY PACKAGE-WITH&AUDIO-*DA(ENTRYMODEL)&BACK MONITOR-WITH&DATA COMMUNICATION MODULE- WITH (REMOTE CONTROL PACKAGE); HARMAN,ISRAEL SPEC (EURO 6 REGULATION)&ACTIVE SAFETY PACKAGE-WITH&STEERING WHEEL-LEATHER&AUDIO-*DA(ENTRY MODEL)&DATA COMMUNICATION MODULE- WITH (REMOTE CONTROL PACKAGE); HARMAN,ISRAEL SPEC (EURO 6 REGULATION)&ANTI-THEFT SYSTEM-WITH(IMMOBILIZER)&AUDIO-*DA(ENTRY MODEL); HARMAN,ISRAEL SPEC (EURO 6 REGULATION)&AUDIO-*DA(ENTRY MODEL)&DATA COMMUNICATION MODULE- WITH (REMOTE CONTROL PACKAGE); HARMAN,ISRAEL SPEC (EURO 6 REGULATION)&MLM ADVENTURE PACKAGE&ACTIVE SAFETY PACKAGE-WITH&AUDIO-*DA(ENTRY MODEL)&DATA COMMUNICATION MODULE- WITH (REMOTE CONTROL PACKAGE); HARMAN,ISRAEL SPEC (EURO 6 REGULATION)&MLM ADVENTURE PACKAGE&ACTIVE SAFETY PACKAGE-WITH&STEERING WHEEL-LEATHER&AUDIO-*DA(ENTRY MODEL)&DATA COMMUNICATION MODULE- WITH (REMOTE CONTROL PACKAGE); HARMAN,TURKEY SPEC (EURO 6 REGULATION)&1 TON PAY LOAD PACKAGE&ACTIVE SAFETY PACKAGE-WITH&AUDIO-*DA(ENTRY MODEL)&DATA COMMUNICATION MODULE-WITH(E-CALL); HARMAN,TURKEY SPEC (EURO 6 REGULATION)&1 TON PAY LOAD PACKAGE&ACTIVE SAFETY PACKAGE-WITH&STEERING WHEEL-LEATHER&AUDIO-*DA(ENTRY MODEL)&DATA COMMUNICATION MODULE-WITH(E-CALL); HARMAN,TURKEY SPEC (EURO 6 REGULATION)&ACTIVE SAFETY PACKAGE-WITH&AUDIO-*DA(ENTRYMODEL)&BACK MONITOR-WITH&DATA COMMUNICATION MODULE-WITH(E-CALL); HARMAN,TURKEY SPEC (EURO 6 REGULATION)&ACTIVE SAFETY PACKAGE-WITH&STEERING WHEEL-LEATHER&AUDIO-*DA(ENTRY MODEL)&DATA COMMUNICATION MODULE-WITH(E-CALL); HARMAN,TURKEY SPEC (EURO 6 REGULATION)&AUDIO-*DA(ENTRY MODEL); HARMAN,TURKEY SPEC (EURO 6 REGULATION)&AUDIO-*DA(ENTRY MODEL)&DATA COMMUNICATION MODULE-WITH(E-CALL)
HARMAN,AUDIO-*DA(ENTRY MODEL)
86140BKNOB, RADIO & DISPLAY RECEIVER SWITCH
main90010-24202supersedes 90011-25321iGUN125,135..THP; GUN125..6FC..S; GUN125..THP..6F; GUN125..THP..S202308-202407
ISRAEL EURO6 FOR 12 E-PF&AUDIO-WITHOUT & WITH(AUDIO LESS COVER)&BACK MONITOR-WITHOUT; ISRAEL EURO6 FOR 12 E-PF&AUDIO-WITHOUT & WITH(AUDIO LESS COVER)&BACK MONITOR-WITHOUT&DATA COMMUNICATION MODULE-WITH(E-CALL); ISRAEL EURO6 FOR 12 E-PF&AUDIO-WITHOUT & WITH(AUDIO LESS COVER)&BACK MONITOR-WITHOUT&DATA COMMUNICATION MODULE-WITHOUT; RUSSIA&CUSTOM UNION SPEC&ACTIVE SAFETY PACKAGE-WITHOUT&AUDIO-WITHOUT & WITH(AUDIOLESS COVER)&BACK MONITOR-WITHOUT&DATA COMMUNICATION MODULE; RUSSIA&CUSTOM UNION SPEC&ACTIVE SAFETY PACKAGE-WITHOUT&AUDIO-WITHOUT & WITH(AUDIOLESS COVER)&BACK MONITOR-WITHOUT&DATA COMMUNICATION MODULE-WITH(ERA-GLONASS(ROLL OVER)); TURKEY EURO6 FOR 12 E-PF&AUDIO-WITHOUT & WITH(AUDIO LESS COVER)&BACK MONITOR-WITHOUT; TURKEY EURO6 FOR 12 E-PF&AUDIO-WITHOUT & WITH(AUDIO LESS COVER)&BACK MONITOR-WITHOUT&DATA COMMUNICATION MODULE-WITH(E-CALL); TURKEY EURO6 FOR 12 E-PF&AUDIO-WITHOUT & WITH(AUDIO LESS COVER)&BACK MONITOR-WITHOUT&DATA COMMUNICATION MODULE-WITHOUT; UKRAINE SPEC (EURO 6 REGULATION)&AUDIO-WITHOUT & WITH(AUDIO LESS COVER)&BACK MONITOR-WITHOUT&DATA COMMUNICATION MODULE-WITHOUT
main90011-25321×4iGUN125..6FC..S; GUN125..THP..6F; GUN125..THP..H; GUN125..THP..S; GUN126..S; GUN126..THP..H; GUN135..6FC;GUN125..THP..6F; GUN135..THP..6F; GUN135..THP;GUN125..THP..6F; GUN135..THP;GUN125..THP..H;GUN125..THP..6F202308-202407
AUDIO-*DA(8INCH) & *BT & DAB&BACK MONITOR-WITH; AUDIO-AVN(8INCH) & *BT & DAB&BACK MONITOR-WITH; ISRAEL EURO6 FOR 12 E-PF; ISRAEL EURO6 FOR 12 E-PF&ANTI-THEFT SYSTEM-WITH(IMMOBILIZER); ISRAEL EURO6 FOR 12 E-PF&ANTI-THEFT SYSTEM-WITH(IMMOBILIZER)&AUDIO-AVN(8INCH) & *BT & DAB; ISRAEL EURO6 FOR 12 E-PF&AUDIO-AVN(8INCH) & *BT & DAB; ISRAEL EURO6 FOR 12 E-PF&AUDIO-AVN(8INCH) & *BT & DAB&DATA COMMUNICATION MODULE-WITH(E-CALL); ISRAEL EURO6 FOR 12 E-PF&AUDIO-AVN(8INCH) & *BT & DAB&DATA COMMUNICATION MODULE-WITHOUT; ISRAEL EURO6 FOR 12 E-PF&DATA COMMUNICATION MODULE-WITH(E-CALL); ISRAEL EURO6 FOR 12 E-PF&DATA COMMUNICATION MODULE-WITHOUT; RUSSIA&CUSTOM UNION SPEC&ACTIVE SAFETY PACKAGE-WITHOUT&AUDIO-AVN(8INCH) & *BT & DAB&DATA COMMUNICATION MODULE-WITH(ERA-GLONASS(ROLL OVER)); RUSSIA&CUSTOM UNION SPEC&ACTIVE SAFETY PACKAGE-WITHOUT&DATA COMMUNICATION MODULE-WITH(ERA-GLONASS(ROLL OVER)); TURKEY EURO6 FOR 12 E-PF; TURKEY EURO6 FOR 12 E-PF&AUDIO-AVN(8INCH) & *BT & DAB; TURKEY EURO6 FOR 12 E-PF&AUDIO-AVN(8INCH) & *BT & DAB&DATA COMMUNICATION MODULE-WITH(E-CALL); TURKEY EURO6 FOR 12 E-PF&AUDIO-AVN(8INCH) & *BT & DAB&DATA COMMUNICATION MODULE-WITHOUT; TURKEY EURO6 FOR 12 E-PF&DATA COMMUNICATION MODULE-WITH(E-CALL); TURKEY EURO6 FOR 12 E-PF&DATA COMMUNICATION MODULE-WITHOUT; TURKEY EURO6 FOR 12 E-PF&SPEAKER-9SPEAKER & JBL; UKRAINE SPEC (EURO 6 REGULATION)&AUDIO-*DA(8INCH) & *BT & DAB&BACK MONITOR-WITH&DATA COMMUNICATION MODULE-WITHOUT; UKRAINE SPEC (EURO 6 REGULATION)&DATA COMMUNICATION MODULE-WITHOUT
86730AMICROPHONE ASSY, TELEPHONE
main86730-60050iGUN125..6FC..S; GUN125..THP..6F; GUN125..THP..S; GUN126..S; GUN126..THP; GUN135..6FC;GUN125..THP..6F; GUN135..THP..6F; GUN135..THP;GUN125..THP..H;GUN125..THP..6F202308-202407
ISRAEL EURO6 FOR 12 E-PF; ISRAEL EURO6 FOR 12 E-PF&ANTI-THEFT SYSTEM-WITH(IMMOBILIZER); ISRAEL EURO6 FOR 12 E-PF&DATA COMMUNICATION MODULE-WITH(E-CALL); ISRAEL EURO6 FOR 12 E-PF&DATA COMMUNICATION MODULE-WITHOUT; RUSSIA&CUSTOM UNION SPEC&DATA COMMUNICATION MODULE-WITH(ERA-GLONASS(ROLL OVER)); TURKEY EURO6 FOR 12 E-PF; TURKEY EURO6 FOR 12 E-PF&DATA COMMUNICATION MODULE-WITH(E-CALL); TURKEY EURO6 FOR 12 E-PF&DATA COMMUNICATION MODULE-WITHOUT; UKRAINE SPEC (EURO 6 REGULATION)&DATA COMMUNICATION MODULE-WITHOUT
ISRAEL EURO6 FOR 12 E-PF&AUDIO-WITHOUT & WITH(AUDIO LESS COVER)&DATA COMMUNICATIONMODULE-WITHOUT; TURKEY EURO6 FOR 12 E-PF&AUDIO-WITHOUT & WITH(AUDIO LESS COVER)&DATA COMMUNICATIONMODULE-WITHOUT; UKRAINE SPEC (EURO 6 REGULATION)&AUDIO-WITHOUT & WITH(AUDIO LESS COVER)&DATA COMMUNICATION MODULE-WITHOUT
86808CORD SUB-ASSY, NAVIGATION ANTENNA, NO.1
DATA COMMUNICATION MODULE; ISRAEL EURO6 FOR 12 E-PF&DATA COMMUNICATION MODULE-WITHOUT; RUSSIA&CUSTOM UNION SPEC&DATA COMMUNICATION MODULE-WITH(ERA-GLONASS(ROLL OVER)); TURKEY EURO6 FOR 12 E-PF&DATA COMMUNICATION MODULE-WITHOUT; UKRAINE SPEC (EURO 6 REGULATION)&DATA COMMUNICATION MODULE-WITHOUT
ISRAEL EURO6 FOR 12 E-PF&AUDIO-WITHOUT & WITH(AUDIO LESS COVER)&DATA COMMUNICATIONMODULE-WITHOUT; ISRAEL EURO6 FOR 12 E-PF&DATA COMMUNICATION MODULE-WITH(E-CALL); RUSSIA&CUSTOM UNION SPEC&AUDIO-WITHOUT & WITH(AUDIO LESS COVER)&DATA COMMUNICATIONMODULE; TURKEY EURO6 FOR 12 E-PF&AUDIO-WITHOUT & WITH(AUDIO LESS COVER)&DATA COMMUNICATIONMODULE-WITHOUT; TURKEY EURO6 FOR 12 E-PF&DATA COMMUNICATION MODULE-WITH(E-CALL); UKRAINE SPEC (EURO 6 REGULATION)&AUDIO-WITHOUT & WITH(AUDIO LESS COVER)&DATA COMMUNICATION MODULE-WITHOUT
ISRAEL EURO6 FOR 12 E-PF&AUDIO-*DA(8INCH) & *BT & DAB&DATA COMMUNICATION MODULE-WITHOUT; ISRAEL EURO6 FOR 12 E-PF&AUDIO-AVN(8INCH) & *BT & DAB&DATA COMMUNICATION MODULE-WITHOUT; ISRAEL EURO6 FOR 12 E-PF&DATA COMMUNICATION MODULE-WITHOUT; TURKEY EURO6 FOR 12 E-PF&AUDIO-*DA(8INCH) & *BT & DAB&DATA COMMUNICATION MODULE-WITHOUT; TURKEY EURO6 FOR 12 E-PF&AUDIO-AVN(8INCH) & *BT & DAB&DATA COMMUNICATION MODULE-WITHOUT; TURKEY EURO6 FOR 12 E-PF&DATA COMMUNICATION MODULE-WITHOUT; UKRAINE SPEC (EURO 6 REGULATION)&AUDIO-*DA(8INCH) & *BT & DAB&DATA COMMUNICATION MODULE-WITHOUT; UKRAINE SPEC (EURO 6 REGULATION)&DATA COMMUNICATION MODULE-WITHOUT
main86808-0K380iGUN125..6FC..S;GUN126..THP..H; GUN126..S; GUN135..6FC;GUN125..THP..6F; GUN135..THP..6F; GUN135..THP;GUN125..THP..H;GUN125..THP..6F202401-202406
ISRAEL EURO6 FOR 12 E-PF; ISRAEL EURO6 FOR 12 E-PF&ANTI-THEFT SYSTEM-WITH(IMMOBILIZER); ISRAEL EURO6 FOR 12 E-PF&AUDIO-*DA(8INCH) & *BT & DAB&DATA COMMUNICATION MODULE-WITH(E-CALL); ISRAEL EURO6 FOR 12 E-PF&AUDIO-AVN(8INCH) & *BT & DAB&DATA COMMUNICATION MODULE-WITH(E-CALL); ISRAEL EURO6 FOR 12 E-PF&DATA COMMUNICATION MODULE-WITH(E-CALL); TURKEY EURO6 FOR 12 E-PF; TURKEY EURO6 FOR 12 E-PF&AUDIO-*DA(8INCH) & *BT & DAB&DATA COMMUNICATION MODULE-WITH(E-CALL); TURKEY EURO6 FOR 12 E-PF&AUDIO-AVN(8INCH) & *BT & DAB&DATA COMMUNICATION MODULE-WITH(E-CALL); TURKEY EURO6 FOR 12 E-PF&DATA COMMUNICATION MODULE-WITH(E-CALL)
86841COMPUTER, NAVIGATION
ISRAEL EURO6 FOR 12 E-PF&AUDIO-AVN(8INCH) & *BT & DAB; TURKEY EURO6 FOR 12 E-PF&AUDIO-AVN(8INCH) & *BT & DAB
86842WIRE, NAVIGATION, NO.1
AUDIO-AVN(8INCH) & *BT & DAB; ISRAEL EURO6 FOR 12 E-PF&AUDIO-AVN(8INCH) & *BT & DAB; RUSSIA&CUSTOM UNION SPEC&AUDIO-AVN(8INCH) & *BT & DAB; TURKEY EURO6 FOR 12 E-PF&AUDIO-AVN(8INCH) & *BT & DAB
86860ANTENNA ASSY, NAVIGATION
ISRAEL EURO6 FOR 12 E-PF&AUDIO-*DA(8INCH) & *BT & DAB&DATA COMMUNICATION MODULE-WITHOUT; ISRAEL EURO6 FOR 12 E-PF&AUDIO-AVN(8INCH) & *BT & DAB&DATA COMMUNICATION MODULE-WITHOUT; ISRAEL EURO6 FOR 12 E-PF&DATA COMMUNICATION MODULE-WITHOUT; TURKEY EURO6 FOR 12 E-PF&AUDIO-*DA(8INCH) & *BT & DAB&DATA COMMUNICATION MODULE-WITHOUT; TURKEY EURO6 FOR 12 E-PF&AUDIO-AVN(8INCH) & *BT & DAB&DATA COMMUNICATION MODULE-WITHOUT; TURKEY EURO6 FOR 12 E-PF&DATA COMMUNICATION MODULE-WITHOUT; UKRAINE SPEC (EURO 6 REGULATION)&AUDIO-*DA(8INCH) & *BT & DAB&DATA COMMUNICATION MODULE-WITHOUT; UKRAINE SPEC (EURO 6 REGULATION)&DATA COMMUNICATION MODULE-WITHOUT
DATA COMMUNICATION MODULE; ISRAEL EURO6 FOR 12 E-PF&DATA COMMUNICATION MODULE-WITHOUT; RUSSIA&CUSTOM UNION SPEC&DATA COMMUNICATION MODULE-WITH(ERA-GLONASS(ROLL OVER)); TURKEY EURO6 FOR 12 E-PF&DATA COMMUNICATION MODULE-WITHOUT; UKRAINE SPEC (EURO 6 REGULATION)&DATA COMMUNICATION MODULE-WITHOUT
90153T0001
main90153-T0001
90167T0012
main90167-T0012
11 parts on this diagram · 1 diagram in section