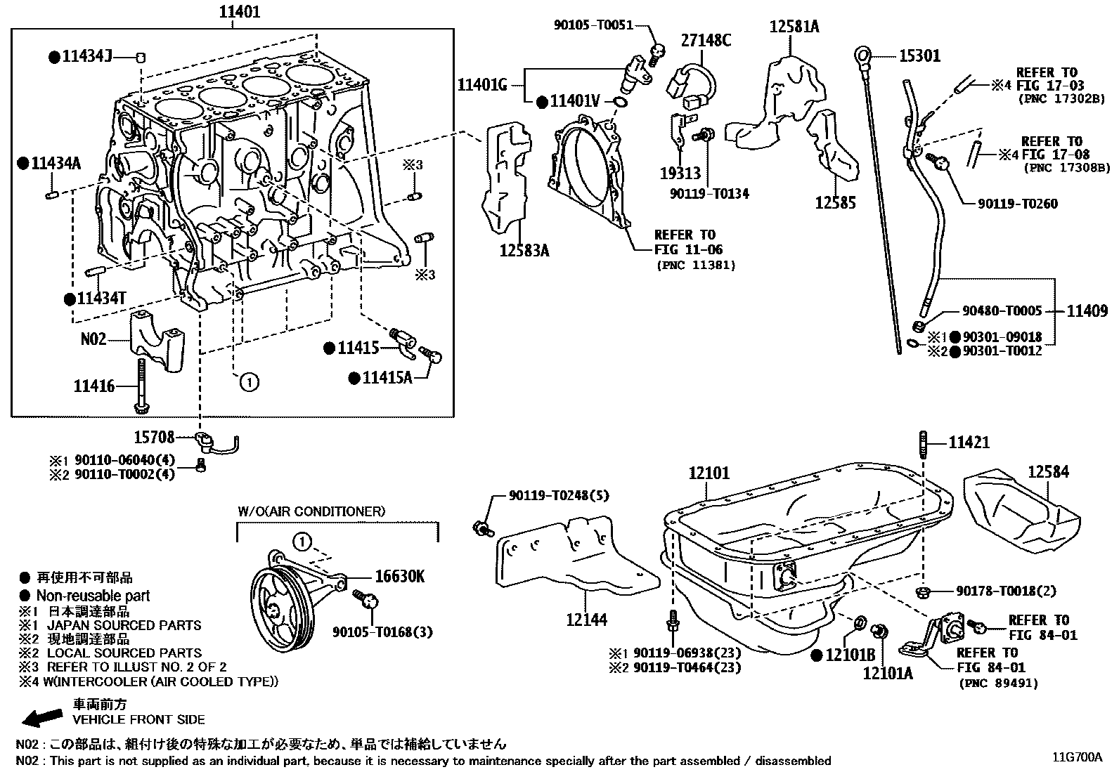
CYLINDER BLOCK

1106TIMING GEAR COVER & REAR END PLATE
11401BLOCK SUB-ASSY, CYLINDER
11401GSENSOR, CRANK POSITION
11401VO-RING, CRANK POSITION SENSOR
11409GUIDE SUB-ASSY, OIL LEVEL GAGE
THA SOURCED PARTS
ISRAEL SPEC (EURO 6 REGULATION),IND SOURCED PARTS; TURKEY SPEC (EURO 6 REGULATION),IND SOURCED PARTS; UKRAINE SPEC (EURO 6 REGULATION),IND SOURCED PARTS
11415COCK SUB-ASSY, WATER DRAIN(FOR CYLINDER BLOCK)
11415APLUG, WATER DRAIN COCK(FOR CYLINDER BLOCK)
(J)
(L)
11416BOLT(FOR CRANKSHAFT BEARING CAP SET)
(L)
11421BOLT, STUD(FOR OIL PAN)
11434APIN, STRAIGHT(FOR TIMING GEAR COVER SET)
L=18,OD=8,(L)
11434JPIN, RING (FOR CYLINDER HEAD SET)
(L)
11434TPIN, RING(FOR TIMING BELT IDLER BRACKET SET)
(J)
(L)
12101PAN SUB-ASSY, OIL
THA SOURCED PARTS
12101APLUG(FOR OIL PAN DRAIN)
(L)
12101BGASKET(FOR OIL PAN DRAIN PLUG)
(L)
12144SILENCER, OIL PAN COVER
THA SOURCED PARTS
12581AINSULATOR, CYLINDER BLOCK, NO.1
THA SOURCED PARTS
IND SOURCED PARTS; RUSSIA&CUSTOM UNION SPEC,IND SOURCED PARTS
12583AINSULATOR, CYLINDER BLOCK, NO.3
THA SOURCED PARTS
IND SOURCED PARTS; RUSSIA&CUSTOM UNION SPEC,IND SOURCED PARTS
12584INSULATOR, CYLINDER BROCK, NO.4
ZAF SOURCED PARTS
THA SOURCED PARTS
12585INSULATOR, CYLINDER BROCK, NO.5
THA SOURCED PARTS
IND SOURCED PARTS; RUSSIA&CUSTOM UNION SPEC,IND SOURCED PARTS
15301GAGE SUB-ASSY, OIL LEVEL
THA SOURCED PARTS
ISRAEL SPEC (EURO 6 REGULATION),IND SOURCED PARTS; TURKEY SPEC (EURO 6 REGULATION),IND SOURCED PARTS; UKRAINE SPEC (EURO 6 REGULATION),IND SOURCED PARTS
15708NOZZLE SUB-ASSY, OIL, NO.1
(L)
16630KPULLEY ASSY, IDLER
FRONT AIR CONDITIONER-COOLER LESS
1703AIR CLEANER
1708VACUUM PIPING
19313BRACKET, CRANK POSITION SENSOR HARNESS
THA SOURCED PARTS
ISRAEL SPEC (EURO 6 REGULATION),IND SOURCED PARTS; TURKEY SPEC (EURO 6 REGULATION),IND SOURCED PARTS; UKRAINE SPEC (EURO 6 REGULATION),IND SOURCED PARTS
27148CWIRE, CONNECTING
THA SOURCED PARTS
ISRAEL SPEC (EURO 6 REGULATION),IND SOURCED PARTS; TURKEY SPEC (EURO 6 REGULATION),IND SOURCED PARTS; UKRAINE SPEC (EURO 6 REGULATION),IND SOURCED PARTS
8401SWITCH & RELAY & COMPUTER
90105T0051
main90105-T0051
90105T0168
main90105-T0168
9011006040
main90110-06040
90110T0002
main90110-T0002
9011906938
main90119-06938
90119T0134
main90119-T0134
90119T0248
main90119-T0248
90119T0260
main90119-T0260
90119T0464
main90119-T0464
90178T0018
main90178-T0018
9030109018
main90301-09018
90301T0012
main90301-T0012
90480T0005
main90480-T0005
41 parts on this diagram · 2 diagrams in section