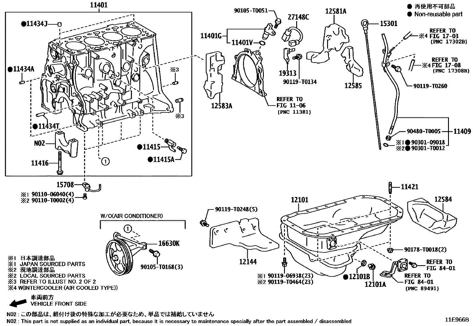
CYLINDER BLOCK

1106TIMING GEAR COVER & REAR END PLATE
11401BLOCK SUB-ASSY, CYLINDER
11401GSENSOR, CRANK POSITION
11401VO-RING, CRANK POSITION SENSOR
11409GUIDE SUB-ASSY, OIL LEVEL GAGE
THA SOURCED PARTS
IND SOURCED PARTS; RUSSIA, CUSTOM UNION SPEC,IND SOURCED PARTS
11415COCK SUB-ASSY, WATER DRAIN(FOR CYLINDER BLOCK)
11415APLUG, WATER DRAIN COCK(FOR CYLINDER BLOCK)
(J)
(L)
11416BOLT(FOR CRANKSHAFT BEARING CAP SET)
(L)
11421BOLT, STUD(FOR OIL PAN)
11434APIN, STRAIGHT(FOR TIMING GEAR COVER SET)
L=18,OD=8,(L)
11434JPIN, RING (FOR CYLINDER HEAD SET)
(L)
11434TPIN, RING(FOR TIMING BELT IDLER BRACKET SET)
(J)
(L)
12101PAN SUB-ASSY, OIL
THA SOURCED PARTS
IND SOURCED PARTS; RUSSIA, CUSTOM UNION SPEC,IND SOURCED PARTS
12101APLUG(FOR OIL PAN DRAIN)
(L)
12101BGASKET(FOR OIL PAN DRAIN PLUG)
(L)
12144SILENCER, OIL PAN COVER
THA SOURCED PARTS
IND SOURCED PARTS; RUSSIA, CUSTOM UNION SPEC,IND SOURCED PARTS
12581AINSULATOR, CYLINDER BLOCK, NO.1
THA SOURCED PARTS
IND SOURCED PARTS; RUSSIA, CUSTOM UNION SPEC,IND SOURCED PARTS
12583AINSULATOR, CYLINDER BLOCK, NO.3
THA SOURCED PARTS
IND SOURCED PARTS; RUSSIA, CUSTOM UNION SPEC,IND SOURCED PARTS
12584INSULATOR, CYLINDER BROCK, NO.4
THA SOURCED PARTS
12585INSULATOR, CYLINDER BROCK, NO.5
THA SOURCED PARTS
IND SOURCED PARTS; RUSSIA, CUSTOM UNION SPEC,IND SOURCED PARTS
15301GAGE SUB-ASSY, OIL LEVEL
THA SOURCED PARTS
IND SOURCED PARTS; RUSSIA, CUSTOM UNION SPEC,IND SOURCED PARTS
15708NOZZLE SUB-ASSY, OIL, NO.1
(L)
16630KPULLEY ASSY, IDLER
FRONT AIR CONDITIONER-COOLER LESS
1703AIR CLEANER
1708VACUUM PIPING
19313BRACKET, CRANK POSITION SENSOR HARNESS
THA SOURCED PARTS
IND SOURCED PARTS; RUSSIA, CUSTOM UNION SPEC,IND SOURCED PARTS
27148CWIRE, CONNECTING
THA SOURCED PARTS
IND SOURCED PARTS; RUSSIA, CUSTOM UNION SPEC,IND SOURCED PARTS
8401SWITCH & RELAY & COMPUTER
90105T0051
main90105-T0051
90105T0168
main90105-T0168
9011006040
main90110-06040
90110T0002
main90110-T0002
9011906938
main90119-06938
90119T0134
main90119-T0134
90119T0248
main90119-T0248
90119T0260
main90119-T0260
90119T0464
main90119-T0464
90178T0018
main90178-T0018
9030109018
main90301-09018
90301T0012
main90301-T0012
90480T0005
main90480-T0005
41 parts on this diagram · 2 diagrams in section