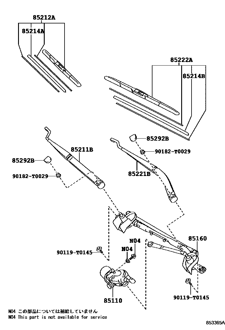
WINDSHIELD WIPER

85110MOTOR ASSY, WINDSHIELD WIPER
85160LINK ASSY, WINDSHIELD WIPER
main85150-0K190iGUN135..SAXTR..IV3;GUN135..SADCB,SASCB;GUN135..SAXTR..S..CBU;GUN12#..LHD..(SADCB,SASCB,SAXTR)201604-202009
85211BARM, FRONT WIPER, RH
85212ABLADE, FR WIPER, RH
85214ARUBBER, WIPER, RH
85214BRUBBER, WIPER, LH
85221BARM, FRONT WIPER, LH
85222ABLADE, FR WIPER, LH
85292BCAP, FRONT WIPER ARM HEAD
90119T0145
main90119-T0145
90182T0029
main90182-T0029
11 parts on this diagram · 2 diagrams in section