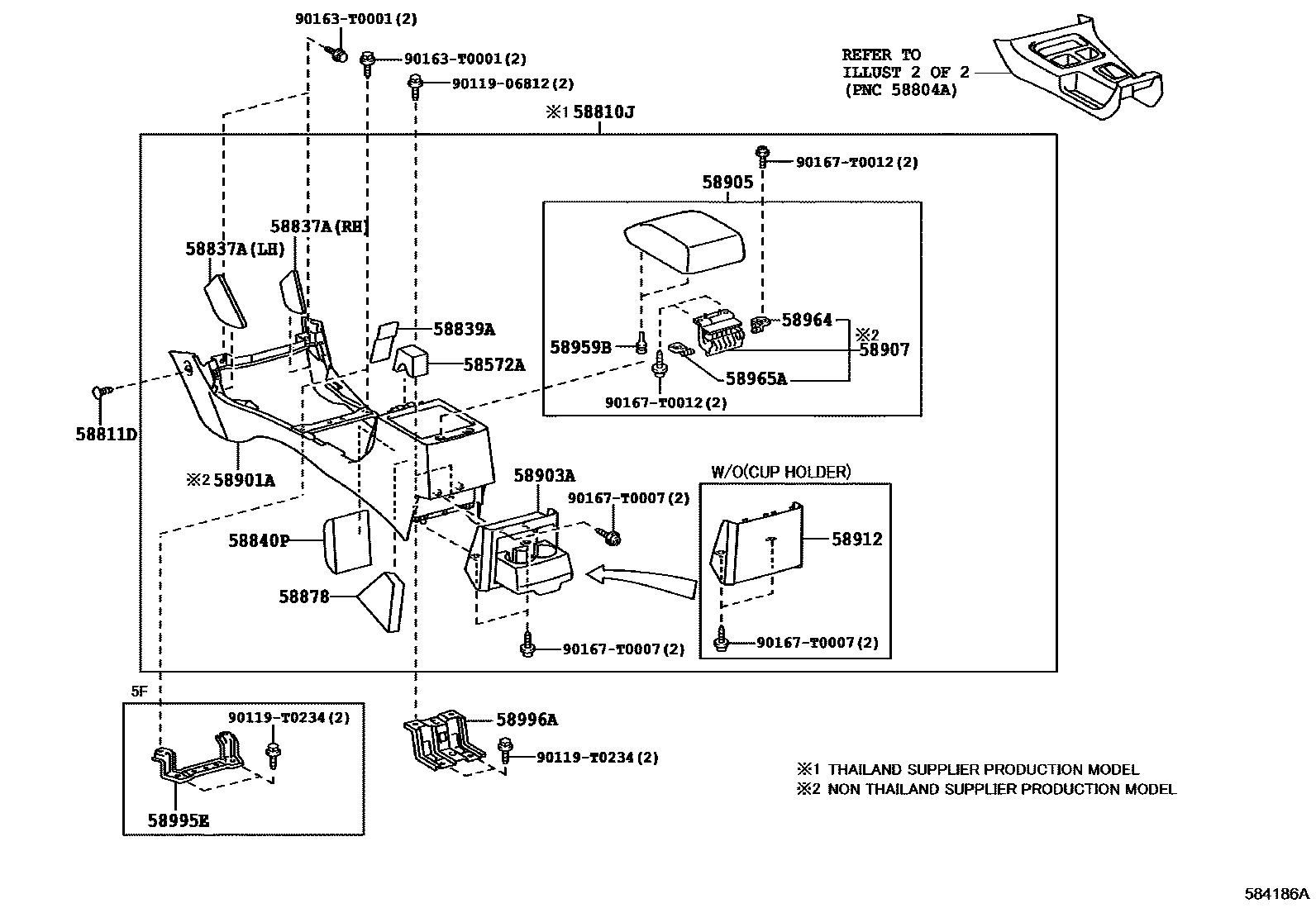
CONSOLE BOX & BRACKET

58572ACUSHION, CONSOLE BOX
FRONT SEAT-PASSENGER SEAT(FOR ONE PERSON)
58810JBOX ASSY, CONSOLE
FRONT SEAT-PASSENGER SEAT(FOR ONE PERSON),MD.GRAY,TRIM1#
sub58810-0K520
FRONT SEAT-PASSENGER SEAT(FOR ONE PERSON),BLACK,TRIM2#
sub58810-0K520
BLACK,TRIM2#
BLACK,TRIM2#
MD.GRAY,TRIM1#
BLACK,TRIM2#
FRONT SEAT-PASSENGER SEAT(FOR ONE PERSON),BLACK,TRIM2#
BLACK,TRIM2#
58811DCLIP(FOR CONSOLE BOX)
BLACK,TRIM2#
FRONT SEAT-PASSENGER SEAT(FOR ONE PERSON),BLACK,TRIM2#
ASH BROWN,TRIM1#
FRONT SEAT-PASSENGER SEAT(FOR ONE PERSON),ASH BROWN,TRIM1#
58837APAD, CONSOLE BOX SILENCER, NO.2
RH
FRONT SEAT-PASSENGER SEAT(FOR ONE PERSON),RH
LH
FRONT SEAT-PASSENGER SEAT(FOR ONE PERSON),LH
58839ACOVER, CONSOLE BOX HOLE
FRONT SEAT-PASSENGER SEAT(FOR ONE PERSON),MD.GRAY,TRIM1#
sub58839-0K010
FRONT SEAT-PASSENGER SEAT(FOR ONE PERSON),BLACK,TRIM2#
sub58839-0K010
58840PPAD, CONSOLE BOX SILENCER, NO.3
FRONT SEAT-PASSENGER SEAT(FOR ONE PERSON)
58878PAD, CONSOLE BOX SILENCER, NO.4
FRONT SEAT-PASSENGER SEAT(FOR ONE PERSON)
58901ABOX SUB-ASSY, CONSOLE, REAR
MD.GRAY,TRIM1#
BLACK,TRIM2#
MD.GRAY,TRIM1#
BLACK,TRIM2#
BLACK,TRIM2#
BLACK,TRIM2#
BLACK,TRIM2#
BLACK,TRIM2#
58903APANEL SUB-ASSY, CONSOLE REAR END
58905DOOR SUB-ASSY, CONSOLE COMPARTMENT
FRONT SEAT-PASSENGER SEAT(FOR ONE PERSON),MD.GRAY,TRIM1#
sub58905-0K010
FRONT SEAT-PASSENGER SEAT(FOR ONE PERSON),BLACK,TRIM2#
sub58905-0K010
58907HINGE SUB-ASSY, CONSOLE COMPARTMENT DOOR
FRONT SEAT-PASSENGER SEAT(FOR ONE PERSON)
58912BOX, REAR CONSOLE, NO.2
FRONT SEAT-PASSENGER SEAT(FOR ONE PERSON),MD.GRAY,TRIM1#
sub58912-0K020
FRONT SEAT-PASSENGER SEAT(FOR ONE PERSON),BLACK,TRIM2#
sub58912-0K020
58959BCUSHION, CONSOLE COMPARTMENT DOOR
FRONT SEAT-PASSENGER SEAT(FOR ONE PERSON)
(J)
FRONT SEAT-PASSENGER SEAT(FOR ONE PERSON),(J)
(L)
58964STOPPER, CONSOLE COMPARTMENT DOOR, NO.1
FRONT SEAT-PASSENGER SEAT(FOR ONE PERSON),(L)
(L)
FRONT SEAT-PASSENGER SEAT(FOR ONE PERSON),(J)
sub58964-0K020
58965ASTOPPER, CONSOLE COMPARTMENT DOOR, NO.2
(L)
FRONT SEAT-PASSENGER SEAT(FOR ONE PERSON),(L)
(J)
sub58965-0K040
FRONT SEAT-PASSENGER SEAT(FOR ONE PERSON),(J)
sub58965-0K040
58995EBRACKET, CONSOLE BOX MOUNTING, NO.1
FRONT SEAT-PASSENGER SEAT(FOR ONE PERSON)
58996ABRACKET, CONSOLE BOX MOUNTING, NO.2
FRONT SEAT-PASSENGER SEAT(FOR ONE PERSON)
9011906812
main90119-06812
90119T0234
main90119-T0234
90163T0001
main90163-T0001
90167T0007
main90167-T0007
90167T0012
main90167-T0012
22 parts on this diagram · 3 diagrams in section