E
EPC Data

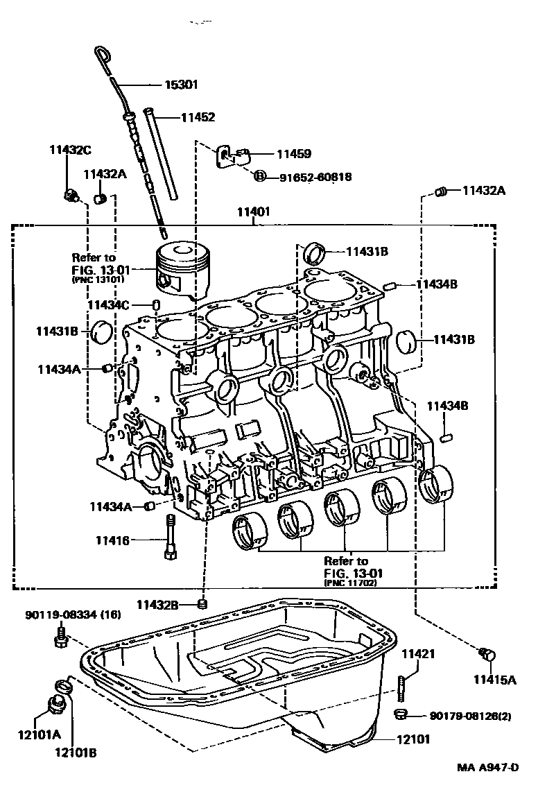
CYLINDER BLOCK

Parts diagram
11401BLOCK SUB-ASSY, CYLINDER
main11401-39447i198808-199501
main11401-69336i198808-199108
main11401-69525i199108-199511
11415APLUG, WATER DRAIN COCK(FOR CYLINDER BLOCK)
main90345-53007i198808-199501
main96431-23814i198808-199511
11416BOLT(FOR CRANKSHAFT BEARING CAP SET)
main90910-02042i198808-199501
main90910-02072i198808-199511
11421BOLT, STUD(FOR OIL PAN)
main90116-06014i198808-199208
main90116-06119i199208-199511
main92122-40814i198808-199501
11431BPLUG, TIGHT, NO.2(FOR CYLINDER BLOCK)
main96411-44000i198808-199501
11432APLUG, W/HEAD TAPER SCREW, NO.1
main90344-53002i198808-198911
RR
main90344-53008i198808-199501
FR
main90344-53011i198911-199501
RR
main90344-53015i198808-199501
11432BPLUG, W/HEAD TAPER SCREW, NO.2
main90344-52003i198808-199501
11432CPLUG, W/HEAD TAPER SCREW, NO.3
main90345-51006i198808-199501
11434APIN, STRAIGHT(FOR TIMING GEAR COVER SET)
main90253-11021i198808-199501
L=8,OD=11
11434BPIN, STRAIGHT(FOR CLUTCH HOUSING SET)
main90250-10113i198808-199511
L=22,OD=10
11434CPIN, STRAIGHT (FOR CYLINDER HEAD SET)
main90250-08120i198808-199501
L=18,OD=8
11452GUIDE, OIL LEVEL GAGE
main11452-35010i198808-199501
main11452-65011i198808-199511
11459SUPPORT, OIL LEVEL GAGE GUIDE
main11459-35010i198808-199501
12101PAN SUB-ASSY, OIL
main12101-35020i198808-199501
main12101-35040i198904-199108
main12101-65010i198904-199105
main12101-65011i199105-199511
main12101-65020i198808-199105
main12101-65021i199105-199501
12101APLUG(FOR OIL PAN DRAIN)
main90341-12012i198808-199511
main90341-12026i199203-199501
12101BGASKET(FOR OIL PAN DRAIN PLUG)
main90430-12020i198808-199106
main90430-12021i198808-199004
main90430-12027i199004-199312
main90430-12031i199108-199511
1301
15301GAGE SUB-ASSY, OIL LEVEL
main15301-35020i198808-199501
main15301-65010i198904-199511
main15301-65020i198808-199501
9011908334
9017908126
9165260818

21 parts on this diagram · 2 diagrams in section

CYLINDER BLOCK — Toyota Parts Diagram with OEM Numbers & Prices | EPC Data