E
EPC Data

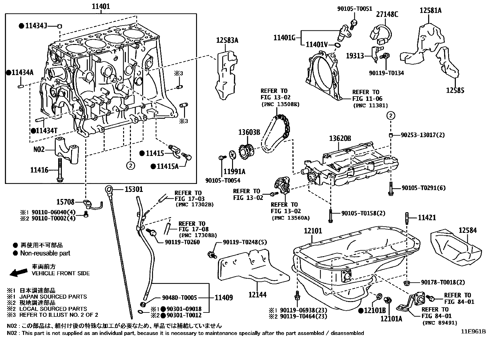
CYLINDER BLOCK

Parts diagram
1106TIMING GEAR COVER & REAR END PLATE
11401BLOCK SUB-ASSY, CYLINDER
main11401-09412i202006-202108
(L)
main11401-09861i202006-202108
11401GSENSOR, CRANK POSITION
main90919-05073i202006-202108
11401VO-RING, CRANK POSITION SENSOR
main90301-14016i202006-202108
11409GUIDE SUB-ASSY, OIL LEVEL GAGE
main11409-0E011i202006-202108
THA SOURCED PARTS
main11409-0E021i202008-202108
IND SOURCED PARTS
11415COCK SUB-ASSY, WATER DRAIN(FOR CYLINDER BLOCK)
main90910-09128i202006-202108
main90910-T9002i202006-202108
11415APLUG, WATER DRAIN COCK(FOR CYLINDER BLOCK)
main90910-09087i202006-202108
(J)
main90910-T9001i202006-202108
(L)
11416BOLT(FOR CRANKSHAFT BEARING CAP SET)
main90910-02179×10i202006-202108
(J)
main90910-T2002×10i202006-202108
(L)
main90910-T2009×10i202006-202108
(L)
11421BOLT, STUD(FOR OIL PAN)
main90126-06028×2i202006-202108
11434APIN, STRAIGHT(FOR TIMING GEAR COVER SET)
main90250-T0007×2i202006-202108
L=18,OD=8,(L)
11434JPIN, RING (FOR CYLINDER HEAD SET)
main90253-T0002×2i202006-202108
(L)
main90253-T0007×2i202006-202108
EXHAUST EMISSION CONTROL-EURO 4, WITH(ON BOARD DIAGNOSIS),(L); THA SOURCED PARTS
main90253-T0013×2i202006-202108
IDN SOURCED PARTS
11434TPIN, RING(FOR TIMING BELT IDLER BRACKET SET)
main90250-10030i202006-202108
(J)
main90250-T0019i202006-202108
(L)
11991APLATE, BALANCESHAFT THRUST, NO.1
main11991-0E010i202006-202108
(L)
main11991-11010i202006-202108
(J)
12101PAN SUB-ASSY, OIL
main12101-0C030i202006-202108
AZERBAIJAN SPEC&EXHAUST EMISSION CONTROL-EURO 4, WITH(ON BOARD DIAGNOSIS),IDN SOURCED PARTS
main12101-0E010i202006-202108
THA SOURCED PARTS
main12101-0E020i202008-202108
IND SOURCED PARTS
main12101-0C040i202006-202108
AZERBAIJAN SPEC&EXHAUST EMISSION CONTROL-EURO 4, WITH(ON BOARD DIAGNOSIS),THA SOURCED PARTS
12101APLUG(FOR OIL PAN DRAIN)
main90341-12012i202006-202108
main90341-T0004i202006-202108
(L)
12101BGASKET(FOR OIL PAN DRAIN PLUG)
main90080-43030i202006-202108
(L)
main90430-12031i202006-202108
(J)
main90430-T0024i202006-202108
(L)
12144SILENCER, OIL PAN COVER
main12144-0C020i202006-202108
main12144-0E010i202006-202108
THA SOURCED PARTS
main12144-0E020i202008-202108
IND SOURCED PARTS
12581AINSULATOR, CYLINDER BLOCK, NO.1
main12581-0E010i202006-202108
THA SOURCED PARTS
main12581-0E020i202008-202108
IND SOURCED PARTS
12583AINSULATOR, CYLINDER BLOCK, NO.3
main12583-0E010i202006-202108
THA SOURCED PARTS
main12583-0E020i202008-202108
IND SOURCED PARTS
12584INSULATOR, CYLINDER BROCK, NO.4
main12584-0E011i202006-202108
THA SOURCED PARTS
12585INSULATOR, CYLINDER BROCK, NO.5
main12585-0E010i202006-202108
THA SOURCED PARTS
main12585-0E020i202008-202108
IND SOURCED PARTS
1302CAMSHAFT & VALVE
13603BGEAR SUB-ASSY, BALANCESHAFT
main13603-0E010i202006-202108
(L)
main13603-11010i202006-202108
(J)
13620BBALANCER ASSY, ENGINE
main13620-11012i202006-202012
main13620-11013i202101-202108
15301GAGE SUB-ASSY, OIL LEVEL
main15301-0C020i202006-202108
THA SOURCED PARTS
main15301-0C030i202006-202108
IDN SOURCED PARTS
main15301-0E040i202006-202108
(L)
main15301-11100i202006-202108
(J)
15708NOZZLE SUB-ASSY, OIL, NO.1
main15708-0C010×4i202006-202108
(L)
main15708-0E010×4i202006-202108
(L)
main15708-75020×4i202006-202108
(J)
1703AIR CLEANER
1708VACUUM PIPING
19313BRACKET, CRANK POSITION SENSOR HARNESS
main19313-0E010i202006-202108
THA SOURCED PARTS
main19313-0E020i202008-202108
IND SOURCED PARTS
27148CWIRE, CONNECTING
main27148-0E010i202006-202108
THA SOURCED PARTS
main27148-0E040i202008-202108
IND SOURCED PARTS
8401SWITCH & RELAY & COMPUTER
90105T0051
90105T0054
90105T0158
90105T0291
9011006040
90110T0002
9011906938
90119T0134
90119T0248
90119T0260
90119T0464
90178T0018
9025313017
9030109018
90301T0012
90480T0005

47 parts on this diagram · 4 diagrams in section

CYLINDER BLOCK — Toyota Parts Diagram with OEM Numbers & Prices | EPC Data