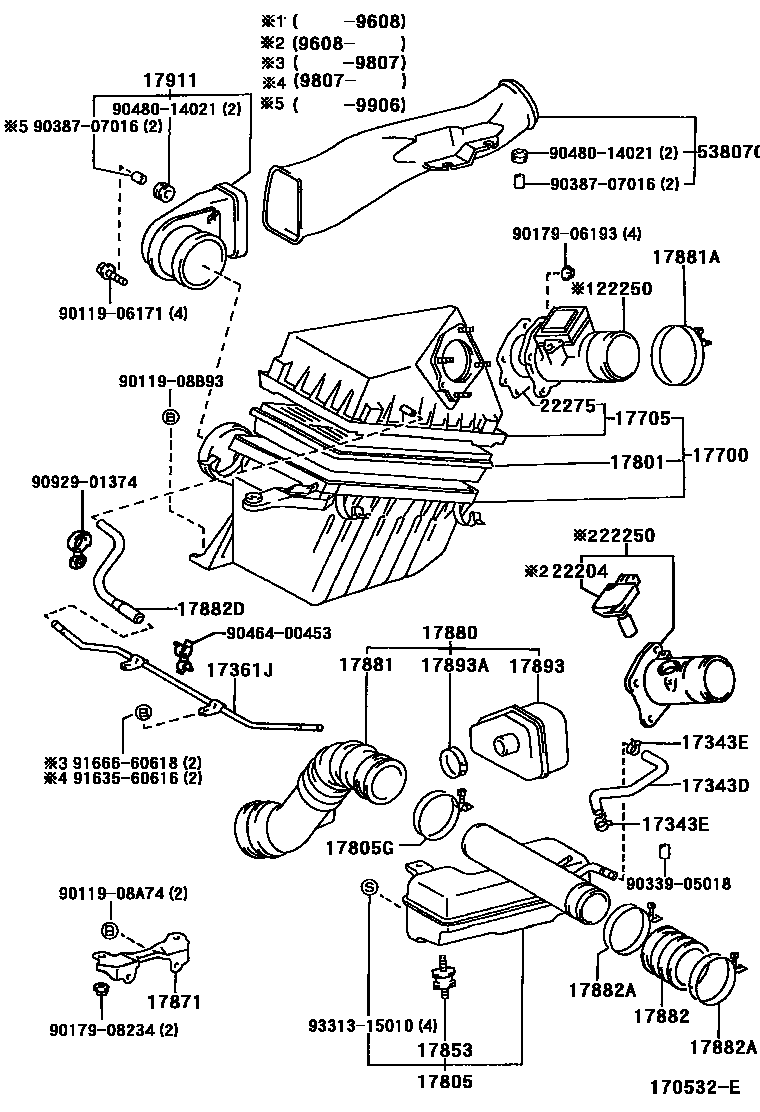
AIR CLEANER

17343DHOSE, AIR, NO.3
17343ECLAMP, HOSE(FOR AIR HOSE, NO.3)
17361JTUBE, AIR, NO.1
17700CLEANER ASSY, AIR
17705CAP SUB-ASSY, AIR CLEANER
17801ELEMENT SUB-ASSY, AIR CLEANER FILTER
17805CONNECTOR SUB-ASSY, INTAKE AIR
17805GCLAMP, HOSE(FOR AIR CONNECTOR)
17853INSULATOR, AIR CLEANER BRACKET
CALIFORNIA SPEC
17880HOSE ASSY, AIR CLEANER
17881HOSE, AIR CLEANER, NO.1
CALIFORNIA SPEC
17881ACLAMP(FOR AIR CLEANER HOSE, NO.1)
NO.1
NO.2
17882HOSE, AIR CLEANER, NO.2
17882ACLAMP(FOR AIR CLEANER HOSE, NO.2)
17882DHOSE, COOL AIR INTAKE
17911DUCT, COOL AIR INTAKE, NO.1
22204METER SUB-ASSY, INTAKE AIR FLOW
22250METER ASSY, INTAKE AIR FLOW
22275GASKET, AIR FLOW METER
53807CDUCT SUB-ASSY, FRONT FENDER AIR, RH
9011906171
main90119-06171
9011908A74
main90119-08A74
9011908B93
main90119-08B93
9017906193
main90179-06193
9017908234
main90179-08234
9033905018
main90339-05018
9038707016
main90387-07016
9046400453
main90464-00453
9048014021
main90480-14021
9092901374
main90929-01374
9163560616
main91635-60616
9166660618
main91666-60618
9331315010
main93313-15010
36 parts on this diagram · 3 diagrams in section