E
EPC Data

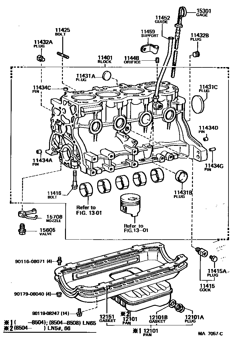
CYLINDER BLOCK

Parts diagram
11401BLOCK SUB-ASSY, CYLINDER
main11401-39367i198408-198408
main11401-39425i198308-198408
main11401-39445i198408-198602
main11401-39446i198602-198801
main11401-39447i198801-198903
main11401-39475i198501-198701
main11401-39476i198701-198808
main11401-59245i198308-198407
main11401-59246i198407-198708
main11401-59315i198408-198708
main11401-69335i198711-198808
main11401-69336i198808-198903
11415COCK SUB-ASSY, WATER DRAIN(FOR CYLINDER BLOCK)
main90910-09070i198308-198504
main96431-03833i198308-198504
main96431-53828i198504-198801
11415APLUG, WATER DRAIN COCK(FOR CYLINDER BLOCK)
main90345-53007i198801-198903
main90910-09072i198308-198504
main96431-23814i198308-198504
L=28
main96431-23814i198711-198903
main96432-23814i198504-198801
L=24
11416BOLT(FOR CRANKSHAFT BEARING CAP SET)
main90910-02042i198308-198903
*12-1.25PX75-25
main90910-02061i198308-198708
*12-1.25PX80-24
main90910-02072i198711-198903
11425BOLT, STUD(FOR OIL FILTER)
main90116-08157i198308-198708
L=36,S=11&14
11431APLUG, TIGHT, NO.1(FOR CYLINDER BLOCK)
main96411-42500i198308-198708
OD=25
main96411-43500i198711-198903
OD=35
11431BPLUG, TIGHT, NO.2(FOR CYLINDER BLOCK)
main96411-43500i198308-198708
OD=35
main96411-44000i198308-198903
OD=40
11431CPLUG, TIGHT, NO.3(FOR CYLINDER BLOCK)
main96411-45000i198308-198708
OD=50
11432APLUG, W/HEAD TAPER SCREW, NO.1
main90344-53002i198308-198903
RR
main90344-53008i198308-198903
FR
main90344-53011i198312-198707
RR
main90345-51006i198308-198312
11432BPLUG, W/HEAD TAPER SCREW, NO.2
main90344-52003i198705-198903
main90344-52013i198308-198705
main90344-53002i198308-198708
11434APIN, STRAIGHT(FOR TIMING GEAR COVER SET)
main90253-11001i198308-198708
L=11,OD=11,L=11,OD=11
main90253-11021i198308-198903
L=8,OD=11,L=8,OD=11
11434CPIN, STRAIGHT (FOR CYLINDER HEAD SET)
main90250-08120i198308-198903
L=18,OD=8,L=18,OD=8
main90253-15005i198308-198708
L=7,OD=14.5,L=7,OD=14.5
11434DPIN, STRAIGHT(FOR ENGINE REAR OIL SEAL)
main90250-06003i198711-198903
L=14,OD=6
main90253-11001i198308-198708
L=11,OD=11,L=11,OD=11
11434GPIN, STRAIGHT(FOR END PLATE)
main90250-10192i198308-198708
11448ORIFICE, CYLINDER BLOCK OIL
main11448-54020i198308-198708
11452GUIDE, OIL LEVEL GAGE
main11452-35010i198408-198903
main11452-38020i198308-198408
main11452-54010i198308-198708
main11452-54030i198408-198708
main11452-65010i198711-198808
main11452-65011i198808-198903
11459SUPPORT, OIL LEVEL GAGE GUIDE
main11459-35010i198408-198903
main11459-38020i198308-198408
main90461-10271i198308-198708
main90461-10658i198408-198708
12101PAN SUB-ASSY, OIL
main12101-35020i198408-198808
main12101-35030i198408-198501
main12101-35040i198501-198903
main12101-39235i198308-198408
main12101-39285i198308-198408
main12101-54041i198504-198602
main12101-54042i198602-198708
main12101-54061i198508-198510
main12101-54062i198510-198708
main12101-59105i198308-198504
main12101-65010i198711-198903
12101APLUG(FOR OIL PAN DRAIN)
main90341-12012i198408-198903
main90341-18089i198308-198708
12101BGASKET(FOR OIL PAN DRAIN PLUG)
main90430-12011i198408-198803
main90430-12019i198711-198808
main90430-12020i198803-198903
main90430-12021i198808-198903
main90430-18013i198411-198708
main90430-18244i198308-198411
12151GASKET, OIL PAN
main12151-35010i198308-198408
main12151-54020i198308-198708
1301
15301GAGE SUB-ASSY, OIL LEVEL
main15301-35010i198308-198408
main15301-35020i198408-198903
main15301-54030i198308-198708
main15301-54040i198408-198508
main15301-65010i198711-198903
15605VALVE SUB-ASSY, OIL CHECK
main15605-54010i198308-198708
15708NOZZLE SUB-ASSY, OIL, NO.1
main15708-54010i198308-198708
9011608071
9011908247
9017908040

28 parts on this diagram · 4 diagrams in section

CYLINDER BLOCK — Toyota Parts Diagram with OEM Numbers & Prices | EPC Data