E
EPC Data

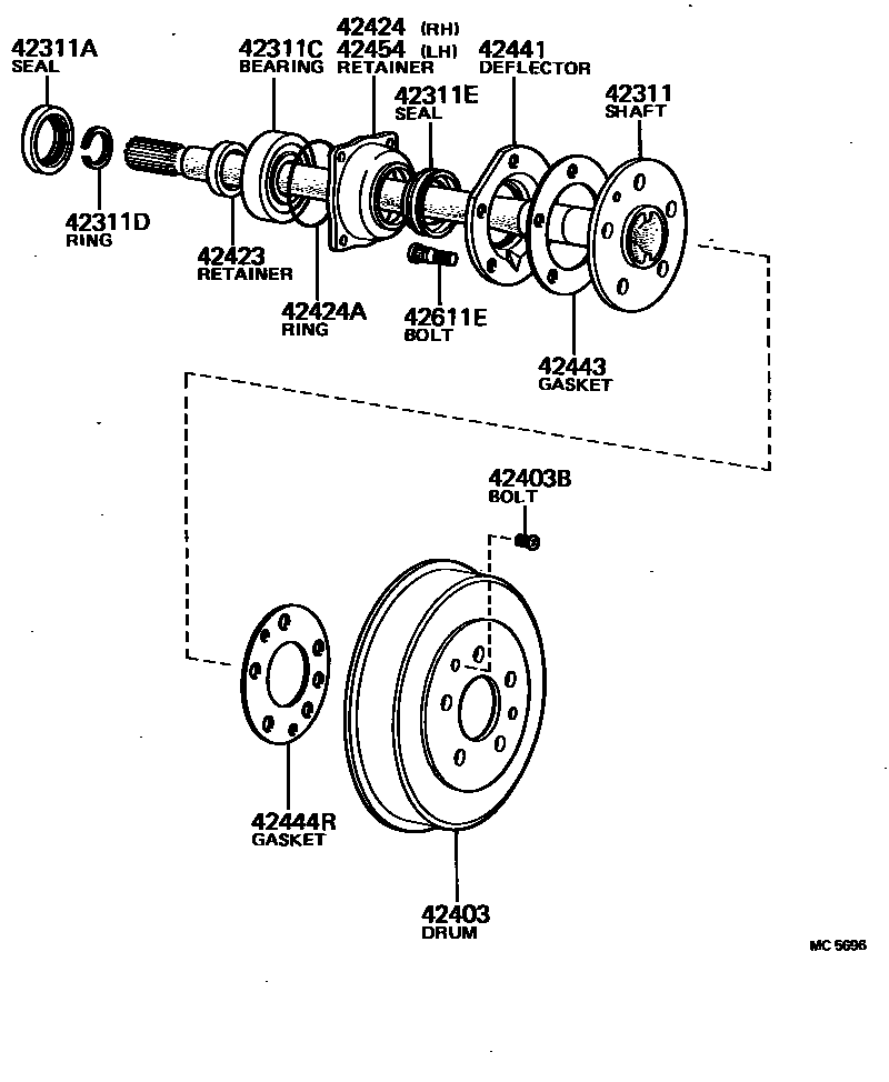
REAR AXLE SHAFT & HUB

Parts diagram
42311SHAFT, REAR AXLE
main42311-35060×2i197808-198308
main42311-35080×2i197901-198008
main42311-35081×2i198008-198307
main42311-35110×2i198308-198403
42311ASEAL, OIL(FOR REAR AXLE SHAFT)
main90310-50001×2i198208-198403
main90310-50039×2i197808-198208
42311CBEARING(FOR REAR AXLE SHAFT)
main97144-06308×2i197808-198403
42311DRING, SNAP(FOR REAR AXLE SHAFT)
main90520-36045×2i197808-198403
42311ESEAL, OIL(FOR REAR AXLE SHAFT OUTER)
main90313-48001×2i198208-198403
main90313-48005×2i198208-198307
42403DRUM SUB-ASSY, REAR BRAKE
main42431-35030×2i197808-198403
main42431-35040×2i197808-198307
main42431-35050×2i197901-198008
main42431-35060×2i198008-198307
42403BBOLT, SET (FOR REAR BRAKE DRUM SETTING)
main90113-10035×2i197808-198403
42423RETAINER, REAR AXLE BEARING, INNER
main42423-20010×2i197808-198403
42424RETAINER, REAR AXLE BEARING, OUTER, RH
main42421-35020i197808-198307
main42421-35030i198308-198403
42424ARING, O (FOR BEARING RETAINER SET)
main90301-88077×2i197808-198403
42441DEFLECTOR, BRAKE DRUM OIL
main42441-26010×2i197808-198403
main42441-35010×2i197901-198307
42443GASKET, BRAKE DRUM OIL DEFLECTOR
main42443-30010×2i197808-198403
main42443-55020×2i197901-198307
42444RGASKET, BRAKE DRUM (FOR REAR AXLE)
main42444-35020×2i197808-198403
main42444-35030×2i197901-198108
main42444-35040×2i198108-198307
42454RETAINER, REAR AXLE BEARING, OUTER, LH
main42421-35020i197808-198307
main42421-35030i198308-198403
42611EBOLT, HUB (FOR REAR AXLE)
main90942-02034×12i197901-198307
main90942-02037×10i197808-198403

15 parts on this diagram · 1 diagram in section

REAR AXLE SHAFT & HUB — Toyota Parts Diagram with OEM Numbers & Prices | EPC Data