E
EPC Data

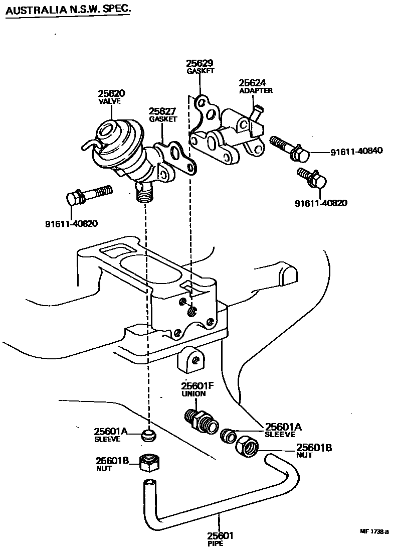
EXHAUST GAS RECIRCULATION SYSTEM

Parts diagram
25601PIPE SUB-ASSY, EGR, NO.1
main25601-31011i197702-197807
AUSTRALIA N.S.W. SPEC.
main25601-34040i197711-197807
18RC
25601ASLEEVE, BALL, EGR PIPE, NO.1
main90410-12042×2i197702-197807
AUSTRALIA N.S.W. SPEC.
main90410-18038i197711-197807
18RC
25601BNUT, UNION, EGR PIPE, NO.1
main90402-20073×2i197702-197807
AUSTRALIA N.S.W. SPEC.
main90402-26074i197711-197807
18RC
25601FUNION(FOR EGR PIPE, NO.1)
main90404-20001i197702-197807
AUSTRALIA N.S.W. SPEC.
main90404-26284i197711-197807
18RC
25620VALVE ASSY, EGR
main25620-31030i197702-197807
AUSTRALIA N.S.W. SPEC.
main25620-34150i197711-197807
18RC
25624ADAPTER, EGR VALVE
main25607-31020i197702-197807
AUSTRALIA N.S.W. SPEC.
25627GASKET, EGR VALVE
main25627-44010i197702-197807
AUSTRALIA N.S.W. SPEC.
25629GASKET, EGR VALVE ADAPTER
main25629-31010i197702-197807
AUSTRALIA N.S.W. SPEC.
9161140820
9161140840

10 parts on this diagram · 2 diagrams in section

EXHAUST GAS RECIRCULATION SYSTEM — Toyota Parts Diagram with OEM Numbers & Prices | EPC Data