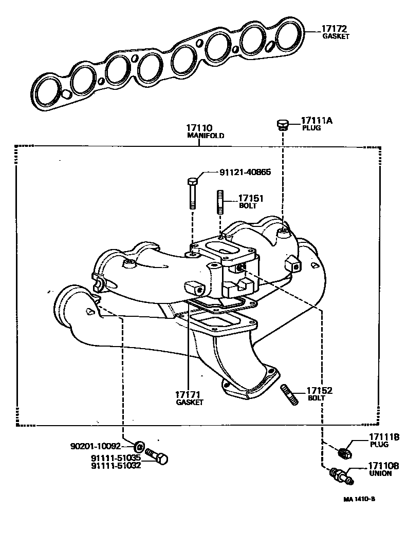
MANIFOLD

17110MANIFOLD ASSY
AUSTRALIA N.S.W. SPEC.
18RC
17110BUNION(FOR VENTILATION HOSE TO MANIFOLD)
W/PCV
W/PCV
W/PCV
W/PCV
17111APLUG, NO.1
17111BPLUG, NO.2
17151BOLT, STUD(FOR MANIFOLD TO CARBURETOR)
L=39,S=13&13
L=53,S=16&16
L=43,S=13&13
17152BOLT, STUD(FOR MANIFOLD TO EXHAUST PIPE)
L=39,S=14&19
L=38,S=14&21
L=37,S=20&13
17171GASKET, INTAKE TO EXHAUST MANIFOLD
17172GASKET, MANIFOLD TO CYLINDER HEAD
9020110092
main90201-10092
9111151032
main91111-51032
9111151035
main91111-51035
9112140865
main91121-40865
12 parts on this diagram · 5 diagrams in section