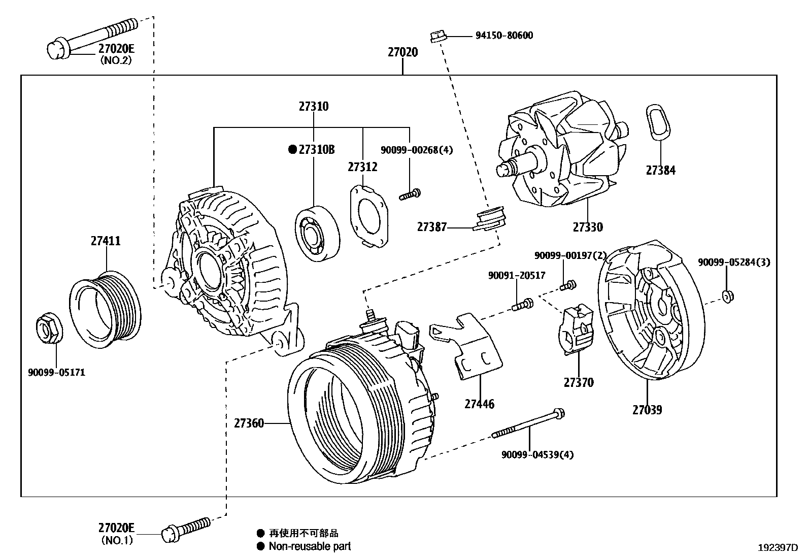
ALTERNATOR

27020ALTERNATOR ASSY
12V 130A
12V 150A
12V 100A
12V 100A,REFER ILLUST.
12V 100A,REFER ILLUST.
12V 100A
12V 100A
12V 150A
12V 100A
27020EBOLT(FOR ALTERNATOR)
NO.2
NO.1
NO.1
NO.1
NO.2
27039COVER, ALTERNATOR REAR END
27310FRAME ASSY, DRIVE END, ALTERNATOR
27312PLATE, RETAINER
27330ROTOR ASSY, ALTERNATOR
27360COIL ASSY, ALTERNATOR
27370HOLDER ASSY, ALTERNATOR BRUSH
27384WASHER
27387INSULATOR, TERMINAL
27411PULLEY, ALTERNATOR
27446CLIP, ALTERNATOR CORD
9009120517
main90091-20517
9009900197
main90099-00197
9009900268
main90099-00268
9009904539
main90099-04539
9009905171
main90099-05171
9009905284
main90099-05284
9415080600
main94150-80600
20 parts on this diagram · 6 diagrams in section