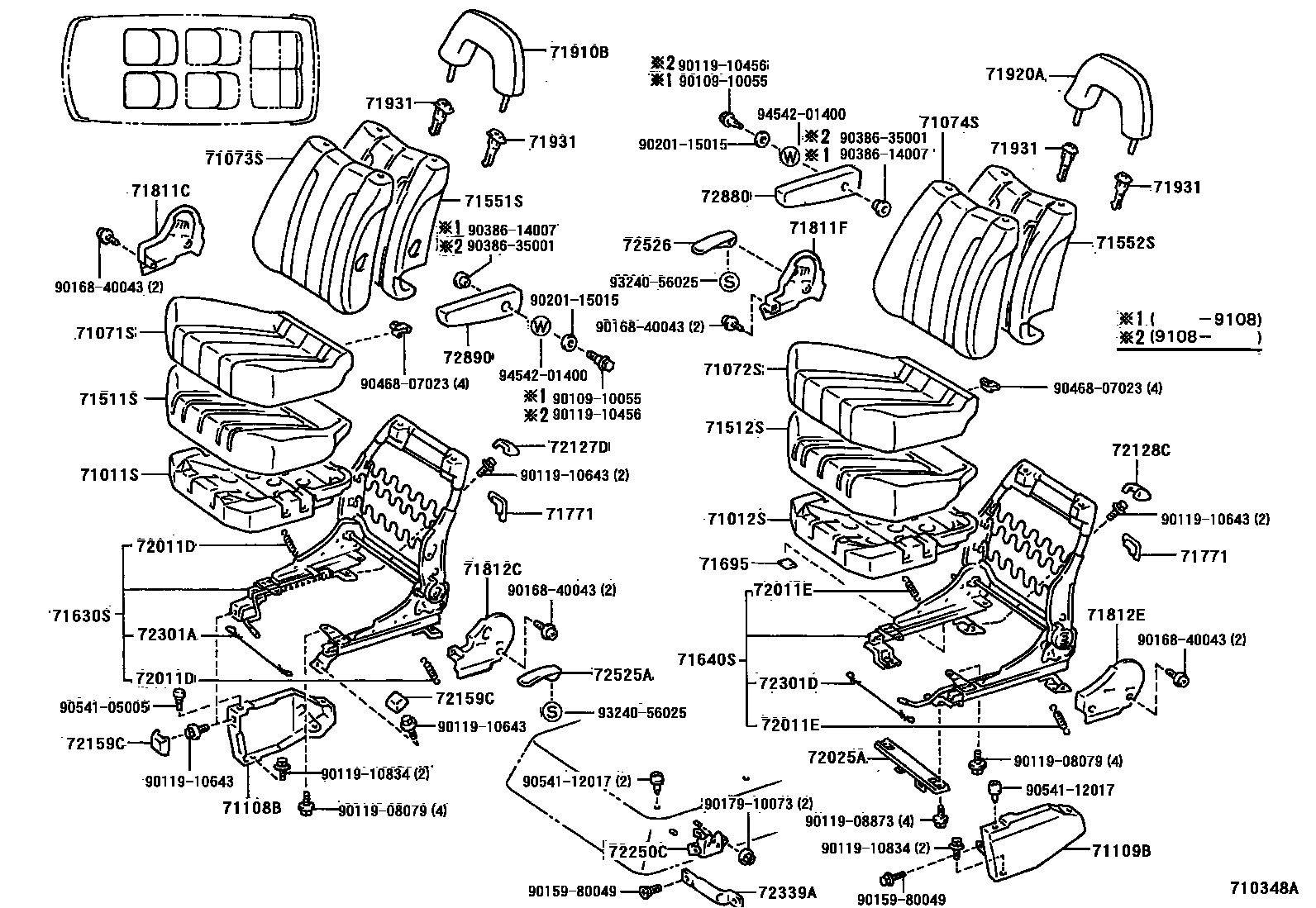
SEAT & SEAT TRACK

71011SFRAME SUB-ASSY, FRONT SEAT CUSHION, RH
71012SFRAME SUB-ASSY, FRONT SEAT CUSHION, LH
71071SCOVER, FRONT SEAT CUSHION, RH(FOR SEPARATE TYPE)
LIGHT GRAY,TRIM1#
LIGHT GREIGE,TRIM4#
LIGHT BLUE,TRIM8#
LIGHT GRAY,TRIM1#
LIGHT GREIGE,TRIM4#
LIGHT BLUE,TRIM8#
W(CAPTAIN SEAT),LIGHT GRAY,TRIM1#
W(CAPTAIN SEAT),LIGHT GREIGE,TRIM4#
W(CAPTAIN SEAT),LIGHT BLUE,TRIM8#
W(LEATHER SEAT),MI. GREIGE,TRIM4#
BLUISH GRAY,TRIM1#
MD. GREIGE,TRIM4#
BLUISH GRAY,TRIM1#
MD.GREIGE,TRIM4#
W(CAPTAIN SEAT),BLUISH GRAY,TRIM1#
W(CAPTAIN SEAT),MD.GREIGE,TRIM4#
W(LEATHER SEAT),MD. GREIGE,TRIM4#
CHINA SPEC,LIGHT GRAY,TRIM1#
CHINA SPEC OR W(CAPTAIN SEAT),LIGHT BLUE,TRIM8#
W(REAR CAPTAIN SEAT),LIGHT TAN,TRIM4#
W(CAPTAIN SEAT),LIGHT GRAY,TRIM1#
W(CAPTAIN SEAT),LIGHT GREIGE,TRIM4#
LIGHT GRAY,TRIM1#
LIGHT BLUE,TRIM8#
LIGHT TAN,TRIM4#
LIGHT GREIGE,TRIM4#
LIGHT GRAY,TRIM1#
LIGHT BLUE,TRIM8#
LIGHT TAN,TRIM4#
LIGHT GREIGE,TRIM4#
71072SCOVER, FRONT SEAT CUSHION, LH(FOR SEPARATE TYPE)
LIGHT GRAY,TRIM1#
LIGHT GREIGE,TRIM4#
LIGHT BLUE,TRIM8#
LIGHT GRAY,TRIM1#
LIGHT GREIGE,TRIM4#
LIGHT BLUE,TRIM8#
W(CAPTAIN SEAT),LIGHT GRAY,TRIM1#
W(CAPTAIN SEAT),LIGHT GREIGE,TRIM4#
W(CAPTAIN SEAT),LIGHT BLUE,TRIM8#
W(LEATHER SEAT),MI. GREIGE,TRIM4#
BLUISH GRAY,TRIM1#
MD. GREIGE,TRIM4#
BLUISH GRAY,TRIM1#
MD.GREIGE,TRIM4#
W(CAPTAIN SEAT),BLUISH GRAY,TRIM1#
W(CAPTAIN SEAT),MD.GREIGE,TRIM4#
W(LEATHER SEAT),MD.GREIGE,TRIM4#
CHINA SPEC,LIGHT GRAY,TRIM1#
CHINA SPEC OR W(CAPTAIN SEAT),LIGHT BLUE,TRIM8#
W(REAR CAPTAIN SEAT),LIGHT TAN,TRIM4#
W(CAPTAIN SEAT),LIGHT GRAY,TRIM1#
W(CAPTAIN SEAT),LIGHT GREIGE,TRIM4#
LIGHT GRAY,TRIM1#
LIGHT BLUE,TRIM8#
LIGHT TAN,TRIM4#
LIGHT GREIGE,TRIM4#
LIGHT GRAY,TRIM1#
LIGHT BLUE,TRIM8#
LIGHT TAN,TRIM4#
LIGHT GREIGE,TRIM4#
71073SCOVER, FRONT SEATBACK, RH(FOR SEPARATE TYPE)
CHINA SPEC,LIGHT GRAY,TRIM1#
CHINA SPEC,LIGHT GREIGE,TRIM4#
W(ARMREST),LIGHT GRAY,TRIM1#
W(ARMREST),LIGHT GREIGE,TRIM4#
W(ARMREST),LIGHT BLUE,TRIM8#
LIGHT GRAY,TRIM1#
LIGHT GREIGE,TRIM4#
LIGHT BLUE,TRIM8#
W(CAPTAIN SEAT),LIGHT GRAY,TRIM1#
W(CAPTAIN SEAT),LIGHT GREIGE,TRIM4#
W(CAPTAIN SEAT),LIGHT BLUE,TRIM8#
LIGHT GRAY,TRIM1#
LIGHT GREIGE,TRIM4#
LIGHT BLUE,TRIM8#
W(ARMREST),LIGHT GRAY,TRIM1#
W(ARMREST),LIGHT GREIGE,TRIM4#
W(ARMREST),LIGHT BLUE,TRIM8#
LIGHT GRAY,TRIM1#
LIGHT GREIGE,TRIM4#
LIGHT BLUE,TRIM8#
W(CAPTAIN SEAT),LIGHT GRAY,TRIM1#
W(CAPTAIN SEAT),LIGHT GREIGE,TRIM4#
W(CAPTAIN SEAT),LIGHT BLUE,TRIM8#
W(LEATHER SEAT),MI. GREIGE,TRIM4#
GRAY,TRIM1#
GREGE,TRIM4#
W(CAPTAIN SEAT),GRAY,TRIM1#
W(CAPTAIN SEAT),GREGE,TRIM4#
BLUISH GRAY,TRIM1#
MD. GREIGE,TRIM4#
BLUISH GRAY,TRIM1#
MD. GREIGE,TRIM4#
BLUISH GRAY,TRIM1#
MD.GREIGE,TRIM4#
W(CAPTAIN SEAT),BLUISH GRAY,TRIM1#
W(CAPTAIN SEAT),MD. GREIGE,TRIM4#
W(LEATHER SEAT),MD.GREIGE,TRIM4#
W(LEATHER SEAT),BEIGE,TRIM4#
LIGHT GRAY,TRIM1#
LIGHT BLUE,TRIM8#
LIGHT TAN,TRIM4#
LIGHT GREIGE,TRIM4#
LIGHT GRAY,TRIM1#
LIGHT BLUE,TRIM8#
LIGHT TAN,TRIM4#
W(ARMREST),LIGHT GRAY,TRIM1#
W(ARMREST),LIGHT BLUE,TRIM8#
W(ARMREST),LIGHT TAN,TRIM4#
W(ARMREST & CAPTAIN SEAT),LIGHT GRAY,TRIM1#
W(ARMREST & CAPTAIN SEAT),LIGHT BLUE,TRIM8#
W(ARMREST & CAPTAIN SEAT),LIGHT TAN,TRIM4#
71074SCOVER, FRONT SEATBACK, LH(FOR SEPARATE TYPE)
LIGHT GRAY,TRIM1#
LIGHT BLUE,TRIM8#
LIGHT TAN,TRIM4#
LIGHT GREIGE,TRIM4#
CHINA SPEC,LIGHT GRAY,TRIM1#
CHINA SPEC,LIGHT GREIGE,TRIM4#
W(ARMREST),LIGHT GRAY,TRIM1#
W(ARMREST),LIGHT GREIGE,TRIM4#
W(ARMREST),LIGHT BLUE,TRIM8#
LIGHT GRAY,TRIM1#
LIGHT GREIGE,TRIM4#
LIGHT BLUE,TRIM8#
W(CAPTAIN SEAT),LIGHT GRAY,TRIM1#
W(CAPTAIN SEAT),LIGHT GREIGE,TRIM4#
W(CAPTAIN SEAT),LIGHT BLUE,TRIM8#
LIGHT GRAY,TRIM1#
LIGHT GREIGE,TRIM4#
LIGHT BLUE,TRIM8#
W(ARMREST),LIGHT GRAY,TRIM1#
W(ARMREST),LIGHT GREIGE,TRIM4#
W(ARMREST),LIGHT BLUE,TRIM8#
LIGHT GRAY,TRIM1#
LIGHT GREIGE,TRIM4#
LIGHT BLUE,TRIM8#
W(CAPTAIN SEAT),LIGHT GRAY,TRIM1#
W(CAPTAIN SEAT),LIGHT GREIGE,TRIM4#
W(CAPTAIN SEAT),LIGHT BLUE,TRIM8#
W(LEATHER SEAT),MI. GREIGE,TRIM4#
BLUISH GRAY,TRIM1#
MD. GREIGE,TRIM4#
BLUISH GRAY,TRIM1#
MD. GREIGE,TRIM4#
BLUISH GRAY,TRIM1#
MD.GREIGE,TRIM4#
W(CAPTAIN SEAT),BLUISH GRAY,TRIM1#
W(CAPTAIN SEAT),MD.GREIGE,TRIM4#
W(LEATHER SEAT),GREIGE,TRIM4#
GRAY,TRIM1#
GREGE,TRIM4#
W(CAPTAIN SEAT),GRAY,TRIM1#
W(CAPTAIN SEAT),GREGE,TRIM4#
W(LEATHER SEAT),BEIGE,TRIM4#
LIGHT GRAY,TRIM1#
LIGHT BLUE,TRIM8#
LIGHT TAN,TRIM4#
W(ARMREST),LIGHT GRAY,TRIM1#
W(ARMREST),LIGHT BLUE,TRIM8#
W(ARMREST),LIGHT TAN,TRIM4#
W(ARMREST & CAPTAIN SEAT),LIGHT GRAY,TRIM1#
W(ARMREST & CAPTAIN SEAT),LIGHT BLUE,TRIM8#
W(ARMREST & CAPTAIN SEAT),LIGHT TAN,TRIM4#
71108BLEG SUB-ASSY, FRONT SEAT, RH
GRAY,TRIM1#
BLUE,TRIM8#
GREIGE,TRIM4#
TAN,TRIM4#
GRAY,TRIM1#
GREIGE,TRIM4#
BLUE,TRIM8#
71109BLEG SUB-ASSY, FRONT SEAT, LH
GRAY,TRIM1#
GREIGE,TRIM4#
BLUE,TRIM8#
BLUISH GRAY,TRIM1#
GREIGE,TRIM4#
GRAY,TRIM1#
BLUE,TRIM8#
GREIGE,TRIM4#
TAN,TRIM4#
71511SPAD, FRONT SEAT CUSHION, RH(FOR SEPARATE TYPE)
W(LEATHER SEAT)
W(LEATHER SEAT)
71512SPAD, FRONT SEAT CUSHION, LH (FOR SEPARATE TYPE)
W(LEATHER SEAT)
W(LEATHER SEAT)
71551SPAD, FRONT SEATBACK, RH(FOR SEPARATE TYPE)
W(ARMREST)
W(LEATHER SEAT)
W(LEATHER SEAT)
W(ARMREST)
71552SPAD, FRONT SEATBACK, LH(FOR SEPARATE TYPE)
W(ARMREST)
W(LEATHER SEAT)
W(LEATHER SEAT)
W(ARMREST)
71630SSPRING ASSY, FRONT SEATBACK, RH(FOR SEPARATE TYPE)
W(ARMREST)
W(ARMREST)
W(ARMREST)
W(LEATHER SEAT)
W(ARMREST)
71640SSPRING ASSY, FRONT SEATBACK, LH(FOR SEPARATE TYPE)
W(ARMREST)
CHINA SPEC
W(ARMREST)
W(ARMREST)
W(LEATHER SEAT)
W(ARMREST)
71695PROTECTOR, REAR SEATBACK
71771PROTECTOR, FRONT SEATBACK HEADREST STAY
CHINA SPEC
71811CCOVER, RECLINING ADJUSTER, RH
BLUISH GRAY,TRIM1#
MD.GREIGE,TRIM4#
GRAY,TRIM1#
BLUE,TRIM8#
GREIGE,TRIM4#
TAN,TRIM4#
GRAY,TRIM1#
GREIGE,TRIM4#
BLUE,TRIM8#
71811FCOVER, RECLINING ADJUSTER, RH
BLUISH GRAY,TRIM1#
MD.GREIGE,TRIM4#
GRAY,TRIM1#
BLUE,TRIM8#
GREIGE,TRIM4#
TAN,TRIM4#
GRAY,TRIM1#
GREIGE,TRIM4#
BLUE,TRIM8#
71812CCOVER, RECLINING ADJUSTER, LH
BLUISH GRAY,TRIM1#
MD.GREIGE,TRIM4#
GRAY,TRIM1#
BLUE,TRIM8#
GREIGE,TRIM4#
TAN,TRIM4#
GRAY,TRIM1#
GREIGE,TRIM4#
BLUE,TRIM8#
71812ECOVER, RECLINING ADJUSTER, LH
BLUISH GRAY,TRIM1#
MD.GREIGE,TRIM4#
GRAY,TRIM1#
BLUE,TRIM8#
GREIGE,TRIM4#
TAN,TRIM4#
GRAY,TRIM1#
GREIGE,TRIM4#
BLUE,TRIM8#
71910BHEADREST ASSY, FRONT SEAT
LIGHT GRAY,TRIM1#
LIGHT GREIGE,TRIM4#
LIGHT BLUE,TRIM8#
GRAY,TRIM1#
GREGE,TRIM4#
LIGHT BLUE,TRIM8#
MI. GREIGE,TRIM4#
BLUISH GRAY,TRIM1#
MD. GREIGE,TRIM4#
BLUISH GRAY,TRIM1#
MD.GREIGE,TRIM4#
W(LEATHER SEAT),MD. GREIGE,TRIM4#
LIGHT GRAY,TRIM1#
LIGHT BLUE,TRIM8#
LIGHT TAN,TRIM4#
LIGHT GREIGE,TRIM4#
CHINA SPEC,LIGHT GRAY,TRIM1#
CHINA SPEC,LIGHT GREIGE,TRIM4#
LIGHT GRAY,TRIM1#
LIGHT BLUE,TRIM8#
LIGHT TAN,TRIM4#
LIGHT GREIGE,TRIM4#
71920AHEADREST ASSY, FRONT SEAT, LH
LIGHT GRAY,TRIM1#
LIGHT GREIGE,TRIM4#
LIGHT BLUE,TRIM8#
W(LEATHER SEAT),MI. GREIGE,TRIM4#
W(LEATHER SEAT),MD. GREIGE,TRIM4#
LIGHT GRAY,TRIM1#
LIGHT BLUE,TRIM8#
LIGHT TAN,TRIM4#
LIGHT GREIGE,TRIM4#
GRAY,TRIM1#
GREGE,TRIM4#
LIGHT BLUE,TRIM8#
BLUISH GRAY,TRIM1#
MD. GREIGE,TRIM4#
BLUISH GRAY,TRIM1#
MD.GREIGE,TRIM4#
LIGHT GRAY,TRIM1#
LIGHT BLUE,TRIM8#
LIGHT TAN,TRIM4#
LIGHT GREIGE,TRIM4#
CHINA SPEC,LIGHT GRAY,TRIM1#
CHINA SPEC,LIGHT GREIGE,TRIM4#
71931SUPPORT, FRONT SEAT HEADREST
W(LOCK),LIGHT GRAY,TRIM1#
W(LOCK),LIGHT GREIGE,TRIM4#
W(LOCK),LIGHT BLUE,TRIM8#
W(LOCK),LIGHT TAN,TRIM4#
W(LOCK),GRAY,TRIM1#
W(LOCK),GREIGE,TRIM4#
W(LOCK),MI. BLUE,TRIM8#
W/O(LOCK),GRAY,TRIM1#
W/O(LOCK),GREIGE,TRIM4#
W/O(LOCK),MI. BLUE,TRIM8#
72011DSPRING, TENSION, RH(FOR FRONT SEAT ADJUSTER OUTER)
72011ESPRING, TENSION, LH(FOR FRONT SEAT ADJUSTER OUTER)
72025ASTRIKER SUB-ASSY, FRONT SEAT LOCK
CHINA SPEC
72127DCOVER, SEAT TRACK BRACKET, FRONT, RH
BLUISH GRAY,TRIM1#
MD.GREIGE,TRIM4#
GRAY,TRIM1#
BLUE,TRIM8#
GREIGE,TRIM4#
TAN,TRIM4#
GRAY,TRIM1#
GREIGE,TRIM4#
BLUE,TRIM8#
72128CCOVER, SEAT TRACK BRACKET, FRONT, LH
BLUISH GRAY,TRIM1#
MD.GREIGE,TRIM4#
GRAY,TRIM1#
BLUE,TRIM8#
GREIGE,TRIM4#
TAN,TRIM4#
GRAY,TRIM1#
GREIGE,TRIM4#
BLUE,TRIM8#
72159CCOVER, FRONT SEAT TRACK BRACKET
BLUISH GRAY,TRIM1#
MD.GREIGE,TRIM4#
GRAY,TRIM1#
BLUE,TRIM8#
GREIGE,TRIM4#
TAN,TRIM4#
GRAY,TRIM1#
BLACK,TRIM11,4#,8#
GREIGE,TRIM4#
BLUE,TRIM8#
72250CLOCK ASSY, FRONT SEAT
72301AWIRE SUB-ASSY, SEAT TRACK EQUALIZING, RH
72301DWIRE SUB-ASSY, SEAT TRACK EQUALIZING, LH
72339AFRAME, FRONT SEAT LEG SUPPORT
72525AHANDLE, RECLINING ADJUSTER RELEASE, RH
BLUISH GRAY,TRIM1#
MD. GREIGE,TRIM4#
GRAY,TRIM1#
BLUE,TRIM8#
GREIGE,TRIM4#
LIGHT TAN,TRIM4#
GRAY,TRIM1#
GREIGE,TRIM4#
BLUE,TRIM8#
72526HANDLE, RECLINING ADJUSTER RELEASE, LH
BLUISH GRAY,TRIM1#
MD. GREIGE,TRIM4#
GRAY,TRIM1#
BLUE,TRIM8#
GREIGE,TRIM4#
TAN,TRIM4#
GRAY,TRIM1#
GREIGE,TRIM4#
BLUE,TRIM8#
72880ARMREST ASSY, SEAT, C RH
W(CAPTAIN SEAT & HEADREST),LIGHT GREIGE,TRIM4#
LIGHT GRAY,TRIM1#
LIGHT GREIGE,TRIM4#
LIGHT BLUE,TRIM8#
W(CAPTAIN SEAT),LIGHT GRAY,TRIM1#
W(CAPTAIN SEAT),LIGHT GREIGE,TRIM4#
W(CAPTAIN SEAT),LIGHT BLUE,TRIM8#
LIGHT GRAY,TRIM1#
LIGHT GREIGE,TRIM4#
LIGHT BLUE,TRIM8#
LIGHT GRAY,TRIM1#
LIGHT GREIGE,TRIM4#
LIGHT BLUE,TRIM8#
LIGHT GRAY,TRIM1#
LIGHT GREIGE,TRIM4#
LIGHT BLUE,TRIM8#
W(CAPTAIN SEAT),LIGHT GRAY,TRIM1#
W(CAPTAIN SEAT),LIGHT GREIGE,TRIM4#
W(CAPTAIN SEAT),LIGHT BLUE,TRIM8#
W(LEATHER SEAT),MI. GREIGE,TRIM4#
BLUISH GRAY,TRIM1#
MD. GREIGE,TRIM4#
BLUISH GRAY,TRIM1#
MD. GREIGE,TRIM4#
W(CAPTAIN SEAT),BLUISH GRAY,TRIM1#
W(CAPTAIN SEAT),MD. GREIGE,TRIM4#
W(LEATHER SEAT),MD. GREIGE,TRIM4#
GRAY,TRIM1#
GREIGE,TRIM4#
GRAY,TRIM1#
GREIGE,TRIM4#
W(CAPTAIN SEAT),GRAY,TRIM1#
W(CAPTAIN SEAT),GREIGE,TRIM4#
W(LEATHER SEAT),GREIGE,TRIM4#
BLUISH GRAY,TRIM1#
MD. GREIGE,TRIM4#
BLUISH GRAY,TRIM1#
MD.GREIGE,TRIM4#
W(CAPTAIN SEAT),BLUISH GRAY,TRIM1#
W(CAPTAIN SEAT),MD. GREIGE,TRIM4#
W(CAPTAIN SEAT),LIGHT GRAY,TRIM1#
W(CAPTAIN SEAT),LIGHT BLUE,TRIM8#
W(CAPTAIN SEAT),LIGHT TAN,TRIM4#
LIGHT GRAY,TRIM1#
LIGHT BLUE,TRIM8#
LIGHT TAN,TRIM4#
72890ARMREST ASSY, SEAT, C LH
LIGHT GRAY,TRIM1#
LIGHT GREIGE,TRIM4#
LIGHT BLUE,TRIM8#
W(CAPTAIN SEAT),LIGHT GRAY,TRIM1#
W(CAPTAIN SEAT),LIGHT GREIGE,TRIM4#
W(CAPTAIN SEAT),LIGHT BLUE,TRIM8#
LIGHT GRAY,TRIM1#
LIGHT GREIGE,TRIM4#
LIGHT BLUE,TRIM8#
LIGHT GRAY,TRIM1#
LIGHT GREIGE,TRIM4#
LIGHT BLUE,TRIM8#
LIGHT GRAY,TRIM1#
LIGHT GREIGE,TRIM4#
LIGHT BLUE,TRIM8#
W(CAPTAIN SEAT),LIGHT GRAY,TRIM1#
W(CAPTAIN SEAT),LIGHT GREIGE,TRIM4#
W(CAPTAIN SEAT),LIGHT BLUE,TRIM8#
W(LEATHER SEAT),MI. GREIGE,TRIM4#
BLUISH GRAY,TRIM1#
MD. GREIGE,TRIM4#
BLUISH GRAY,TRIM1#
MD. GREIGE,TRIM4#
W(CAPTAIN SEAT),BLUISH GRAY,TRIM1#
W(CAPTAIN SEAT),MD. GREIGE,TRIM4#
W(LEATHER SEAT),MD. GREIGE,TRIM4#
GRAY,TRIM1#
GREIGE,TRIM4#
GRAY,TRIM1#
GREIGE,TRIM4#
W(CAPTAIN SEAT),GRAY,TRIM1#
W(CAPTAIN SEAT),GREIGE,TRIM4#
W(LEATHER SEAT),GREIGE,TRIM4#
BLUISH GRAY,TRIM1#
MD. GREIGE,TRIM4#
BLUISH GRAY,TRIM1#
MD.GREIGE,TRIM4#
W(CAPTAIN SEAT),BLUISH GRAY,TRIM1#
W(CAPTAIN SEAT),MD. GREIGE,TRIM4#
W(CAPTAIN SEAT),LIGHT GRAY,TRIM1#
W(CAPTAIN SEAT),LIGHT BLUE,TRIM8#
W(CAPTAIN SEAT),LIGHT TAN,TRIM4#
LIGHT GRAY,TRIM1#
LIGHT BLUE,TRIM8#
LIGHT TAN,TRIM4#
W(CAPTAIN SEAT & HEADREST),LIGHT GREIGE,TRIM4#
9010910055
main90109-10055
9011908079
main90119-08079
9011908873
main90119-08873
9011910456
main90119-10456
9011910643
main90119-10643
9011910834
main90119-10834
9015980049
main90159-80049
9016840043
main90168-40043
9017910073
main90179-10073
9020115015
main90201-15015
9038614007
main90386-14007
9038635001
main90386-35001
9046807023
main90468-07023
9054105005
main90541-05005
9054112017
main90541-12017
9324056025
main93240-56025
9454201400
main94542-01400
54 parts on this diagram · 12 diagrams in section