E
EPC Data

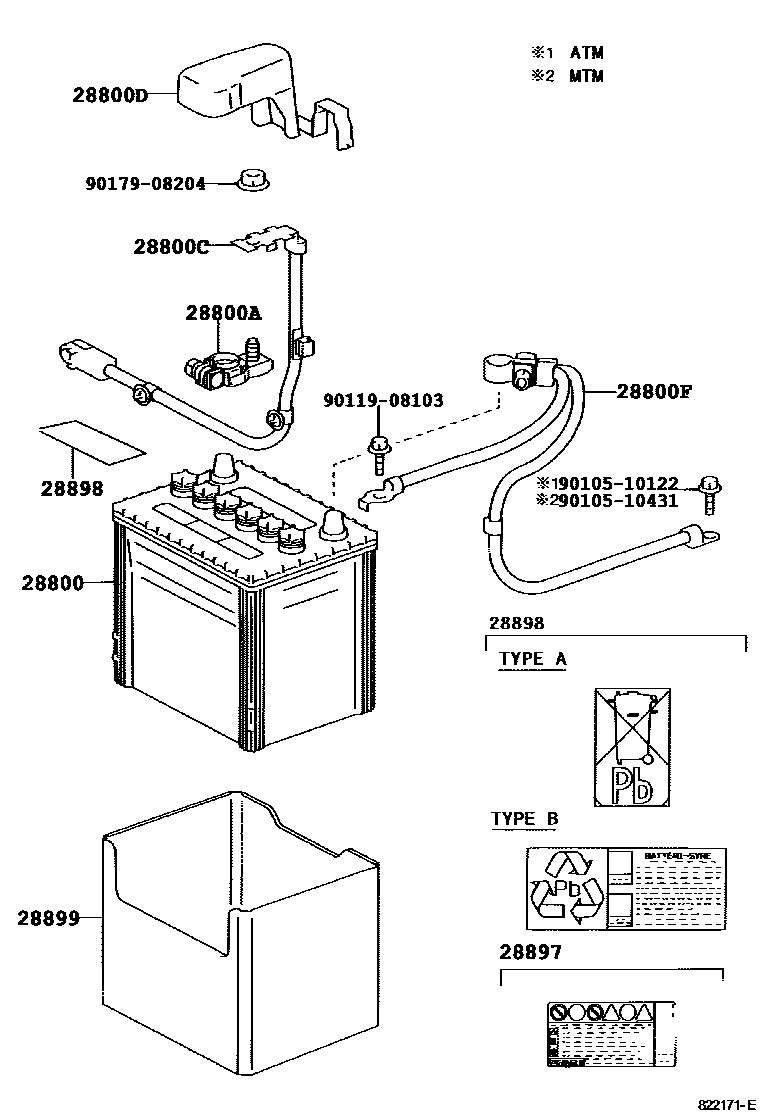
BATTERY & BATTERY CABLE

Parts diagram
28800BATTERY
main28800-42041i200304-200405
55D23L,MATSUSHITA
main28800-42042i200304-200405
55D23L,YUASA
main28800-42061i200103-200304
55D23L,FURUKAWA
main28800-64010i200002-200304
55D23L,GS
main28800-64182i200304-200601
95D31L
main28800-64251i200304-200601
105D31L,FURUKAWA
main28800-67080i200102-200103
105D31L
main28800-74260i200002-200103
46B24L(S)
main28800-74261i200103-200304
46B24L(S)
28800ATERMINAL, BATTERY POSITIVE
main90982-05035i200002-200304
main90982-05053i200304
28800CCABLE, BATTERY TO STARTER(FOR BATTERY TO MAIN SWITCH)
main82122-28390i200002-200304
W(BATTERY=55D23L)
main82122-28440i200304
main82122-28450i200002-200304
W(BATTERY=46B24L)
28800DCOVER, CONNECTOR(FOR BATTERY TERMINAL)
main82821-20350i200002-200304
28800FCABLE, BATTERY TO BATTERY
main82123-28230i200002-200304
main82123-28310i200002-200304
main82123-28320i200102-200304
main82123-28380i200304
main82123-28390i200304
main82123-28400i200304
28897PLATE, BATTERY CAUTION
main28897-50030i200411
28898PLATE, BATTERY
main28898-16020i200002-200304
TYPE A:REFER TO ILLUSTRATION
main28898-46010i200002-200304
TYPE B:REFER TO ILLUSTRATION
main28898-46020i200304-200601
TYPE A:REFER TO ILLUSTRATION
28899INSULATOR, BATTERY
main28899-54050i200102-200304
9010510122
9010510431
9011908103
9017908204

12 parts on this diagram · 1 diagram in section

BATTERY & BATTERY CABLE — Toyota Parts Diagram with OEM Numbers & Prices | EPC Data