E
EPC Data

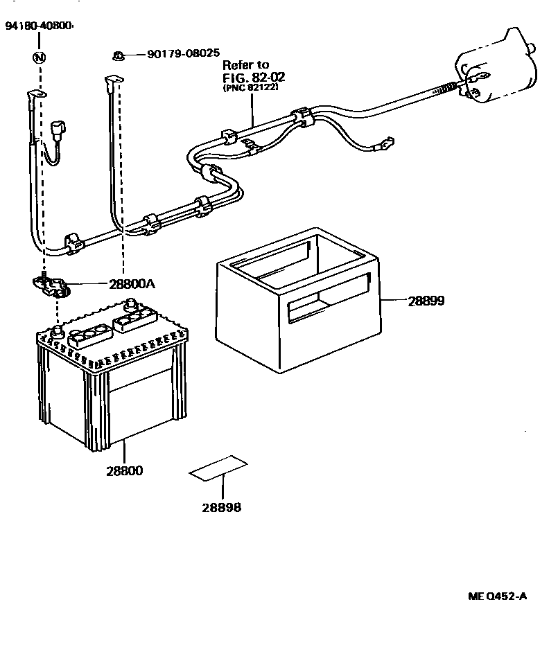
BATTERY & BATTERY CABLE

Parts diagram
28800BATTERY
main28800-42030i199005-199210
55D23L
main28800-43261i199508-199611
55D23L
main28800-43262i199611-199708
55D23L
main28800-64010i199712-199911
55D23L
main28800-64130i199005-199210
80D26L,COLD SPEC
main28800-74141i199408-199611
80D26L
main28800-74142i199611-199708
80D26L
main28800-76080i199708-199912
80D26L
main28800-76090i199911-199912
55D23L
28800ATERMINAL, BATTERY POSITIVE
main90982-05035i199005-199912
28898PLATE, BATTERY
main28898-46010i199610-199801
NORWAY SPEC
main28898-50070i199109-199404
NORWAY SPEC
28899INSULATOR, BATTERY
main28899-76010i199005-199408
main28899-76020i199408-199912
COLD SPEC
8202WIRING & CLAMP
9017908025
9418040800

7 parts on this diagram · 1 diagram in section

BATTERY & BATTERY CABLE — Toyota Parts Diagram with OEM Numbers & Prices | EPC Data