E
EPC Data

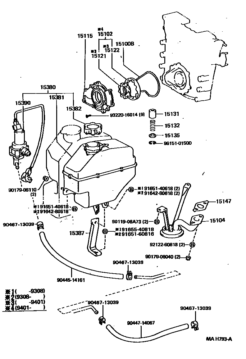
ENGINE OIL PUMP

Parts diagram
15100BRING, O(FOR OIL PUMP)
main15188-76040i199005-199912
15102ROTOR SET, OIL PUMP
main15103-75010i199401-199912
15104STRAINER SUB-ASSY, OIL
main15104-76040i199005-199912
15115COVER, OIL PUMP
main15115-76040i199005-199912
15121GEAR, OIL PUMP DRIVE
main15121-75010i199005-199401
15122GEAR, OIL PUMP DRIVEN
main15122-62010i199005-199401
15131VALVE, OIL PUMP RELIEF
main15131-24010i199005-199912
15132SPRING, OIL PUMP RELIEF VALVE
main15132-75010i199005-199912
15135RETAINER, OIL PUMP RELIEF VALVE
main15135-15010i199005-199912
15147GASKET, OIL STRAINER
main15147-76020i199005-199912
15380TANK & MOTOR ASSY, OIL
main15380-76010i199005-199608
15381TANK, OIL
main15381-76010i199005-199608
15382CAP, OIL TANK
main15382-76010i199005-199608
15387BRACKET, OIL TANK
main15387-76010i199005-199608
15390MOTOR & PUMP ASSY, OIL TANK
main15390-76010i199005-199608
9011908A73
9017906110
9017908040
9044514161
9044714067
9046713039
9164280618
9165140618
9165160816
9165540818
9212260818
9322016014
9615101500

28 parts on this diagram · 2 diagrams in section

ENGINE OIL PUMP — Toyota Parts Diagram with OEM Numbers & Prices | EPC Data