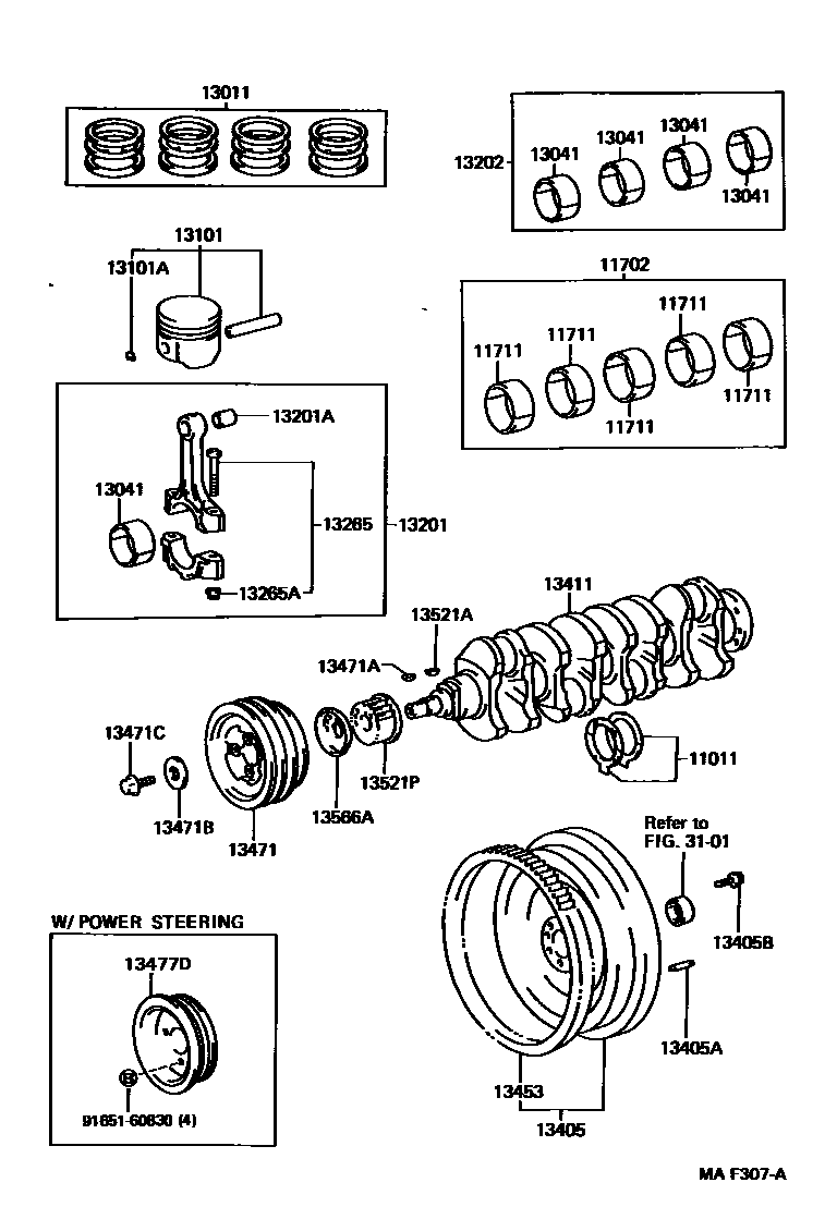
CRANKSHAFT & PISTON

11011WASHER SET, CRANKSHAFT THRUST
STD
STD
STD
O/S 0.125
O/S 0.250
11702BEARING SET, CRANKSHAFT
U/S 0.25
U/S 0.25
U/S 0.25
U/S 0.25
U/S 0.50
11711BEARING, CRANKSHAFT
MARK 3
MARK 4
MARK 5
MARK 6
MARK 7
MARK 1
MARK 2
MARK 3
MARK 1
MARK 2
MARK 3
MARK 1
MARK 2
MARK 3
13011RING SET, PISTON
STD
STD
STD
STD
STD
O/S 0.50
O/S 0.50
O/S 0.50
O/S 0.50
O/S 0.50
13041BEARING, CONNECTING ROD
MARK 3
MARK 4
MARK 5
MARK 6
MARK 7
MARK 1
MARK 2
MARK 3
MARK 1
MARK 2
MARK 3
MARK 6
MARK 7
MARK 8
13101PISTON SUB-ASSY, W/PIN
STD,MARK 1
STD,MARK 2
STD,MARK 3
STD,MARK 1
STD,MARK 2
STD,MARK 3
STD,MARK 1
STD,MARK 2
STD,MARK 3
STD,MARK 1
STD,MARK 2
STD,MARK 3
O/S 0.50
O/S 0.50
O/S 0.50
O/S 0.50
13101ARING, HOLE SNAP(FOR PISTON PIN)
13201ROD SUB-ASSY, CONNECTING
13201ABUSH(FOR CONNECTING ROD SMALL END)
13202BEARING SET, CONNECTING ROD
U/S 0.25
U/S 0.25
U/S 0.25
U/S 0.25
U/S 0.50
U/S 0.75
13265BOLT, CONNECTING ROD
13265ANUT, HEXAGON(FOR CONNECTING ROD BOLT)
13405FLYWHEEL SUB-ASSY
13405APIN, STRAIGHT(FOR FLYWHEEL)
L=23,OD=8
L=18,OD=8
13405BBOLT, FLYWHEEL SETTING
13411CRANKSHAFT
13453GEAR, FLYWHEEL RING
13471PULLEY, CRANKSHAFT
13471AKEY, CRANKSHAFT(FOR CRANKSHAFT PULLEY SET)
13471BWASHER, PLATE(FOR CRANKSHAFT PULLEY SET)
13471CBOLT(FOR CRANKSHAFT PULLEY SET)
13477DPULLEY, VANE PUMP DRIVE
13521GEAR OR SPROCKET, CRANKSHAFT TIMING
13521AKEY(FOR CRANKSHAFT TIMING GEAR)
13521PPULLEY, CRANKSHAFT TIMING
13566AGUIDE, TIMING BELT
3101CLUTCH & RELEASE FORK
9165160830
main91651-60830
28 parts on this diagram · 3 diagrams in section